loading

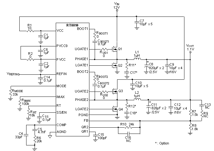
The RT8810 is a dual phase synchronous buck controller which can provide users with a compact, high efficient, well protected and cost effective solution. The RT8810's integrated high driving capability MOSFET drivers makes it more attractive for high current application. The built-in bootstrap diode simplifies the circuit design and reduces external part count and PCB space. For output voltage control, the RT8810 can precisely regulate feedback voltage according to the internal reference voltage 0.6V or external reference voltage from 0.4V to 2.5V. The MODE pin programs single phase or dual phase operation, making the RT8810 suitable for dual power input applications such as PCI-Express interface graphic cards. To set RT8810 at automatic mode, the RT8810 operates in single phase at light load condition and maintains high efficiency over a wide range of output currents. In addition, the RT8810 features adjustable gate driving voltage for maximum efficiency and optimum performance.The RT8810 adopts lossless RDS(ON) current sensing technique for channel current balance and over current protection. Other features include adjustable soft-start, adjustable operation phase, and adjustable over current threshold.

Applications

  • GPU Core Power
  • Desktop PC Memory, VTT Power
  • Low Output Voltage, High Power Density DC/DC Converters
  • Voltage Regulator Modules
Key Spec.
RT8810A RT8810B RT8810C RT8810D
Status Active Active Active Active
Vin (min) (V) 4.5 4.5 4.5 4.5
Vin (max) (V) 13.2 13.2 13.2 13.2
Vout (min) (V) 0.4 0.4 0.4 0.4
Vout (max) (V) 2.5 2.5 2.5 2.5
Number of Phases 2 2 2 2
Accuracy (Vout>=1V) (+/- %) 1.67 1.67 1.67 1.67
Freq Adj Yes Yes Yes Yes
Freq (typ) (kHz) 200 200 200 200
Vcc (typ) (V) 12 12 12 12
Features Adjustable Current Limit;Adjustable Frequency;Adjustable Soft-Start;Built-in Bootstrap Switch;Enable Input;Fast Transient Response;OCP;SCP;Voltage Mode Control Adjustable Current Limit;Adjustable Frequency;Adjustable Soft-Start;Built-in Bootstrap Switch;Enable Input;Fast Transient Response;OCP;SCP;Voltage Mode Control Adjustable Current Limit;Adjustable Frequency;Adjustable Soft-Start;Built-in Bootstrap Switch;Enable Input;Fast Transient Response;OCP;SCP;Voltage Mode Control Adjustable Current Limit;Adjustable Frequency;Adjustable Soft-Start;Built-in Bootstrap Switch;Enable Input;Fast Transient Response;OCP;SCP;Voltage Mode Control
Package Type WQFN4x4-24 WQFN3x3-16 WQFN3x3-16 WQFN4x4-24
Outline Dimension, Footprint, Drawing Download Download Download Download
Features
  • Single IC Supply Voltage : 4.5V to 13.2V
  • Supports Manual / Auto Dynamic Phase Number Control
  • Integrated Bootstrap Diode
  • Lossless RDS(ON) Current Sensing for Current Balance
  • Adjustable Operation Frequency : 100kHz to 1MHz
  • Adjustable Over Current Protection
  • Capacitor Programmable Soft-Start
  • Support 0% to 80% Duty Cycle
  • Selectable Internal/External VREF
  • Voltage Mode PWM Control with External Feedback Loop Compensation
  • Phase Crosstalk Jitter Suspend (CJSTM)
  • Programmable Quick Response
  • Driver Shoot Through Protection
  • Supports Current Reporting
  • 16-Lead WQFN and 24-Lead WQFN Packages
  • RoHS Compliant and Halogen Free
Part NumberPackage TypePackage Qty.Free SampleDistributorStockBuy From Authorized Distributor
RT8810DGQWWQFN4x4-241,500 Request Digikey 1,500 Buy
Mouser 1,500 Buy
TOP