loading

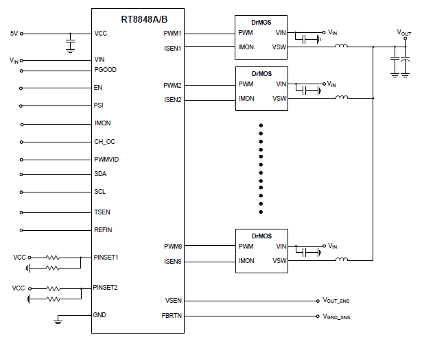
The RT8848A/B is a 8/7/6/5/4/3/2/1 multi-phase synchronous Buck controller which is optimized for high performance graphic microprocessor and support nVidia OVR4i+ spec with PWM-VID interface. The RT8848A/B adopts AC G-NAVPTM (Green Native AVP) which is Richtek's proprietary topology derived from finite DC gain of internal GM amplifier with current mode control. By utilizing the AC G-NAVPTM topology, the operating frequency of the RT8848A/B varies with VID, load and input voltage to further enhance the efficiency even in CCM. Besides, for current sensing application, the RT8848A/B can support either a traditional DCR network current sense from inductor or a smart power stage (SPS) which can directly provide a current monitor signal (IMON).

The RT8848A/B features external reference input and PWM-VID dynamic output voltage control, in which the output voltage is regulated and tracks external input reference voltage. The RT8848A/B can set internal RAMP amplitude through PINSETx pin and this can optimize stability and load transient performance. The RT8848A/B also provides complete fault protection functions including over-voltage protection (OVP), under-voltage protection (UVP), channel over-current limit (CH_OC), sum output current protection (SOC) and over-temperature protection (OTP).

Applications

  • GPU Core Power for OVR4i+ Spec
Key Spec.
RT8848A RT8848B
Status Active Active
Vin (min) (V) 2.8 2.8
Vin (max) (V) 24 24
Vout (min) (V) 0.25 0.25
Vout (max) (V) 2 2
Number of Phases 8 8
Accuracy (Vout>=1V) (+/- %) 1 1
Freq Adj Yes Yes
Freq (typ) (kHz) 300 300
Vcc (typ) (V) 5 5
Features Adjustable Current Limit;Adjustable Frequency;Adjustable Soft-Start;Cycle-by-Cycle Current Limit;DCR Current Sense;Diode Emulation Mode;Droop Control;Enable Input;Fast Transient Response;G-NAVP Control;I2C;Internal Compensation;OCP;OVP;Power Good;SCP;Stable with Ceramic Capacitor;Tri-State Input;UVP Adjustable Current Limit;Adjustable Frequency;Adjustable Soft-Start;Cycle-by-Cycle Current Limit;DCR Current Sense;Diode Emulation Mode;Droop Control;Enable Input;Fast Transient Response;G-NAVP Control;I2C;Internal Compensation;OCP;OVP;Power Good;SCP;Stable with Ceramic Capacitor;Tri-State Input;UVP
Package Type WQFN5x5-40 WQFN5x5-40
Outline Dimension, Footprint, Drawing Download Download
Features
  • Multi-Phase PWM Controller
  • PWM-VID Dynamic Voltage Control
  • Support 1.8V PWM-VID Interface
  • Power State Indicator
    ► LPC (Low Phase Count), PSI = Low
    ► APS (Auto Phase Shedding), PSI = Mid
    ► HPC (High Phase Count), PSI = High
  • External Reference Input Control
  • 8/7/6/5/4/3/2/1 Phase Hardware Setting
  • Adjustable Soft-Start Time
  • Adjustable Switching Frequency
  • Adjustable Phase Current Balance
  • Support Standby Mode
  • UVP/OVP/OTP/SOC/CH_OC/TSEN Protection
  • Adjustable Protection Thresholds
  • Power Good Indicator
  • ADC Reporting for IMON, TSEN and VSEN
  • Support I2C Interface for Programming
  • RoHS Compliant and Halogen Free
Part NumberPackage TypePackage Qty.DistributorStockBuy From Authorized Distributor
RT8848AGQWWQFN5x5-401,500 Digikey 0 Lead-Time: 14 weeks
1,500 Buy
TOP