This website stores cookies on your computer. These cookies are used to collect information about how you interact with our website and allow us to remember you. We use this information in order to improve and customize your browsing experience and for analytics and metrics about our visitors both on this website and other media. To find out more about the cookies we use, see our Cookie Statement. If you decline, your information won’t be tracked when you visit this website. A single cookie will be used in your browser to remember your preference not to be tracked. Find out more here.
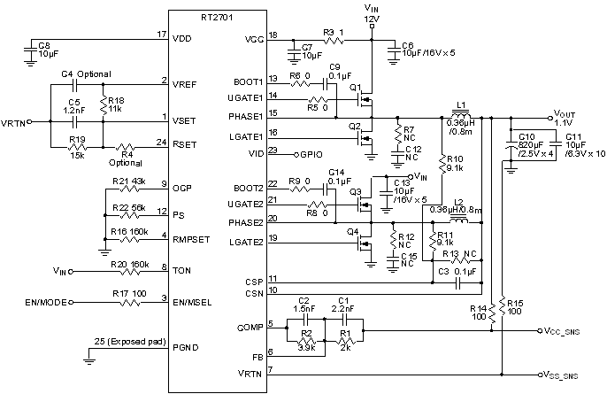
The RT2701 is a dual-phase synchronous Buck PWM controller with integrated drivers which are optimized for high performance graphic microprocessor and computer applications. The IC integrates a PWM controller, two 12V MOSFET drivers with internal bootstrap diodes, as well as output current monitoring and protection functions into the WQFN-24L 4x4 package. The RT2701 adopts DCR and RDS(ON) current sensing. Over current protection is accomplished through continuous inductor DCR current sensing, while RDS(ON) current sensing is used for accurate channel current balance. Using both methods of current sampling utilizes the best advantages of each technique. The RT2701 also features an one-bit VID control operation in which the feedback voltage is regulated and tracks external input reference voltage. Other features include adjustable operating frequency, external compensation and enable/shutdown functions.
Dual-Phase PWM Controller
Two Embedded MOSFET Drivers and Embedded Switching Boot Diode
Dynamic Auto Phase Control with Adjustable Threshold
Cross-talk Jitter Suspend (CJSTM)
Remote GND Detection for High Accuracy
Automatic Diode Emulation Mode/Or Ultrasonic Mode at Light Load
Lossless RDS(ON) Current Sensing for Current Balance
Lossless DCR Current Sensing for AVP & OCP
Reference Voltage Output with 1% Accuracy
External Reference Input with Soft-Start (RISS)
Embedded One-Bit VID Control
Adjustable OCP Threshold
Adjustable Switching Frequency
Reference Tracking UVP/OVP Protection
Shoot Through Protection and Short Pulse Free Technology
RoHS Compliant and Halogen Free
Subscribe to receive the latest product news. (Login required)
.
Please check your email box and click validation url.