RT6542A

High Efficiency Single Synchronous Buck PWM Controller

RT6542A
New

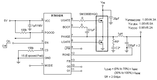
The RT6542A PWM controller provides high efficiency, excellent transient response, and high DC output accuracy needed for stepping down high voltage batteries to generate low voltage CPU core, I/O, and chipset RAM supplies in notebook computers. The RT6542A supports on chip voltage programming function between 0.85V and 1.05V by controlling GX digital inputs.

The constant-on-time PWM control scheme handles wide input/output voltage ratios with ease and provides 100ns "instant-on" response to load transients while maintaining a relatively constant switching frequency.

The RT6542A achieves high efficiency at a reduced cost by eliminating the current-sense resistor found in traditional current-mode PWMs. Efficiency is further enhanced by its ability to drive very large synchronous rectifier MOSFETs and enter diode emulation mode at light load condition. The buck conversion allows this device to directly step down high voltage batteries at the highest possible efficiency. The RT6542A is intended for CPU core, chipset, DRAM, or other low voltage supplies as low as 0.7V.

The RT6542A is available in a WDFN-14L 3x2 package.

Applications

  • Notebook Computers
  • CPU/GPU Core Supply
  • Chipset/RAM Supply
  • Generic DC-DC Power Regulator

Key Spec.

RT6542A
Status Active
Vs (typ) (V) 5
Vin (min) (V) 3
Vin (max) (V) 26
Vout (min) (V) 0.75
Vout (max) (V) 1.05
Output Adj. Method Digital
Accuracy (+/- %) 0.5
Freq (typ) (kHz) 560
Iq (typ) (mA) 0.2
Ext Sync No
Features ACOT Control;Adjustable Current Limit;Built-in Bootstrap Switch;COT Control;Cycle-by-Cycle Current Limit;Diode Emulation Mode;Enable Input;Fast Transient Response;OCP;OVP;PSM;Power Good;Stable with Ceramic Capacitor;UVP
Package Type WDFN3x2-14

Features

  • Intel Cannon VR Support

  • Built-in 1% Reference Voltage

  • 2-Bit Programmable Output Voltage with Integrated Transition Support

  • Support Intel LPM (Low-Power Mode) Feature

  • 4700ppm/°C Programmable Current Limit by Low- Side RDS(ON) Sensing

  • 3V to 26V Battery Input Range

  • Internal Voltage Ramp Soft-Start Control

  • Drives Large Synchronous Rectifier FETs

  • Integrated Boost Switch

  • Over/Under-Voltage Protection

  • Thermal Shutdown

  • Power Good Indicator

  • RoHS Compliant and Halogen Free

  • Tiny 14-Lead WDFN Package