RT6586A/RT6586B

Dual-Channel Synchronous DC-DC Step-Down Controller with 5V/3.3V LDOs

RT6586A/RT6586B
New

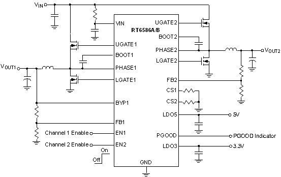
The RT6586A/B is a dual-channel step-down, controller generating supply voltages for battery-powered systems. It includes two Pulse-Width Modulation (PWM) controllers adjustable from 2V to 5.5V, and two fixed 5V/3.3V linear regulators. Each linear regulator provides up to 100mA output current and 3.3V linear regulator provides 1% accuracy under 35mA. The RT6586A/B has an oscillator output to driver the external charge pump application. Other features include on-board power-up sequencing, a power-good output, internal soft-start, and soft-discharge output that prevents negative voltage during shutdown. A constant current ripple PWM control scheme operates without sense resistors and provides 100ns response to load transient. For maximizing power efficiency, the RT6586A/B automatically switches to the diode-emulation mode in light load applications. The RT6586A/B is available in the WQFN-20L 3x3 package.

Applications

  • Notebook and Sub-Notebook Computers
  • System Power Supplies
  • 3-Cell and 4-Cell Li+ Battery-Powered Devices

Key Spec.

RT6586A RT6586B
Status EOL EOL
Vin (min) (V) 5 5
Vin (max) (V) 25 25
Vout (min) (V) 2 2
Vout (max) (V) 5.5 5.5
Output Adj. Method Resistor Resistor
Accuracy (+/- %) 1 1
Freq (typ) (kHz) 400;475 400;475
Iq (typ) (mA) 0.12 0.12
Ext Sync Yes Yes
Features Adjustable Current Limit;Built-in Bootstrap Switch;COT Control;Cycle-by-Cycle Current Limit;Diode Emulation Mode;Enable Input;Fast Transient Response;OCP;OVP;PSM;Power Good;UVP Adjustable Current Limit;Built-in Bootstrap Switch;COT Control;Cycle-by-Cycle Current Limit;Diode Emulation Mode;Enable Input;Fast Transient Response;OCP;OVP;PSM;Power Good;UVP
Package Type WQFN3x3-20 WQFN3x3-20

Features

  • Support Connected Standby Mode for Ultrabook

  • CCRCOT Control with 100ns Load Step Response

  • PWM Maximum Duty Ratio > 98%

  • 5V to 25V Input Voltage Range

  • Dual Adjustable Output :
    ► CH1 : 2V to 5.5V
    ► CH2 : 2V to 4V

  • 5V/3.3V LDOs with 100mA Output Current

  • 1% Accuracy on 3.3V LDO Output

  • Oscillator Driving Output for Charge Pump Application

  • Internal Frequency Setting
    ► 400kHz/475kHz (CH1/CH2)

  • Internal Soft-Start and Soft-Discharge

  • 4700ppm/°C RDS(ON) Current Sensing

  • Independent Switcher Enable Control

  • Built in OVP/UVP/OCP/OTP

  • Non-latch UVLO

  • Power Good Indicator