RT8130C

12V Green Voltage Mode High Efficiency Synchronous Buck PWM Controller

RT8130C
New

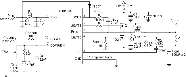
The RT8130C is a high efficiency single phase synchronous Buck DC/DC controller with 5V/12V supply voltage. The IC features Green Voltage Mode (GVMTM) control, which is specifically designed to improve converter efficiency at light load condition. At light load condition, the IC automatically operates in the diode emulation mode with constant on-time PFM to reduce switching frequency so as to improve conversion efficiency. As the load current increases, the RT8130C leaves the Diode Emulation Mode (DEM) and operates in the continuous conduction mode with fixed frequency PWM. The RT8130C has embedded MOSFET gate driver with high driving capability, supporting driving voltage up to 12V for high output current application. This device uses lossless low-side MOSFET RDS(ON) current sense technique for over-current protection with adjustable threshold set by the LGATE pin (LGOCS). Other features include power good indication, enable/disable control and internal soft-start. The RT8130C also provides fault protection functions to protect the power stage output. With above functions, the IC provides customers a cost-effective solution for high efficiency power conversion. The RT8130C is available in the WDFN-10L 3x3 package.

Applications

  • Motherboard, Memory/Chip-set Power
  • Graphic Card, GPU/Memory Core Power
  • Low Voltage, High Current DC/DC Regulator

Key Spec.

RT8130C
Status Active
Vs (typ) (V) 12;5
Vin (min) (V) 2.5
Vin (max) (V) 21
Vout (min) (V) 0.8
Output Adj. Method Resistor
Accuracy (+/- %) 0.875
Freq (typ) (kHz) 300
Iq (typ) (mA) 2
Ext Sync No
Features Adjustable Current Limit;Cycle-by-Cycle Current Limit;Diode Emulation Mode;Enable Input;OCP;OVP;PSM;Power Good;UVP;Ultrasonic Mode Control;Voltage Mode Control
Package Type WDFN3x3-10

Features

  • Green Voltage Mode (GVMTM) Control

  • High Light Load Efficiency

  • Single 5V to 12V Driver Voltage

  • Integrated High Driving Capability N-MOSFET Gate Drivers

  • 300kHz Fixed Frequency Internal Oscillator

  • 88% Maximum PWM Duty Cycle

  • Power Good Indicator

  • Enable/Disable Control

  • Adaptive Zero-Current Detection

  • Internal Soft-Start

  • Lossless Low-Side MOSFET RDS(ON) Current Sensing for Over-Current Fault Monitoring

  • LGATE Over-Current Setting (LGOCS)

  • OCP, UVP, OVP, OTP, UVLO

RT8130CGQW
Package Type:WDFN3x3-10