RT8205A/RT8205B/RT8205C

High Efficiency, Main Power Supply Controllers for Notebook Computers

RT8205A/RT8205B/RT8205C
New

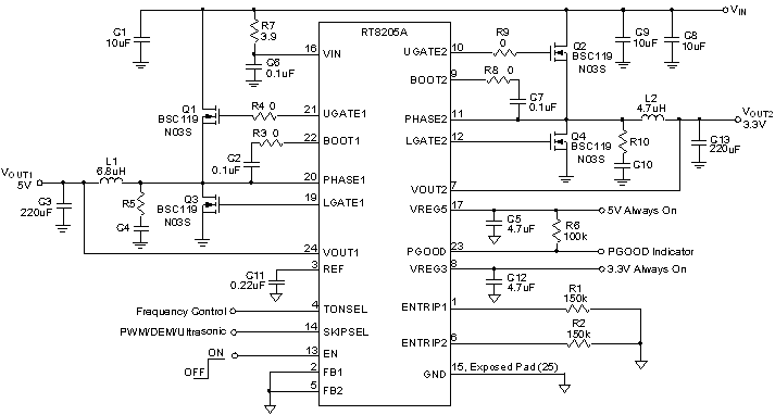
The RT8205A/B/C dual step-down, switch-mode power-supply controller generates logic-supply voltages in battery-powered systems. The RT8205A/B/C includes two pulse-width modulation (PWM) controllers fixed at 5V/3.3V or adjustable from 2V to 5.5V. An alternative LGATE1 output LG1_CP can be used for external charge pump (RT8205B). And an optional external charge pump can be monitored through SECFB (RT8205C). This device also features 2 linear regulators providing fixed 5V and 3.3V outputs. The linear regulator each provides up to 70mA output current with automatic linear-regulator bootstrapping to the PWM outputs. The RT8205A/B/C includes on-board power-up sequencing, the power-good output, internal soft-start, and internal soft-discharge output that prevents negative voltages on shutdown.
A constant on-time PWM control scheme operates without sense resistor and provides 100ns response to load transients while maintaining a relatively constant switching frequency. The unique ultrasonic mode maintains the switching frequency above 25kHz, which eliminates noise in audio applications. Other features include diode-emulation mode (DEM), which maximizes efficiency in light-load applications, and fixed-frequency PWM mode, which reduces RF interference in sensitive application

Applications

  • Notebook and Sub-Notebook Computers
  • 3-Cell and 4-Cell Li+ Battery-Powered Devices

Key Spec.

RT8205A RT8205B RT8205C
Status NRND NRND NRND
Recommended Alternative  RT8230A/RT8230B/RT8230C/RT8230D/RT8230E RT8230A/RT8230B/RT8230C/RT8230D/RT8230E RT8230A/RT8230B/RT8230C/RT8230D/RT8230E
Vs (typ) (V) 19 19 19
Vin (min) (V) 6 6 6
Vin (max) (V) 25 25 25
Vout (min) (V) 2 2 2
Vout (max) (V) 5.5 5.5 5.5
Preset Vout (V) 3.3;5 3.3;5 3.3;5
Output Adj. Method Fixed;Resistor Fixed;Resistor Fixed;Resistor
Accuracy (+/- %) 1.5 1.5 1.5
Freq (typ) (kHz) 300;375 300;375 300;375
Freq (min) (kHz) 200 200 200
Freq (max) (kHz) 500 500 500
Iq (typ) (mA) 0.2 0.2 0.2
Features Adjustable Current Limit;Adjustable Frequency;Built-in Bootstrap Switch;COT Control;Cycle-by-Cycle Current Limit;Diode Emulation Mode;Enable Input;Fast Transient Response;OCP;OVP;Power Good;SCP;UVP;Ultrasonic Mode Control Adjustable Current Limit;Adjustable Frequency;Built-in Bootstrap Switch;COT Control;Cycle-by-Cycle Current Limit;Diode Emulation Mode;Enable Input;Fast Transient Response;OCP;OVP;Power Good;SCP;UVP;Ultrasonic Mode Control Adjustable Current Limit;Adjustable Frequency;Built-in Bootstrap Switch;COT Control;Cycle-by-Cycle Current Limit;Diode Emulation Mode;Enable Input;Fast Transient Response;OCP;OVP;Power Good;SCP;UVP;Ultrasonic Mode Control
Package Type WQFN4x4-24 WQFN4x4-24 WQFN4x4-24

Features

  • Wide Input Voltage Range 6V to 25V

  • Dual Fixed 5V/3.3V Outputs or Adjustable from 2V to 5.5V, 1.5% Accuracy.

  • Alternative LGATE1 Output (LG1_CP) acts as Clock for Charge Pump (RT8205B)

  • Secondary Feedback Input Maintains Charge Pump Voltage (RT8205C)

  • Fixed 3.3V and 5V LDO Output : 70mA

  • 2V Reference Voltage±1% : 50mA

  • Constant ON-Time Control with 100ns Load Step Response

  • Frequency Selectable via TONSEL Setting

  • RDS(ON) Current Sensing and Programmable Current Limit combined with Enable Control

  • Selectable PWM, DEM, or Ultrasonic Mode

  • Internal Soft-Start and Soft-Discharge

  • High Efficiency up to 97%

  • 5mW Quiescent Power Dissipation

  • Thermal Shutdown

  • RoHS Compliant and Halogen Free