RT8206B

High Efficiency, Main Power Supply Controllers for Notebook Computers

RT8206B
New

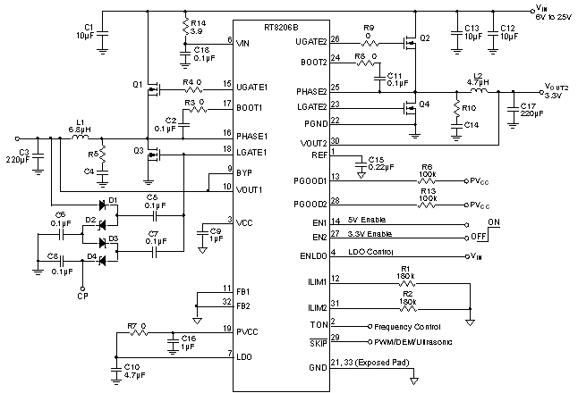
The RT8206B dual step-down, Switch Mode Power Supply (SMPS) controller generates logic supply voltages in battery powered systems. The RT8206B includes two Pulse Width Modulation (PWM) controllers fixed at 5V/3.3V or adjustable from 2V to 5.5V. This device also features a linear regulator providing a fixed 5V output. The linear regulator provides up to 70mA output current with automatic linear regulator bootstrapping to the BYP input. The RT8206B includes on-board power up sequencing, the power good outputs, internal soft-start, and internal soft-discharge output that prevents negative voltages on shutdown. A constant on-time PWM control scheme operates without sense resistors and provides 100ns response to load transients while maintaining a relatively constant switching frequency. The unique ultrasonic mode maintains the switching frequency above 25kHz, which eliminates noise in audio applications. Other features include Diode Emulation Mode (DEM), which maximizes efficiency in light load applications, and fixed frequency PWM mode, which reduces RF interference in sensitive application.

The RT8206B is available in the WQFN-32L 5x5 package.

Applications

  • Notebook and Sub-Notebook Computers
  • 3-Cell and 4-Cell Li+ Battery-Powered Devices

Key Spec.

RT8206B
Status NRND
Recommended Alternative  RT8230A/RT8230B/RT8230C/RT8230D/RT8230E
Vs (typ) (V) 19
Vin (min) (V) 6
Vin (max) (V) 25
Vout (min) (V) 2
Vout (max) (V) 5.5
Preset Vout (V) 3.3;5
Output Adj. Method Fixed;Resistor
Accuracy (+/- %) 1.5
Freq (typ) (kHz) 300;375
Freq (min) (kHz) 200
Freq (max) (kHz) 500
Iq (typ) (mA) 0.18
Features Adjustable Current Limit;Adjustable Frequency;Built-in Bootstrap Switch;COT Control;Cycle-by-Cycle Current Limit;Diode Emulation Mode;Enable Input;Fast Transient Response;OCP;OVP;Power Good;SCP;UVP;Ultrasonic Mode Control
Package Type WQFN5x5-32

Features

  • Wide Input Voltage Range 6V to 25V

  • Dual Fixed 5V/3.3V Outputs or Adjustable from 2V to 5.5V, 1.5% Accuracy

  • Independent Enable and Power Good

  • 5V Fixed LDO Output : 70mA

  • 2V Reference Voltage ±1% : 50μA

  • Constant ON-Time Control with 100ns Load Step Response

  • Frequency Selectable via TON Setting

  • RDS(ON) Current Sensing and Programmable Current Limit

  • Selectable PWM, DEM or Ultrasonic Mode

  • Internal Soft-Start with 5 Steps Current Limiting and Soft-Discharge

  • High Efficiency Up to 97%

  • 5mW Quiescent Power Dissipation

  • Thermal Shutdown

  • RoHS Compliant and Halogen Free