RT8208A/RT8208B

輸出電壓可程式控制單相同步 Buck 控制器

RT8208A/RT8208B
New

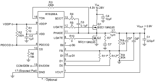
RT8208A/B 是採用固定導通時間控制技術的 PWM 控制器,提供4種電阻設定的直流輸出電壓,輸出電壓的可設定範圍為 0.75V~3.3V,可通過控制其 G0/G1 輸入實現輸出電壓的變換,為需要輸出電壓變換的系統提供總體方案成本最低解決方案。在電壓變換期間,RT8208A/B 自動遮罩 Power Good 輸出以避免錯誤的保護動作。由於採用固定導通時間控制技術,它可很容易地面對輸入/輸出比很寬的環境,對負載瞬變提供 100ns 的“即時”回應速度,同時維持基本固定的工作頻率,具有轉換效率高,卓越的瞬態回應特性和高精度的電壓輸出,可將筆記型電腦的電池高電壓轉換為 CPU 內核、圖形處理器、I/O 和晶片組需要的低壓電源。RT8208A/B 不使用傳統的電流模式 PWM 控制架構中的電流檢測電阻,降低了成本,提高了效率。其效率的進一步提升還來自於其具有的驅動大型同步整流 MOSFET 的能力,使其可將電池高電壓直接轉換為系統需要的電壓,這也使得效率實現了最大化。此外,它還具有軟啟動、過壓保護、可程式設計過流保護和無重疊的門極驅動等特性。其封裝為 WQFN-16L 3x3。

應用

  • 筆記型電腦
  • 系統電源
  • 輸出可程式設計電源

主要規格

RT8208A RT8208B
Status NRND NRND
Vs (typ) (V) 5 5
Vin (min) (V) 4.5 4.5
Vin (max) (V) 26 26
Vout (min) (V) 0.75 0.75
Vout (max) (V) 3.3 3.3
Output Adj. Method Resistor Resistor
Accuracy (+/- %) 1 1
Freq (typ) (kHz) 300 300
Freq (min) (kHz) 200 200
Freq (max) (kHz) 600 600
Iq (typ) (mA) 1.25 1.25
Ext Sync No No
Features Adjustable Current Limit;Adjustable Frequency;Built-in Bootstrap Switch;COT Control;Cycle-by-Cycle Current Limit;Diode Emulation Mode;Enable Input;OVP;Power Good;SCP;Selectable (PSM or PWM);UVP Adjustable Current Limit;Adjustable Frequency;Built-in Bootstrap Switch;COT Control;Cycle-by-Cycle Current Limit;Diode Emulation Mode;Enable Input;OVP;Power Good;SCP;Selectable (PSM or PWM);UVP
Package Type WQFN3x3-16 WQFN3x3-16

關鍵特性

  • 極高的效率

  • 0.75V~3.3V 電阻可程式設計的輸出電壓,集成變換支援能力

  • 100ns 負載階躍快速回應能力

  • 全輸入、負載範圍內 1% VFB 精度

  • 4.5V~26V 輸入電壓範圍

  • 電阻可設定工作頻率

  • 集成自舉開關

  • 電阻可設定正電流限制閾值,電流經下橋 RDS(ON) 進行檢測

  • 負電流限制器

  • 電壓瞬態過沖消除器

  • 過壓保護

  • 欠壓保護

  • 4級電流限制軟啟動過程

  • Power Good 指示

  • 符合 RoHS 規範,不含鹵素