RT8208D

Programmable Output Voltage Single Synchronous Buck Controller

RT8208D
New

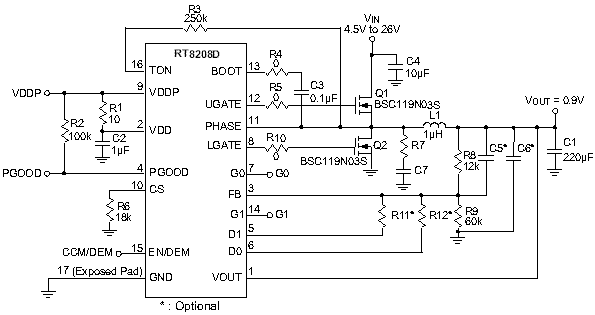
The RT8208D is a constant on-time PWM controller which provides four resistor-programmable DC output voltages by controlling the G0 and G1 digital input. The output voltage is programmable from 0.75V to 3.3V. The RT8208D offers the lowest total-solution cost in systems where need output voltage slewing. The RT8208D provides an automatic-masking power good output during output voltage transition.
The constant on-time PWM control scheme handles wide input/output ratios with ease and provides 100ns "instant-on" response to load transient while maintaining a relatively constant frequency. It provides the high efficiency, excellent transient response, and DC output accuracy needed for stepping down high voltage batteries to generate low voltage CPU core, graphics, I/O and chipset RAM supplies in notebook computers.
The RT8208D achieves high efficiency at a reduced cost by eliminating the current-sense resistor in traditional current mode PWMs. Efficiency is further enhanced by its ability to drive very large synchronous rectifier MOSFETs. The buck conversion allows this device to directly step down from high voltage batteries for the highest possible efficiency. Additional features include soft-start, under voltage protection, programmable over current protection and non-overlapping gate drive. The RT8208D is available in a WQFN-16L 3x3 package.

Applications

  • Notebook Computers
  • System Power Supplies
  • I/O Supplies
  • Programmable Output Power Supplies

Key Spec.

RT8208D
Status Active
Vs (typ) (V) 5
Vin (min) (V) 4.5
Vin (max) (V) 26
Vout (min) (V) 0.75
Vout (max) (V) 3.3
Output Adj. Method Resistor
Accuracy (+/- %) 1
Freq (typ) (kHz) 300
Freq (min) (kHz) 200
Freq (max) (kHz) 600
Iq (typ) (mA) 1.25
Ext Sync No
Features Adjustable Current Limit;Adjustable Frequency;Built-in Bootstrap Switch;COT Control;Cycle-by-Cycle Current Limit;Diode Emulation Mode;Enable Input;OVP;Power Good;SCP;Selectable (PSM or PWM);UVP
Package Type WQFN3x3-16

Features

  • Ultra-High Efficiency

  • Programmable Output Voltage from 0.75V to 3.3V with Integrated Transition Support

  • Quick Load Step Response within 100ns

  • 1% VFB Accuracy over Line and Load

  • 4.5V to 26V Battery Input Range

  • Programmable Switching Frequency

  • Integrated Bootstrap Switch

  • Programmable Positive Current Limit by Low Side RDS(ON) Sense (Lossless Limit)

  • Negative Current Limiter

  • Voltage Transient Overshoot Eliminator*

  • Over Voltage Protection

  • Under Voltage Protection

  • 4 Steps Current Limit During Soft-Start

  • Power Good Indicator

  • RoHS Compliant and Halogen Free

    * Paten Pending