RT8223A/RT8223B

筆記型電腦主電源供應控制器

RT8223A/RT8223B
New

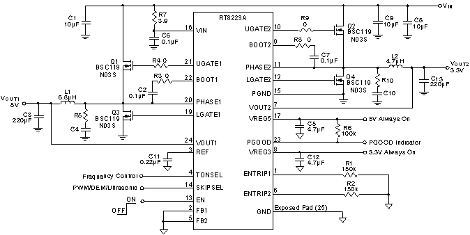
RT8223A/B 是一款雙通道開關模式降壓控制器,用於電池供電系統中為邏輯電路部分提供電源供應。它包含了兩組輸出電壓可為固定的 5V/3.3V 或可在 2V~5.5V 調節的 PWM 控制器和兩組固定電壓(5V/3.3V)的線性穩壓器。每個線性穩壓器可以提供 70mA 輸出電流,並可自動切換到 PWM 控制器的輸出以提高效率。RT8223A/B 包含內置的上電時序管理能力、電源正常狀態輸出和內置軟起動電路,還有內置輸出軟放電功能可以避免關機期間的負電壓問題。它所使用的固定導通時間( COT )模式下的 PWM 控制邏輯無需使用電流檢測電阻,在負載發生瞬態變化時具有 100ns 的回應速度,同時還能維持基本固定的開關切換工作頻率。獨特的超聲模式將開關切換工作頻率維持在 25kHz 以上,為音訊應用消除了雜訊。此外,它還具有二極體模擬模式( DEM ),這使它在輕負載條件下的效率能夠最大化,而固定頻率的 PWM 模式則可降低敏感應用中的射頻干擾。

應用

  • Notebook and Sub-Notebook Computers
  • 3-Cell and 4-Cell Li+ Battery-Powered Devices

主要規格

RT8223A RT8223B
Status EOL EOL
Recommended Alternative  RT8230A/RT8230B/RT8230C/RT8230D/RT8230E RT8230A/RT8230B/RT8230C/RT8230D/RT8230E
Vs (typ) (V) 19 19
Vin (min) (V) 6 6
Vin (max) (V) 25 25
Vout (min) (V) 2 2
Vout (max) (V) 5.5 5.5
Preset Vout (V) 3.3;5 3.3;5
Output Adj. Method Fixed;Resistor Fixed;Resistor
Accuracy (+/- %) 1.5 1.5
Freq (typ) (kHz) 300;375 300;375
Freq (min) (kHz) 200 200
Freq (max) (kHz) 500 500
Iq (typ) (mA) 0.2 0.2
Features Adjustable Current Limit;Adjustable Frequency;Built-in Bootstrap Switch;COT Control;Cycle-by-Cycle Current Limit;Diode Emulation Mode;Enable Input;Fast Transient Response;OCP;OVP;Power Good;SCP;UVP;Ultrasonic Mode Control Adjustable Current Limit;Adjustable Frequency;Built-in Bootstrap Switch;COT Control;Cycle-by-Cycle Current Limit;Diode Emulation Mode;Enable Input;Fast Transient Response;OCP;OVP;Power Good;SCP;UVP;Ultrasonic Mode Control
Package Type WQFN4x4-24 WQFN4x4-24

關鍵特性

  • 寬輸入電壓範圍:6V~25V

  • 兩路固定 5V/3.3V 或 2V~5.5V 可調輸出,精度1.5%

  • 5V/3.3V 固定輸出線性穩壓器輸出能力為 70mA

  • 2V 參考電壓精度為 ±1%,負載能力為 50μA

  • COT 控制架構,賦予其 100ns 快速負載瞬態回應能力

  • 由 TONSEL 端子狀態進行工作頻率選擇

  • 經 RDS(ON) 進行電流檢測,可程式設計電流限制及使能信號共用一個端子

  • PWM、DEM 或超聲模式可選

  • 內置軟起動和軟放電功能

  • 高達 97% 的效率

  • 5mW 靜態功率消耗

  • 熱關機保護

  • 符合 RoHS 規範,不含鹵素