loading

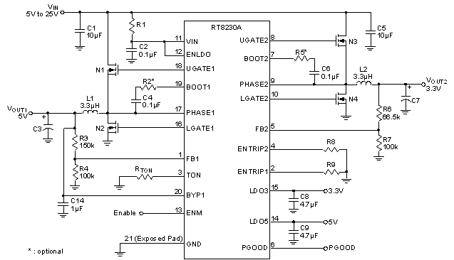
The RT8230A/B/C/D/E is a dual-channel step-down, controller generating supply voltages for battery-powered systems. It includes two Pulse-Width Modulation (PWM) controllers adjustable from 2V to 5.5V, and two fixed 5V/3.3V linear regulators. Each linear regulator provides up to 100mA output current. The 5V linear regulator supplies power to the PWM drivers. The RT8230A/B/C/D/E includes on-board power-up sequencing, a power-good output, internal soft-start, and soft-discharge output that prevents negative voltage during shutdown.

A constant current ripple PWM control scheme operates without sense resistors and provides 100ns response to load transient. To eliminate noise in audio applications, an ultrasonic mode is included, which maintains the switching frequency above 25kHz. Moreover, the diode-emulation mode maximizes efficiency for light load applications. The RT8230A/B/C/D/E is available in the WQFN-20L 3x3 package.

Applications

  • Notebook and Sub-Notebook Computers
  • 2-Cell, 3-Cell and 4-Cell Li+ Battery-Powered Devices
Key Spec.
RT8230A RT8230B RT8230C RT8230D RT8230E
Status Active Active Active Active Active
Vin (min) (V) 5 5 5 5 5
Vin (max) (V) 25 25 25 25 25
Vout (min) (V) 2 2 2 2 2
Vout (max) (V) 5.5 5.5 5.5 5.5 5.5
Output Adj. Method Resistor Resistor Resistor Resistor Resistor
Accuracy (+/- %) 1 1 1 1 1
Freq (typ) (kHz) 300;355 300;355 300;355 300;355 300;355
Iq (typ) (mA) 0.15 0.15 0.15 0.15 0.15
Ext Sync No No No No No
Features Adjustable Current Limit;Adjustable Frequency;OCP;OVP;PSM;UVP;Ultrasonic Mode Control;Voltage Mode Control Adjustable Current Limit;Adjustable Frequency;OCP;OVP;PSM;UVP;Ultrasonic Mode Control;Voltage Mode Control Adjustable Current Limit;Adjustable Frequency;OCP;OVP;PSM;UVP;Ultrasonic Mode Control;Voltage Mode Control Adjustable Current Limit;Adjustable Frequency;OCP;OVP;PSM;UVP;Ultrasonic Mode Control;Voltage Mode Control Adjustable Current Limit;Adjustable Frequency;OCP;OVP;PSM;UVP;Ultrasonic Mode Control;Voltage Mode Control
Package Type WQFN3x3-20 WQFN3x3-20 WQFN3x3-20 WQFN3x3-20 WQFN3x3-20
Outline Dimension, Footprint, Drawing Download Download Download Download Download
Features
  • Maximum Duty Up to 96%
  • CCRCOT Control with 100ns Load Step Response
  • Wide Input Voltage Range : 5V to 25V
  • Dual Adjustable Output :
    ► CH1 : 2V to 5.5V
    ► CH2 : 2V to 4V
  • Fixed 3.3V and 5V LDO Output : 100mA
  • 1% Accuracy on 3.3V LDO Output
  • Frequency Adjustable Via TON Setting
  • 4700ppm/ °C RDS(ON) Current Sensing
  • Adjustable Current Limit Combined with Enable Control
  • Internal Soft-Start and Soft-Discharge
  • Thermal Shutdown
  • RoHS Compliant and Halogen Free
Part NumberPackage TypePackage Qty.Free SampleDistributorStockBuy From Authorized Distributor
RT8230AGQWWQFN3x3-201,500 Request Digikey 3,774 Buy
Mouser 1,489 Buy
TOP