loading

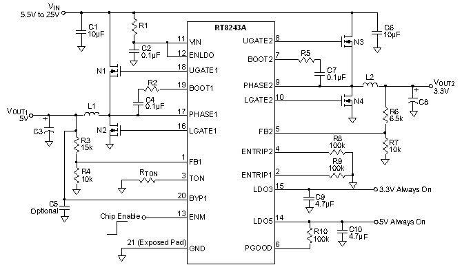
The RT8243A/B/C is a dual step down, Switch Mode Power Supply (SMPS) controller which generates logic supply voltages for battery powered systems. It includes two Pulse Width Modulation (PWM) controllers adjustable from 2V to 5.5V and also two fixed 5V/3.3V linear regulators. One of the controllers (LDO5) provides automatic switch over to the BYP1 input connected to the main SMPS1 output for maximized efficiency. An optional external charge pump can be monitored through SECFB (RT8243B/C). Other features include on board power up sequencing, a power good output, internal soft-start, and a soft discharge output that prevents negative voltage during shutdown.

A constant on-time PWM control scheme operates without sense resistors and assures fast load transient response while maintaining nearly constant switching frequency. To eliminate noise in audio applications, an ultrasonic mode is included, which maintains the switching frequency above 25kHz. Moreover, a diode emulation mode maximizes efficiency for light load applications. The SMPS1/SMPS2 switching frequency can be adjustable from 200kHz/233kHz to 400kHz/466kHz respectively.

The RT8243A/B/C is available in a WQFN-20L 3x3 package, and operates over an extended temperature range from -40°C to 85°C.

Applications

  • Notebook computers
  • System Power Supplies
  • 3- and 4- Cell Li+ Battery-Powered Device
Key Spec.
RT8243A RT8243B RT8243C
Status Active Active Active
Vs (typ) (V) 19 19 19
Vin (min) (V) 5.5 5.5 5.5
Vin (max) (V) 25 25 25
Vout (min) (V) 2 2 2
Vout (max) (V) 5.5 5.5 5.5
Output Adj. Method Resistor Resistor Resistor
Accuracy (+/- %) 1.2 1.2 1.2
Freq (typ) (kHz) 300 300 300
Freq (min) (kHz) 200 200 200
Freq (max) (kHz) 466 466 466
Iq (typ) (mA) 1 1 1
Ext Sync No No No
Features Adjustable Current Limit;Adjustable Frequency;Built-in Bootstrap Switch;COT Control;Cycle-by-Cycle Current Limit;Diode Emulation Mode;Enable Input;OVP;PSM;Power Good;SCP;UVP;Ultrasonic Mode Control Adjustable Current Limit;Adjustable Frequency;Built-in Bootstrap Switch;COT Control;Cycle-by-Cycle Current Limit;Diode Emulation Mode;Enable Input;OVP;PSM;Power Good;SCP;UVP;Ultrasonic Mode Control Adjustable Current Limit;Adjustable Frequency;Built-in Bootstrap Switch;COT Control;Cycle-by-Cycle Current Limit;Diode Emulation Mode;Enable Input;OVP;PSM;Power Good;SCP;UVP;Ultrasonic Mode Control
Package Type WQFN3x3-20 WQFN3x3-20 WQFN3x3-20
Outline Dimension, Footprint, Drawing Download Download Download
Features
  • 5.5V to 25V Input Voltage Range
  • 2V to 5.5V Output Voltage Range
  • No Current Sense Resistor Needed
  • 5V/3.3V Linear Regulators
  • 4700ppm/°C RDS(ON) Current Sensing
  • Internal Current Limit Soft-Start and Soft Discharge Output
  • Built In OVP/UVP/OCP
  • Selectable Operation Mode with Switcher Enable Control (RT8243A)
  • SECFB Input Maintains Charge Pump Voltage (RT8243B/C)
  • Power Good Indicator (RT8243B/C includes SECFB)
  • RoHS Compliant and Halogen Free
Part NumberPackage TypePackage Qty.DistributorStockBuy From Authorized Distributor
RT8243AZQWWQFN3x3-201,500 Digikey 1,077 Buy
0 Lead-Time: 14 weeks
TOP