This website stores cookies on your computer. These cookies are used to collect information about how you interact with our website and allow us to remember you. We use this information in order to improve and customize your browsing experience and for analytics and metrics about our visitors both on this website and other media. To find out more about the cookies we use, see our Cookie Statement. If you decline, your information won’t be tracked when you visit this website. A single cookie will be used in your browser to remember your preference not to be tracked. Find out more here.
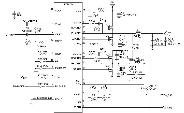
RT8809 是集成了驱动器的双相同步 Buck PWM 控制器,特别针对高性能图形处理器和计算机应用进行了优化。它将 G-NAVPTM PWM 控制器、两组包含自举二极管的 12V MOSFET 驱动器、输出电流监控和保护功能集成于单一的 WQFN-24L 4x4 封装中,采用了 DCR 和 RDS(ON) 电流检测技术。负载线电压定位和过流保护功能即依靠连续的电感 DCR 电流检测技术实现,而RDS(ON) 电流检测技术则用于精确的通道间的电流平衡,两种不同的电流取样方法各自获得了最佳的应用。RT8809 也使用了1位 VID 控制技术,这使其反馈电压得到调节并跟踪外部输入的参考电压。此外,它还具有输出电流指示、工作频率可调、Power Good 指示、外部补偿和使能/关机等功能。
双相 PWM 控制器
内嵌两组集成了自举二极管的 MOSFET 驱动器
Green-NAVPTM 控制技术
阈值可调的动态自动相位控制技术
交叉抖动挂起(CJSTM)
高精度远程 GND 检测
轻载时自动进入二极管仿真模式或超声模式
用于电流平衡的无损的 RDS(ON) 电流检测技术
参考电压输出精度:1%
软启动(RISS)的外部参考输入
内嵌1位 VID 控制
可调 OCP 阈值
可调工作频率
跟踪参考源的 UVP/OVP
贯通保护和无短脉冲技术
符合 RoHS 规范,不含卤素
订阅接收最新产品讯息 (请先登入)
.
Please check your email box and click validation url.