RT6190

36V, 4-Switch Bidirectional Buck-Boost Controller with I2C Interface

RT6190
New Hot

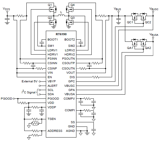
The RT6190 is a 4-switch bidirectional Buck-Boost controller designed for USB power delivery (USB PD). It operates with wide input voltage range from 4.5V to 36V, and the output voltage can be programmable between 3V and 36V. The RT6190 implements peak current mode control mechanism with the programmable constant voltage (CV) and constant current (CC) output to support USB-PD 3.0 SPR mode and 3.1 EPR mode. It also has built-in charge pumps for driving external low-cost N-MOSFETs to control the power path. With an I2C compatible interface, the RT6190 supports many programmable functions including CV/CC output, switching frequency, and cable voltage drop compensation. Moreover, the RT6190 integrates fully protection such as input UVLO, over/under voltage protection, cycle-by-cycle current limit, short protection, and over-temperature protection. The RT6190 is available in a WQFN-40L 5x5 package.

Applications

  • Monitor
  • USB Power Delivery
  • Power Bank

Key Spec.

RT6190 RT6190H
Status Active Active
Vin (min) (V) 4.5 4.5
Vin (max) (V) 36 36
Vout (min) (V) 3 3
Vout (max) (V) 36 36
Iout (max) (A) 5 5
Current Limit (typ) (A) 6.5 6.5
Freq (typ) (kHz) 250 250
Freq (min) (kHz) 250 250
Freq (max) (kHz) 1000 1000
Iq (typ) (mA) 3 3
Features Adjustable Current Limit;Adjustable Soft-Start;Bi-directional Operation;Constant Voltage and Constant Current Function;Current Mode Control;Cycle-by-Cycle Current Limit;Enable Input;I2C;Input UVLO;OCP;OTP;OVP;Power Good;Programmable Switching Frequency;SCP;UVP Adjustable Current Limit;Adjustable Soft-Start;Bi-directional Operation;Constant Voltage and Constant Current Function;Current Mode Control;Cycle-by-Cycle Current Limit;Enable Input;I2C;Input UVLO;OCP;OTP;OVP;Power Good;Programmable Switching Frequency;SCP;UVP
Interface I2C I2C
Package Type WQFN5x5-40 WQFN5x5-40

Features

  • Support USB-PD 3.0 SPR Mode and 3.1 EPR Mode

  • Integrated Buck-Boost Controller :
    ► Wide Input Voltage Range : 4.5V to 36V
    ► Wide Output Voltage Range : 3V to 36V
    ► Peak Current Mode Control
    ► Programmable Switching Frequency (250kHz to 1MHz)
    ► Power Saving Mode Enables Higher Light Load Efficiency

  • AnyPowerTM for Constant Voltage (12.5mV/step, Typ.) and Constant Current (in 9-Bit Resolution) Output Settings

  • Bi-directional Power Delivery for Forward Operation and Reverse Operation

  • Embedded 2nd OCP Function

  • I2C Compatible Interface

  • Adjustable Soft-Start Time

  • Programmable Cable Voltage Drop Compensation

  • Built-in Bleeders for Quick VBUS Discharge

  • Power Good Indicator

  • Fully Protection with UVLO, OVP, UVP, OCP, Cycle-by-Cycle Current Limit and OTP

  • WQFN-40L 5x5 Package

Datasheet