This website stores cookies on your computer. These cookies are used to collect information about how you interact with our website and allow us to remember you. We use this information in order to improve and customize your browsing experience and for analytics and metrics about our visitors both on this website and other media. To find out more about the cookies we use, see our Cookie Statement. If you decline, your information won’t be tracked when you visit this website. A single cookie will be used in your browser to remember your preference not to be tracked. Find out more here.
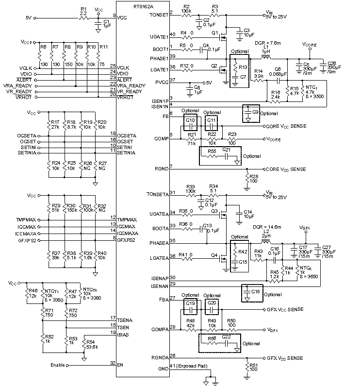
RT8162A 是集成驱动器的双路单相 PWM 控制器,符合 Intel IMVP7 脉宽调制规范,可同时为 CPU 内核和 GPU 内核提供电源。它采用立锜专有的在有限增益补偿固定导通时间控制模式基础上发展起来的 G-NAVPTM(Green-Native AVP) 技术,容易设定,完全符合 Intel AVP(avtive Voltage Positioning) 移动 CPU/GPU 的需求。它通过 SVID 接口控制内部的8位 DAC 对输出电压进行设定,该高精度 DAC 可将接收到的 VID 编码转化为 0~1.52V 的输出电压,级差仅为 5mV,系统精度可达 0.8%。根据 SVID 命令的要求,RT8162A 可工作在连续道统模式或二极管仿真模式,不同模式下的最高效率均可高达90%。其压降特性(负载线)可通过误差放大器的直流增益进行设定,利用适当的补偿,其瞬态响应特性可根据 AVP 性能要求进行优化。输出电压的电压/电流 变动率可通过 SVID 接口进行设定。它支持 DCR 和电阻电流检测方式,提供 VR_READY 和热量调节输出信号供 IMVP7 CPU/GPU 使用,还具有过压保护、欠压保护、负压保护、过流保护和热关机保护等全面的保护特性。
双路单相 PWM 控制器,为 CPU/GPU 内核供电
IMVP7 兼容的电源管理机制
串行 VID 接口
G-AVPTM 拓扑
AVP 技术仅供 CPU VR 使用
DAC 精度:0.5%
差分电压遥测
内建 ADC 用于基础设定 ► SETINI/SETINIA,为 CPU/GPU 内核电源设定启动电压 ► TMPMAX,设定平台最高温度► ICCMAX/ICCMAXA,设定 CPU/GPU 内核电源最大电流
Power Good 指示器:VR_READY/VRA_READY
发热调节指示: VRHOT
二极管仿真模式应对轻载状况
快速输入/输出瞬态响应
每相开关切换工作频率可高达 1MHz
OVP, UVP, NVP, OTP, UVLO, OCP
符合 RoHS 规范,不含卤素
订阅接收最新产品讯息 (请先登入)
.
Please check your email box and click validation url.