RT9628A

笔记本电脑用3通道高压同步整流 Buck MOSFET 驱动器

RT9628A
New

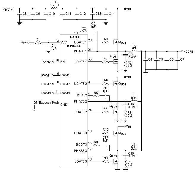
RT9628A 是支持高频工作的三通道 MOSFET 驱动器,可用于 同步整流的 Buck 转换器中,每个通道都可驱动两只 MOSFET,尤其适合需要高效率和优秀的热性能的移动电脑使用。当它们和立锜科技的一系列多相 Buck PWM 控制器配合时,就可为先进的微处理器提供完整的内核电源供应。这些驱动器都具有以极快的升降速度和极短的延迟时间驱动 3nF 电容负载的能力。它们的上桥驱动自举电路都只需要使用一只外部电容,降低了电路的复杂性,容许使用高性能、低价格的 N-MOSFET。内部集成的贯通保护电路可避免上下桥同时贯通。

应用

  • Intel® / AMD® 移动 CPU 内核电源
  • 高频、小体积 DC/DC 转换器
  • 大电流、低电压 DC/DC 转换器
  • 高输入电压 DC/DC 转换器

主要规格

RT9628A
Status Active
Number of Channels 3
Vcc (typ) (V) 5
UGATE Rise Time (typ) (ns) 8
UGATE Fall Time (typ) (ns) 8
LGATE Rise Time (typ) (ns) 8
LGATE Fall Time (typ) (ns) 4
UGATE Source Resistance (typ) (Ohm) 1
UGATE Sink Resistance (typ) (Ohm) 1
LGATE Source Resistance (typ) (Ohm) 1
LGATE Sink Resistance (typ) (Ohm) 0.5
Disable Pin Yes
Built-In Bootstrap Diode No
Iq (typ) (mA) 0.15
Features Enable Input;Tri-State Input
Package Type WQFN4x4-24

关键特性

  • 3通道驱动器

  • 每个通道可驱动2只 N-MOSFET

  • 自适应贯通保护

  • 0.5Ω 导通电阻,4A 电流吸纳能力

  • 支持高开关频率

  • PWM 信号的三态输入可是功率级关机

  • 输出禁止功能

  • 集成自举开关

  • 低电流消耗

  • 集成 VCC 上电复位功能

Datasheet

Datasheet