loading
Richtek

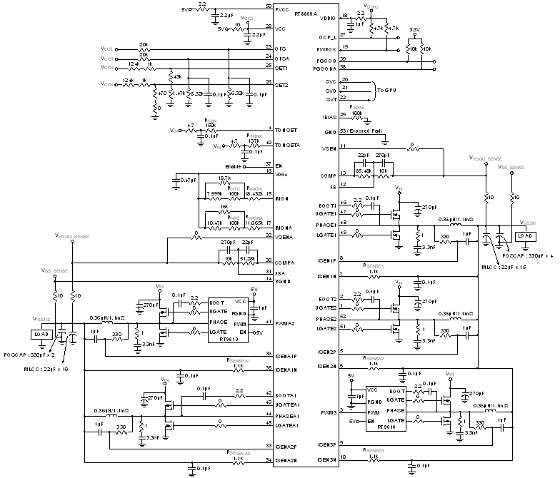
RT8899A 是 3+2 相 PWM 控制器,符合 AMD SVI2 电压调节器规格,用于为 GPU 内核(VDDC)和I/O bus(VDDCI)供电。它采用立锜专有的 G-NAVP (Green-Native AVP) 技术和 CCRCOT(Constant Current Ripple Constant On-Time,固定电流涟波固定导通时间)控制架构,易于设定、控制,可满足 AMD AVP (Adaptive Voltage Positioning) VDDC/VDDCI 的所有要求。其压降特性可通过对误差放大器的直流增益进行设定而实现;使用适当的补偿设计,符合 AVP 性能要求的瞬态响应特性也很容易获得;通过双方之间的控制接口,控制器也可很容易地将 VOTF 完成信息、VDDC 和 VDDCI 的电压、电流编码信息传递给 CPU;它可以进入二极管仿真模式,从而确保在各种负载条件下都可实现高达90%的效率;通过适当的埠设定,它可根据特殊的需要进行偏移量设定。它提供 Power Good 指示、过流指示(OCP_L)和分别针对内核和 I/O bus 的双重过流保护机制,还具有完善的保护功能如过压、欠压和负压保护等。

应用

  • AMD SVI2 GPU 内核电源
  • 笔记本电脑
主要规格
RT8899A
Status EOL
Recommended Alternative  RT3663BC
VID Table Support SVI2
Number of Phases 2;3
Vcc (typ) (V) 5
Vin (min) (V) 4.5
Vin (max) (V) 26
Accuracy (Vout>=1V) (+/- %) 0.5
Freq (typ) (kHz) 300
Built-in DAC Generator Yes
Number of MOSFET Drivers 1;2
Features Adjustable Frequency;DCR Current Sense;Diode Emulation Mode;Droop Control;Enable Input;Fast Transient Response;G-NAVP Control;OCP;OVP
Package Type WQFN6x6-52
Outline Dimension, Footprint, Drawing Download
关键特性
  • 3/2/1-相 (VDDC) + 2/1-相 (VDDCI) PWM 控制器
  • 3 组集成化的 MOSFET 驱动器
  • G-NAVPTM 架构
  • 支持动态负载线和零负载线
  • 轻载条件下进入二极管仿真模式
  • SVI2 接口,符合 AMD 电源管理协议
  • 内建 ADC ,用于 VOUT 和 IOUT 报告
  • 实时过压、欠压和负压保护,欠压锁定
  • 可程序设计双重过流保护机制
  • 0.5% DAC 精度
  • 快速瞬态响应
  • Power Good 指示
  • 过流指示
  • 52引脚 WQFN 封装
  • 符合 RoHS 规范,不含卤素
TOP