This website stores cookies on your computer. These cookies are used to collect information about how you interact with our website and allow us to remember you. We use this information in order to improve and customize your browsing experience and for analytics and metrics about our visitors both on this website and other media. To find out more about the cookies we use, see our Cookie Statement. If you decline, your information won’t be tracked when you visit this website. A single cookie will be used in your browser to remember your preference not to be tracked. Find out more here.
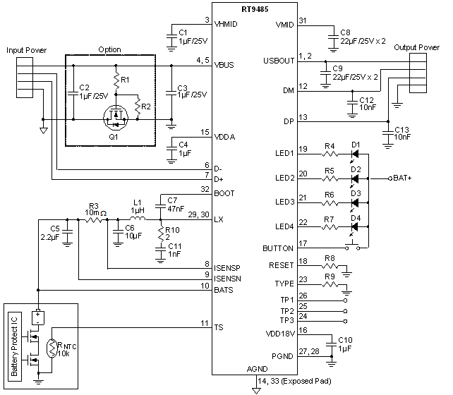
RT9485 是供锂离子电池行动电源和其它便携式产品使用的全集成、易使用的电源方案,简称 EZPBSTM (Easy to Use Power Bank Solution)。它在单芯片的内部包含了具升压功能的切换式充电器、ADC转换器、USBOUT负荷开关、符合BC1.2检测的电源转接器、DCP控制器与LDO。电池容量状态和充放电状态可通过4只 LED 予以指示。
系统
高精准度电压和电流调节►充电电压调节精度 : ±1%►充电电流调节精度 : ±0.1A►±3%升压USBOUT电压
过温保护
反向漏电保护功能,预防电池漏电
内置USBOUT DCP 控制器
内置USBOUT 连接/分离检测
内置USBOUT 轻载检测
内置电流调节负载开关
热调节及输出电流短路保护
内置符合BC1.2检测的电源转接器
内置精准的ADC以测量VBAT, VBUS, TS, IBAT , USBOUT和IUSBOUT
内置线性稳压器 (LDO)
OTP Based MCU
4 LED驱动引脚
按钮键
充电模式
充电电压调节
充电电流调节
最小输入电压调节 (MIVR)
一般输入电流调节 (AICR)
热调节
VMID欠压保护
VBUS过压保护
电池过压保护
电池温度保护
升压模式
OTG升压电流高达3A
电池欠压保护
VMID过压保护
订阅接收最新产品讯息 (请先登入)
.
Please check your email box and click validation url.