This website stores cookies on your computer. These cookies are used to collect information about how you interact with our website and allow us to remember you. We use this information in order to improve and customize your browsing experience and for analytics and metrics about our visitors both on this website and other media. To find out more about the cookies we use, see our Cookie Statement. If you decline, your information won’t be tracked when you visit this website. A single cookie will be used in your browser to remember your preference not to be tracked. Find out more here.
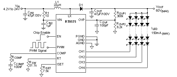
The RT8575 is a high efficiency LED driver with 40V I/O support. It is designed for LCD panel that employs an array of LEDs as the lighting source. An integrated switch current mode Boost controller drives four strings in parallel and supports up to 18 pieces of LEDs per string. The internal current sinks support typical ±1% current mismatching for excellent brightness uniformity in each LED string. To provide enough headroom for the operating of current sink, Boost controller monitors the minimum voltage of feedback pins and regulates an optimized output voltage for power efficiency. The RT8575 has a wide input voltage operating range from 4.2V to 24V and provides adjustable 50mA to 150mA LED current. The internal 150mΩ, 60V power switch with current-mode control provides cycle-by-cycle over current protection. RT8575 also integrates PWM dimming function for accurate LED current control. The input PWM dimming frequency can operate from 120Hz to 1kHz without inducing any inrush current in LEDs or inductor. The switching frequency of RT8575 is adjustable from 150kHz to 500kHz, which allows the trade-off between efficiency and component size. The RT8575 is available in WDFN-16L 5x5 and DIP-16 (BW) packages to achieve optimized solution for PCB space.
Input Operating Voltage Range 4.2V to 24V
60V Maximum Output Voltage
Adjustable Switching Frequency : 150kHz to 500kHz
Support Up to 4 LED Strings
50mA to 150mA LED Current Per Channel
1% Typical LED Current Accuracy
1% Typical LED Current Matching
Programmable Over Voltage Protection
Built-in Soft-Start, OTP
LED Short/Open Detection
RoHS Compliant and Halogen Free
Subscribe to receive the latest product news. (Login required)
.
Please check your email box and click validation url.