RT5035A/RT5035B

7+3 Channel DC/DC Converters with RTC and I2C Interface

RT5035A/RT5035B
New

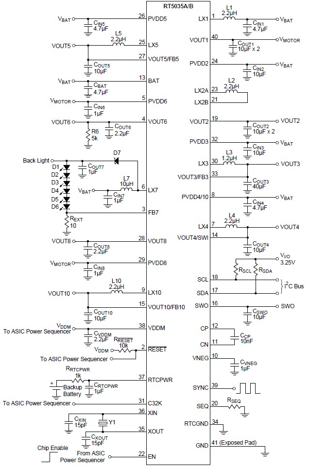
RT5035A/B is a highly-integrated DSC Power Management IC that contains 7ch switching DC/DC converters and two generic LDOs, one keep-alive low-quiescent LDO for RTC, one load switch with soft-start control and current limit, a switch with reverse leakage prevention for backup battery, and a Real-Time-Clock (RTC) including time counter and 32768Hz oscillator. The DC/DC converters are one low-voltage Step-Up operated in either Async-PFM or Sync-PWM, one current mode Sync Step-Up/Down (Buck-Boost), four Sync Step-Down, and one Asyn Step-Up for WLED driver. All power MOS are integrated. And compensation networks are built in. RT5035A/B uses I2C interface to set power-on and power-off timing, output voltage, and WLED current and dimming level, and also access RTC time counters and oscillator fine-tuning. RT5035A/B dedicate for CMOS image sensor application by providing one Sync Step-Down, one LDO, and one load switch. The RT5035A/B also provides rich protection functions include Over-Current Protection, Under-Voltage Protection, Over-Voltage Protection, Over- Temperature Protection, and Over-Load Protection. RT5035A/B is available in WQFN-40L 5x5 package.

Applications

  • Digital Cameras
  • Portable Instruments

Key Spec.

RT5035A RT5035B
Status Active Active
Vin (min) (V) 1.8 1.8
Vin (max) (V) 5.5 5.5
Number of Channels 10 10
Number of Buck Converters 4 4
Number of Boost Converters 2 2
Number of LDO Regulators 3 3
Application Portable Device Portable Device
Features Current Mode Control;Cycle-by-Cycle Current Limit;Enable Input;High PSRR;I2C;Internal Compensation;Low Dropout;OCP;OVP;Power Good;UVP Current Mode Control;Cycle-by-Cycle Current Limit;Enable Input;High PSRR;I2C;Internal Compensation;Low Dropout;OCP;OVP;Power Good;UVP
Package Type WQFN5x5-40 WQFN5x5-40

Features

  • CH1 Sync Step-Up in PWM Mode or Async Step-Up in Pulse Frequency Mode

  • CH2 Current Mode Sync Step-Up/Down

  • CH3/CH4/CH5 Current Mode Sync Step-Down

  • SW4 Load Switch with Soft-Start Inrush Control And Current Limit

  • CH6 Generic Low Voltage LDO for CMOS Sensor

  • CH7 WLED Driver in Async Step-Up Mode

  • Open LED Protection

  • 32 Dimming Levels

  • CH8 Generic Low Voltage LDO for Multiple Purpose Power Supply

  • CH9 Keep-Alive Low-Quiescent LDO

  • CH10 Sync Step-Down or Async Step-down in Pulse Frequency Mode for Memory Standby Mode Application

  • LV Sync Step-Down DC/DC Converter High Efficiency Up to 95%

  • 100% (max) Duty Cycle for CH3, CH4, CH5 & CH10

  • I2C Control Interface to Program Enable, Power On/Off Delay Time, Output Regulated Voltage, WLED Dimming Current

  • RTC Timer And Oscillator

  • Fixed 2MHz Switching Frequency for CH1, CH3, CH4, CH5, CH10

  • Fixed 1MHz Switching Frequency for CH2, CH7