RT5091A/RT5091B

Power Management Unit Total Power Solution for SSD

RT5091A/RT5091B
New

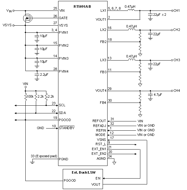
The RT5091A/B is a total power management solution for SSDs (Solid State Drive) with dedicated input supply voltages of 3.3V or 5V. The RT5091A/B incorporates three high-efficiency synchronous buck regulators and one LDO that deliver several output voltages from a single power source. This provides flexibility to support applications of different VIDs with a regulated power-on sequence. The RT5091A/B can provide configurable output voltages to supply ASIC core, DDR, Flash I/O, and PHY. With a dedicated I2C interface, it supports dynamic voltage scaling (DVS), and sleep mode for minimized standby power consumption.

應用

  • Solid State Drives

主要規格

RT5091A RT5091B
Status NRND NRND
Vin (min) (V) 2.8 2.8
Vin (max) (V) 5.5 5.5
Number of Channels 6 6
Number of Buck Converters 3 3
Number of Boost Converters 0 0
Number of Negative Outputs 0 0
Number of LED Drivers 0 0
Number of LDO Regulators 1 1
Application SSD SSD
Features Built-in Bootstrap Switch;COT Control;Current Mode Control;Cycle-by-Cycle Current Limit;Diode Emulation Mode;Fast Transient Response;High PSRR;I2C;Internal Compensation;Low Dropout;OCP;OVP;Power Good;SCP;Stable with Ceramic Capacitor;UVP Built-in Bootstrap Switch;COT Control;Current Mode Control;Cycle-by-Cycle Current Limit;Diode Emulation Mode;Fast Transient Response;High PSRR;I2C;Internal Compensation;Low Dropout;OCP;OVP;Power Good;SCP;Stable with Ceramic Capacitor;UVP
Package Type WQFN4x4-32 WQFN4x4-32

關鍵特性

  • Input Supply Voltage Range : 2.8V to 5.5V

  • Three High-Efficiency Configurable Low-Voltage Buck Converters at Default Switching Frequency of 2MHz
    ► CH1 for ASIC Core Power :
    Output Current : 4A
    Output Voltages Programmable by REFIN Pin or 0.7V to 1.3V in 10mV/Step Via I2C
    ► CH2 for DDR Power :
    Output Current : 2A
    Output Voltages Programmable by FB2 Pin
    ► CH3 for Flash I/O Power :
    Output Current : 2A
    Output Voltages Programmable by FB3 Pin

  • One LDO of Low Quiescent Current
    ► LDO for Analog and PHY Power :
    Output Current : 300mA
    Output Voltages Programmable by FB4 Pin

  • Gate Control for External N-MOSFET Against Inrush Current from Power Input

  • Internal Soft-Start and Current Limit Protection for CH1 to CH3 and LDO

  • STANDBY Pin for Sleep Mode Control

  • Two Output Pins to Control External Regulators/ Switches

  • One Input Pin to Sense External Regulators/ Switches Output Voltage

  • High-Speed Mode I2C Interface for CH1 Output Voltage Programming

  • PGOOD Indicator for VSYS, CH1 to CH3, and LDO Output Voltages Monitoring

  • RST_L Indicator for Reset Condition of VSYS

  • Power-On Sequence Control During Start-up

  • Over-Voltage Protection (OVP), Under-Voltage Protection (UVP), Under-Voltage Lockout (UVLO), and Thermal Shutdown Protection

  • Small 32-Lead WQFN Package