RTQ2106-QA

36V, 3A, 2.1MHz高效低耗同步Buck轉換器

RTQ2106-QA
New Hot

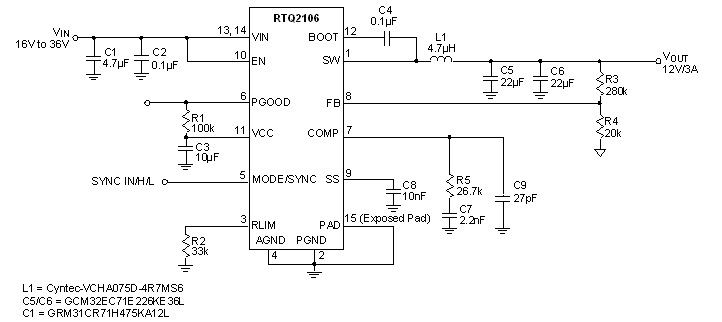
RTQ2106是針對汽車應用開發的高效低耗、電流模式同步Buck轉換器,負載能力為3A,可在3V至36V輸入電壓範圍內工作,可抵抗高達42V的拋負載瞬態衝擊,使輸入端的衝擊保護設計得以簡化。RTQ2106的可輸出電壓範圍為0.8V至VIN,靜態耗電低,集成了低RDS(ON)的功率MOSFET,可在很寬的負載範圍內獲得高效特性。它使用峰值電流控制模式和簡潔的內部補償方式,容許使用小型電感,具有快速的瞬態回應速度和很好的環路穩定性。
它具有超低的最短導通時間參數,即使在降壓比很高的情形下使用也能保持工作頻率穩定不變。對於開關雜訊敏感應用,可在300kHz至2200kHz之間進行外部同步。它內建了擴展頻譜調製模式,可説明設計者很好地處理EMC問題。
RTQ2106具有完備的保護特性,如輸入欠壓鎖定保護、輸出欠壓保護、過流保護和過熱保護等。它所具有的逐週期過流保護特性可以很好地應對輸出短路的情形,還有軟起動特性可避免啟動期間的輸入電流衝擊問題。RTQ2106的封裝形式為帶有外露式焊盤的TSSOP-14。

應用

  • 汽車電子系統
  • 車用攝像機模組和汽車駕駛艙系統
  • 汽車互聯系統
  • 分散式電源系統中的負載點穩壓器
  • 數位機上盒
  • 寬頻通訊系統

主要規格

RTQ2106-QA
Status Active
Vin (min) (V) 3
Vin (max) (V) 36
Number of Outputs 1
Vout (min) (V) 0.8
Vout (max) (V) 36
Output Adj. Method Resistor
Iout (max) (A) 3
Current Limit (typ) (A) 2.2;5.5
Freq (typ) (kHz) 2100
Ext Sync Yes
Ron_HS (typ) (mOhm) 90
Ron_LS (typ) (mOhm) 90
Iq (typ) (mA) 0.04
Features 100% Duty Cycle;AEC-Q100;Adjustable Current Limit;Adjustable Soft-Start;Current Mode Control;Cycle-by-Cycle Current Limit;Enable Input;External Synchronization;Low Dropout;OCP;OTP;OVP;PSM;Power Good;SCP;Selectable (PSM or PWM);Stable with Ceramic Capacitor;UVP
Package Type TSSOP-14(PP)

關鍵特性

  • 通過AEC-Q100 Grade 1認證

  • 寬輸入電壓範圍
    ►4V至36V
    ►3V至36V (軟起動結束後)

  • 寬輸出電壓範圍:0.8V至VIN

  • 最大負載能力:3A

  • 峰值電流模式控制架構

  • 集成90mΩ開關和同步整流器

  • 靜態耗電40μA

  • 開關最短導通時間為60ns

  • 開關最短截止時間為65ns

  • 可同步切換:300kHz至2.2MHz

  • 可選輕載PSM/FPWM工作模式

  • 內建頻譜擴展調製模式,優化EMI表現

  • 有Power Good指示功能

  • 有使能控制

  • 0.8V參考電壓精準度為±1.5%

  • 具備相鄰引腳短路保護功能

  • 內建欠壓鎖定保護、過流保護、輸出欠壓保護和過熱保護功能

RTQ2106GCP-QA
Package Type:TSSOP-14(PP)