電源管理中的可替換設計選擇指南
摘要
在電子產品的設計中,使用不同來源的相同元件可帶來很多好處,尤其在半導體元件供貨短缺時更為顯著,擁有多種貨源常常是生產線能夠正常運轉的救命稻草。本文的目的是想為使用立錡電源管理元件的讀者,提供在設計中能兼容多種貨源的指引和建議。
1.
概述
新冠疫情讓一個事實變得非常清楚,半導體供應鏈對供應端和需求端的突然變化都很敏感,可導致從消費品到汽車和工業領域的所有用戶,都面臨半導體在全球範圍內的短缺問題,許多公司不得不因為半導體元件供應不上而縮減產量甚至完全停止生產,也因此開始為他們所使用的元件尋找可替代的供應商,但這常常不是一件很容易的事情,因為新元件的導入常常需要修改 PCB 的設計,許多元件在引入以前還需要做大量的測試,而產線停產的壓力又持續存在。如果一開始就採用有多種來源的設計就會變得很有利,也就是說,PCB 設計可以同時兼顧不同的元件,元件驗證可採用多來源以替代單一來源的策略,本文將為多來源策略的電源管理系統設計,提供需要注意的指引和建議。
2.
低壓Buck轉換器的可替換設計

小電流、低電壓的Buck 轉換器常常被使用在以 5V 或 3.3V 為輸入、1.2V 或 1.0V 等電壓為輸出的應用中,它們的工作頻率通常是 1.5MHz 或 2.2MHz 等比較高的頻率,周遭元件的尺寸通常都很小,所用封裝則以 (T)SOT-23、DFN2x2-6L 或 SOT-563 等為最常見,其中的 DFN 封裝有比較好的熱性能,SOT-563 則有最小的尺寸。立錡科技在這個產品區間有很多型號可供選擇,但從可替換設計的角度來看,則以採用 ACOT® 控制架構的器件為最佳選擇,它們因為需要使用的外圍元件最少,讓你的選擇帶來最大的靈活性。
2.1. ACOT® Buck轉換器外圍元件的選擇考量
回授電路
回授電路的阻抗對 ACOT® Buck 轉換器的穩定性沒有影響,使用低阻或高阻電路都可以穩定工作。前饋電容 Cff 應該預留,它在某些情況下會變成必須的存在,詳情請看下文。如果其他供應商元件的控制架構和參考電壓相同,則很有可能兩個元件的反饋電阻相同。
電感量
通常按照電流紋波幅度為 IC 額定電流值的 20%~40% 來選擇電感量,其計算公式如下:

立錡ACOT® 架構容許在很寬的範圍內選擇電感量。較小的電感量可提升瞬態相應性能,而較大的電感量可帶來輸出紋波變小的效果,但也同時導致瞬態響應性能的下降。
輸出電容
按照規格書的推薦使用輸出電容值可獲得輸出紋波小、瞬態響應特性也好的結果。 ACOT® 架構的 Buck 轉換器的輸出電容可在很寬的範圍內作選擇,但在某些組合下就需要加入前饋電容 Cff 對迴路的響應進行調配,例如在輸出電容和電感量都很大、輸入電壓也很高時,就需要較大容量的 Cff,這可以通過使用能夠快速跳變的負載並對輸出電壓的響應,進行觀察來驗證,當你看到負載階躍所帶來的響應裡含有振鈴信號時,Cff 的值就應該增加了。關於此話題,更多的內容可參閱應用筆記 AN038:《怎樣利用快速瞬變負載測試DC/DC轉換器》。
2.2. 最大負載能力至1A 的低壓 BUCK 轉換器
下圖表示了負載能力達 1A 的幾個 ACOT® Buck 轉換器範例,RT5750A/BHGJ5、RT5750A/BHGJ6 和 RT5751A/BHGQW 的工作頻率都是 1.5MHz,沒有引出 Power Good 信號的 TSOT-23-5 是最常被用到的,取得第二貨源的可能性也最大。型號中的“A” 代表其工作模式為 PSM, “B” 則代表強制 PWM,由於低壓器件常常被使用在電池供電的場合,PSM 工作模式也最常被使用。

圖1
RT5750A/BHGJ5, RT5750A/BHGJ6, RT5751A/BHGQW與多個其他半導體製造商解決方案兼容。請聯繫離您最近的立錡銷售辦事處以獲取更多資訊。
下圖是採用 SOT-563 封裝的 1A ACOT® Buck 元件為例,RT5760 的工作頻率為 2.2MHz,使用可使用更小尺寸的外圍元件。某些與之相當的第二貨源將其 Vout 連接至引腳 6,這時候就可以用 RT5760C/DHGH6F 來予以替代,因為它的引腳 6 是沒有任何連接的。這個型號中的 “A” 和 “C” 代表其工作模式為 PSM,相應的 “B” 和 “D” 代表其工作模式為強制 PWM。

圖2
RT5760C/DHGH6F, RT5760A/BHGH6F 與多個其他半導體製造商解決方案兼容。請聯繫離您最近的立錡銷售辦事處以獲取更多資訊。
2.3. 最大負載能力達2A的低壓Buck轉換器
下圖是負載能力達 2A 的 ACOT® Buck 轉換器的範例, RT5752A/BHGJ5、RT5752A/BHGJ6 和 RT5752A/BHGQW 的工作頻率為 1.2MHz,型號中的“A”代表其工作模式為 PSM,“B”代表其工作模式為強制 PWM。

圖3
RT5752A/BHGJ6, RT5752A/BHGQW (Pin 1 = NC) 與多個其他半導體製造商解決方案兼容。請聯繫離您最近的立錡銷售辦事處以獲取更多資訊。
下圖採用 SOT-563 封裝的 2A ACOT® Buck 轉換器為例,RT5762 的工作頻率為 1.2MHz,某些與之相當的第二貨源將其 Vout 連接至引腳 6,遇到這種情形時可直接用 RT5762C/DHGH6F 予以替代,因為它的第 6 引腳沒有任何連接。型號中的“A” 和 “C” 代表其工作模式為 PSM, “B” 和 “D” 代表其工作模式為強制 PWM。

圖4
RT5762C/DHGH6F, RT5762A/BHGH6F與多個其他半導體製造商解決方案兼容。請聯繫離您最近的立錡銷售辦事處以獲取更多資訊。
3.
最高輸入為17V/18的Buck轉換器可替換設計

輸入電壓為 17V 或 18V 的 Buck 常被使用在 12V 輸入,來產生的電壓 5V、3.3V 等 SoC 核所需要的電壓,例如 1.2V、1.0V 等,所需的電流範圍可以是非常寬泛,但最常見的還是1A~3A的需求,這樣的應用條件常出現在消費類電子產品裡,使用晶核倒裝結構的 (T)SOT-23-6 封裝即可滿足其需求。而 PSOP-8 (SOIC-8) 封裝因具有更好的散熱性能,經常被工業類應用所使用。
立錡科技在此應用範圍裡,有很多好用的產品,從可替換設計的角度來看,新一代的 ACOT® Buck 在周遭元件選擇上具有很高的彈性,還是最適合的選擇。同時具有出色的瞬態響應特性,轉換效率也很高。
3.1. 高壓ACOT® Buck轉換器對外圍元件的需求
回授電路
與低壓Buck轉換器類似,回授電路的阻抗對工作電壓最高的 17V/18V 的 ACOT® Buck轉換器的穩定性並無太多影響,無論高低都能很好地工作。 前饋電容 Cff還是應該預留,有時候必須要存在。當Cff取值很大的時候 (>100pF),可能還需要在回授電路和 FB 引腳之間串接一個電阻RT (大約10kΩ,請見下圖),這樣做可以減少耦合到 FB 引腳的雜訊,這在某些雜訊較大的設計中,可以有改善輸出調節特性的效果,通過對工作在電流連續模式下的轉換器,施加脈衝負載並測量其輸出電壓下降的情況,可對此進行驗證。其他供應商所提供的 COT 架構元件也可能會有同樣的表現,所以預留 RT 對它們來說也有同樣的好處。
需要注意的是有些廠商的元件可能採用內建補償電路的電流模式控制架構,這樣一來回授電路的阻抗就必須仔細選擇,以實現對轉換器頻寬的選擇,有時候電阻 RT 也可以被用來對頻寬進行設定,遇到這樣的狀況時保留電阻 RT 就是必須的了。如果其他供應商元件的控制架構和 FB 參考電壓相同,則很可能兩個元件的反饋電阻相同。

圖5
電感量
一般而言,可以按照電流紋波幅度大約是 IC 額定電流值的 20%~40% 的範圍來選擇電感量,其計算公式如下:

ACOT® 架構的高壓 Buck 轉換器可在很寬的取值範圍內選擇電感量,電感量較小時轉換器的負載瞬態響應特性比較好,較大的電感量可以降低輸出紋波,相應的瞬態響應特性也會差一些。
輸出電容
按照規格書的推薦使用輸出電容值可獲得輸出紋波小、瞬態響應特性也好的結果。 ACOT® 架構的高壓 Buck 轉換器的輸出電容可在很寬的範圍內作選擇,但在某些組合下就需要加入前饋電容 Cff 對迴路的響應進行調配,例如在輸出電容和電感量都很大、輸入電壓也很高時就需要較大容量的 Cff,這可以通過使用能夠快速跳變的負載並對輸出電壓的響應進行觀察來進行驗證,當你看到負載階躍所帶來的響應裡含有振鈴信號時,Cff 的值就應該增加了,與低壓 Buck 轉換器是一樣的。關於此討論,更多的內容可參閱應用筆記AN038:《怎樣利用快速瞬變負載測試DC/DC轉換器》。
使能端 EN
立錡最新的高壓 ACOT® Buck 轉換器的使能端可以承受高電壓,直接將其與 VIN 連接在一起就可以實現自動啟動,但其他廠商的產品可能就只能承受較低的電壓,遇到這種情況時就應該給 EN 端連接上高阻值的電阻。為了實現可替換性的設計,建議在 EN 端到 VIN 端之間預留一個電阻以實現自動啟動 (請見下圖)。

圖6
自舉電容電路
高壓 Buck 轉換器的自舉電容存在的目的,是為了給上橋開關提供維持其導通的電源供應,在大多數情況下將一個電容連接在 BOOT 端和 開關節點 (SW) 之間就可以了,在 EMI 問題比較嚴重的應用中,就需要給自舉電容串聯上一個電阻來降低上橋開關導通的速度。元件的來源不同,上橋開關的切換速度也不同,所以建議要給自舉電容預留串聯電阻的位置,使用不同元件時通過對電阻阻值的調整就可以獲得大致相同的開關切換速度。

圖7
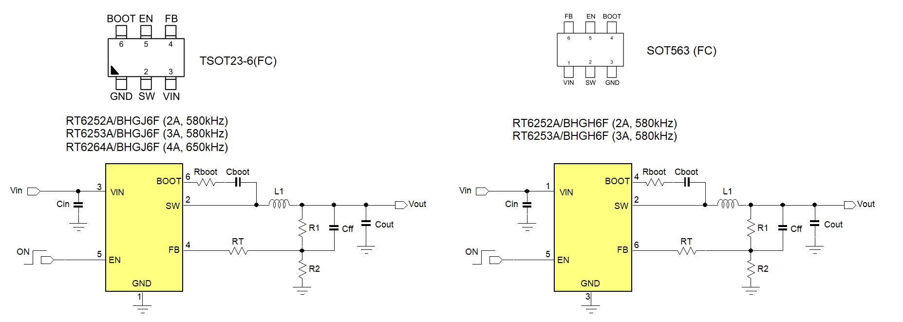
3.2. 使用小封裝、負載能力2A~4A
17V/18V BUCK 轉換器
下圖顯示了新一代 ACOT® 17V/18V 額定 2A、3A 和 4A 元件。 (T)SOT23-6是最受歡迎的封裝,多家供應商為這些元件提供相同的引腳排列,非常適合多源設計。 SOT563 封裝的面積更小,但散熱性能稍差。所有這些元件都採用倒裝芯片封裝技術,這意味著所有 IC 引腳都與晶片連接,因此所有引腳都可以將熱能從晶片傳導到 PCB。 “A”版本具有 PSM 模式,而“B”版本是 Force-PWM。以下建議的應用圖可用於具有通用 PCB 佈局的多源設計。

圖 8
RT6252A/BHGJ6F, RT6253A/BHGJ6F, RT6252A/BHGH6F, RT6253A/BHGH6F, RT6264A/BHGJ6F與多個其他半導體製造商解決方案兼容。請聯繫離您最近的立錡銷售辦事處以獲取更多資訊。
4.
24V/36V 低電流Buck轉換器

工業應用通常需要將未穩壓的 12V 或 24V 電源轉換為較低電壓的低電源軌,例如為小型 MCU 或感應器供電。在這種情況下,通常使用額定 24V 或 36V 的降壓轉換器元件。
較新的同步型元件適用於此範圍的輸入電壓,但非同步元件仍然很受歡迎,因為外部肖基二極體的開關切換損耗非常低,在中等電流水平下,肖基二極體的正向傳導損耗幾乎與同步型元件低端 MOSFET的損耗相同。幾家供應商提供採用 (T)SOT23-6 封裝的降壓轉換器解決方案,在該範圍內具有相同的引腳排列。
4.1. 用於 24V/36V 低電流Buck轉換器的外部組件
在較高輸入電壓的應用中,應用佔空比 (duty-cycle) 可以有更寬的範圍。電流模式控制架構適用於高佔空比應用,因此具有內部補償的電流模式最適合在此領域。這類元件有兩種架構:GM 型誤差放大器 (下圖左) 和 Opamp 型誤差放大器 (下圖右)。

圖9
GM 型誤差放大器補償線路連接到 IC 的接地端。誤差放大器增益是由內部 RCOMP 電阻器決定,所以是固定的無法更改。而反饋電路阻抗不影響控制迴路增益,可以自由選擇。這種設計在輸出電容值方面的靈活性較低。
運算放大器型的誤差放大器補償線路,是連接在誤差放大器和反饋引腳之間。誤差放大器的增益取決於內部 RCOMP 電阻器和外部反饋電阻器 R1,因此可以通過變化 R1 值來改變。這意味著反饋電路阻抗會將在控制環路增益中發揮作用,這種設計使得輸出電容在選擇方面具有更大的靈活性。
反饋線路
在設計反饋線路時,首先應檢查使用了哪種誤差放大器配置。對於運算放大器型的誤差放大器,控制環路的單位增益頻率 (unity gain frequency) FC 由下面公式表示:
(以 RT8259 為例,GCS = 2A/V;以 RT6200 為例,GCS = 1.1A/V;一般取 FC ≈ 0.1*FSW。)
當使用不同的輸出電容時,可能需要調整 R1 值,設定單位增益頻率在正確的點(開關切換頻率的 10% 左右)。在多種來源的設計中,不管是哪一個供應商的產品,都應該檢查此項目。有關電流模式穩定性方面的更多資訊,請參閱:怎樣利用快速瞬變負載測試DC/DC轉換器。
一些供應商建議增加一個前饋電容Cff與反饋電阻並聯,來增高一些額外的相位。設計者可以為多來源設計保留這個組件。
電感值
通常,電流模式轉換器的電感值,是根據 IC 額定電流 20~40% 左右的電流紋波來決定的,公式如下:

如果電感值太小,可能會導致功率損耗增加以及造成次諧波切換,這是因為斜率補償/電流紋波比太小。而如果斜率補償/電流紋波比太大,也就是電感值太大的形況下,可能會導致相位裕度差。
輸出電容
輸出電容值將影響輸出電壓紋波、負載瞬態驟降/飆升,和轉換器交叉頻率。尤其是後者需要仔細檢查。由於交叉頻率過高,輸出電容過小會導致不穩定。對於運算放大器類型的誤差放大器配置,應增加反饋電路的阻抗,以降低誤差放大器增益。
對於 GM 型誤差放大器,輸出電容值可能需要保持在一定範圍內才能保持穩定。
肖特基二極管
對於低電流非同步降壓轉換器,外部肖基二極體的選擇不是很關鍵:電壓額定值必須高於最大輸入電壓,電流額定值通常選擇大於最大負載電流。

圖10
自舉電路
一些供應商的元件需要一個外部二極管,才能為 IC 的自舉電源提供 3.3V ~ 5V 的電源,來驅動內部上側 MOSFET。對於包括立錡在內的其他供應商,建議只有在開關佔空比大於 65% 的情況下,才使用這種外部自舉電源 (上見圖)。對於降壓至 3.3V ~ 5V 電源的應用,Vboost 可以直接來自輸出電壓。而對於較低或較高電壓的電源,Vboost 可以通過齊納箝位 (Zener clamp) 從輸入或輸出的電壓獲得。
4.2. 24V/36V 1.2A和0.6A電流模式Buck轉換器
下圖顯示了立錡 24V 和 36V 額定元件,用於中等電流水平的降壓解決方案。立錡元件採用運算放大器型誤差放大器,補償器增益可通過反饋電路的阻抗進行調整。通常不需要 Cff 和外部自舉電源。如果是自動啟動,EN 引腳可以懸空。下圖的 3.3V ~ 5V 輸出範例可用於多源設計。

圖11
RT8259GE, RT8259GJ5, RT6200GE與多個其他半導體製造商解決方案兼容。請聯繫離您最近的立錡銷售辦事處以獲取更多資訊。
5.
42V 和60V工業用與車用應用的Buck轉換器

42V 和 60V 額定電壓的降壓轉換器通常用於工業和汽車應用,這些應用要求寬輸入電壓範圍、可調節頻率、寬佔空比能力,以及具有良好熱性能的封裝,讓它們可以在更高的環境溫度下工作。這些元件通常使用可與外部時鐘信號同步的電流模式控制迴路。使用外部補償以應用在各種輸出電容器。
許多電源 IC 供應商並未涵蓋這種更高電壓的降壓轉換器部分,所以在不同供應商之間找到引腳兼容的元件並不容易。然而,我們確實看到這一應用領域也需要多來源採購,即使是汽車客戶也開始在半導體短缺時期看到多來源設計的價值。為滿足這一需求,立錡開發了一系列 42V 和 60V 非同步降壓轉換器元件,額定電流從 0.5A 到 5A,適用於消費、工業和汽車范圍,也與其他 IC 供應商引腳相容。
表 1 顯示了 42V 和 60V 額定降壓轉換器的全系列元件。
|
型號
|
輸入電壓範圍
|
負載
能力
|
工作頻率
可調範圍
|
外部補償
|
外部可調軟啟動
|
PG指示
|
頻譜擴展和AEC-Q100 認證
|
封裝
|
引腳相容的第二貨源
|
|
產品等級:RT63xx = 商用,RTQ63xx = 工業級,輸入電壓最高 42V
|
|
RT(Q)6340GSP
|
4.5 ~ 42V
|
0.5A
|
0.1 ~ 2.5MHz
|
Yes
|
No
|
No
|
No
|
PSOP-8
|
-
|
|
RT(Q)6340GQW
|
4.5 ~ 42V
|
0.5A
|
0.1 ~ 2.5MHz
|
Yes
|
Yes
|
Yes
|
No
|
DFN10L 3x3
|
Yes
|
|
RT(Q)6341GSP
|
4.5 ~ 42V
|
1.5A
|
0.1 ~ 2.5MHz
|
Yes
|
No
|
No
|
No
|
PSOP-8
|
-
|
|
RT(Q)6341GQW
|
4.5 ~ 42V
|
1.5A
|
0.1 ~ 2.5MHz
|
Yes
|
Yes
|
Yes
|
No
|
DFN10L 3x3
|
Yes
|
|
RT(Q)6342GSP
|
4.5 ~ 42V
|
2.5A
|
0.1 ~ 2.5MHz
|
Yes
|
No
|
No
|
No
|
PSOP-8
|
-
|
|
RT(Q)6342GQW
|
4.5 ~ 42V
|
2.5A
|
0.1 ~ 2.5MHz
|
Yes
|
Yes
|
Yes
|
No
|
DFN10L 3x3
|
Yes
|
|
RT(Q)6343GSP
|
4.5 ~ 42V
|
3.5A
|
0.1 ~ 2.5MHz
|
Yes
|
No
|
No
|
No
|
PSOP-8
|
Yes
|
|
RT(Q)6343GQW
|
4.5 ~ 42V
|
3.5A
|
0.1 ~ 2.5MHz
|
Yes
|
Yes
|
Yes
|
No
|
DFN10L 4x4
|
Yes
|
|
RT(Q)6345GSP
|
4.5 ~ 42V
|
5A
|
0.1 ~ 2.5MHz
|
Yes
|
No
|
No
|
No
|
PSOP-8
|
Yes
|
|
RT(Q)6345GQW
|
4.5 ~ 42V
|
5A
|
0.1 ~ 2.5MHz
|
Yes
|
Yes
|
Yes
|
No
|
DFN10L 4x4
|
Yes
|
|
產品等級:RT63xx = 商用,RTQ63xx = 工業級,輸入電壓最高 60V
|
|
RT(Q)6360GSP
|
4.5 ~ 60V
|
0.5A
|
0.1 ~ 2.5MHz
|
Yes
|
No
|
No
|
No
|
PSOP-8
|
-
|
|
RT(Q)6360GQW
|
4.5 ~ 60V
|
0.5A
|
0.1 ~ 2.5MHz
|
Yes
|
Yes
|
Yes
|
No
|
DFN10L 3x3
|
Yes
|
|
RT(Q)6361GSP
|
4.5 ~ 60V
|
1.5A
|
0.1 ~ 2.5MHz
|
Yes
|
No
|
No
|
No
|
PSOP-8
|
-
|
|
RT(Q)6361GQW
|
4.5 ~ 60V
|
1.5A
|
0.1 ~ 2.5MHz
|
Yes
|
Yes
|
Yes
|
No
|
DFN10L 3x3
|
Yes
|
|
RT6362GFP
|
4.5 ~ 60V
|
2.5A
|
0.1 ~ 2.5MHz
|
Yes
|
Yes
|
Yes
|
No
|
MSOP-10
|
Yes
|
|
RT(Q)6362GSP
|
4.5 ~ 60V
|
2.5A
|
0.1 ~ 2.5MHz
|
Yes
|
No
|
No
|
No
|
PSOP-8
|
-
|
|
RT(Q)6362GQW
|
4.5 ~ 60V
|
2.5A
|
0.1 ~ 2.5MHz
|
Yes
|
Yes
|
Yes
|
No
|
DFN10L 3x3
|
Yes
|
|
RT(Q)6363GSP
|
4.5 ~ 60V
|
3.5A
|
0.1 ~ 2.5MHz
|
Yes
|
No
|
No
|
No
|
PSOP-8
|
Yes
|
|
RT(Q)6363GQW
|
4.5 ~ 60V
|
3.5A
|
0.1 ~ 2.5MHz
|
Yes
|
Yes
|
Yes
|
No
|
DFN10L 4x4
|
Yes
|
|
RT(Q)6365GSP
|
4.5 ~ 60V
|
5A
|
0.1 ~ 2.5MHz
|
Yes
|
No
|
No
|
No
|
PSOP-8
|
Yes
|
|
RT(Q)6365GQW
|
4.5 ~ 60V
|
5A
|
0.1 ~ 2.5MHz
|
Yes
|
Yes
|
Yes
|
No
|
DFN10L 4x4
|
Yes
|
|
通過 AEC-Q100 認證的產品,輸入電壓最高 42V
|
|
RTQ2940GSP
|
4.5 ~ 42V
|
0.5A
|
0.1 ~ 2.5MHz
|
Yes
|
No
|
No
|
Yes
|
PSOP-8
|
-
|
|
RTQ2940GQW
|
4.5 ~ 42V
|
0.5A
|
0.1 ~ 2.5MHz
|
Yes
|
Yes
|
Yes
|
Yes
|
DFN10L 3x3
|
Yes
|
|
RTQ2941GSP
|
4.5 ~ 42V
|
1.5A
|
0.1 ~ 2.5MHz
|
Yes
|
No
|
No
|
Yes
|
PSOP-8
|
-
|
|
RTQ2941GQW
|
4.5 ~ 42V
|
1.5A
|
0.1 ~ 2.5MHz
|
Yes
|
Yes
|
Yes
|
Yes
|
DFN10L 3x3
|
Yes
|
|
RTQ2942GSP
|
4.5 ~ 42V
|
2.5A
|
0.1 ~ 2.5MHz
|
Yes
|
No
|
No
|
Yes
|
PSOP-8
|
-
|
|
RTQ2942GQW
|
4.5 ~ 42V
|
2.5A
|
0.1 ~ 2.5MHz
|
Yes
|
Yes
|
Yes
|
Yes
|
DFN10L 3x3
|
Yes
|
|
RTQ2949GSP
|
4.5 ~ 42V
|
3A
|
0.1 ~ 2.5MHz
|
Yes
|
No
|
No
|
Yes
|
PSOP-8
|
Yes
|
|
RTQ2949AGSP
|
4.5 ~ 42V
|
3A
|
0.1 ~ 2.5MHz
|
Yes
|
No
|
No
|
Yes
|
PSOP-8
|
Yes
|
|
RTQ2943GSP
|
4.5 ~ 42V
|
3.5A
|
0.1 ~ 2.5MHz
|
Yes
|
No
|
No
|
Yes
|
PSOP-8
|
Yes
|
|
RTQ2943GQW
|
4.5 ~ 42V
|
3.5A
|
0.1 ~ 2.5MHz
|
Yes
|
Yes
|
Yes
|
Yes
|
DFN10L 4x4
|
-
|
|
RTQ2945GSP
|
4.5 ~ 42V
|
5A
|
0.1 ~ 2.5MHz
|
Yes
|
No
|
No
|
Yes
|
PSOP-8
|
Yes
|
|
RTQ2945GQW
|
4.5 ~ 42V
|
5A
|
0.1 ~ 2.5MHz
|
Yes
|
Yes
|
Yes
|
Yes
|
DFN10L 4x4
|
-
|
|
RTQ2945AGSP
|
4.5 ~ 42V
|
5A
|
0.1 ~ 2.5MHz
|
Yes
|
No
|
No
|
Yes
|
PSOP-8
|
Yes
|
|
通過 AEC-Q100 認證的產品,輸入電壓最高 60V
|
|
RTQ2960GSP
|
4.5 ~ 60V
|
0.5A
|
0.1 ~ 2.5MHz
|
Yes
|
No
|
No
|
Yes
|
PSOP-8
|
-
|
|
RTQ2960GQW
|
4.5 ~ 60V
|
0.5A
|
0.1 ~ 2.5MHz
|
Yes
|
Yes
|
Yes
|
Yes
|
DFN10L 3x3
|
Yes
|
|
RTQ2961GSP
|
4.5 ~ 60V
|
1.5A
|
0.1 ~ 2.5MHz
|
Yes
|
No
|
No
|
Yes
|
PSOP-8
|
-
|
|
RTQ2961GQW
|
4.5 ~ 60V
|
1.5A
|
0.1 ~ 2.5MHz
|
Yes
|
Yes
|
Yes
|
Yes
|
DFN10L 3x3
|
Yes
|
|
RTQ2962GSP
|
4.5 ~ 60V
|
2.5A
|
0.1 ~ 2.5MHz
|
Yes
|
No
|
No
|
Yes
|
PSOP-8
|
-
|
|
RTQ2962GQW
|
4.5 ~ 60V
|
2.5A
|
0.1 ~ 2.5MHz
|
Yes
|
Yes
|
Yes
|
Yes
|
DFN10L 3x3
|
Yes
|
|
RTQ2963GSP
|
4.5 ~ 60V
|
3.5A
|
0.1 ~ 2.5MHz
|
Yes
|
No
|
No
|
Yes
|
PSOP-8
|
Yes
|
|
RTQ2963GQW
|
4.5 ~ 60V
|
3.5A
|
0.1 ~ 2.5MHz
|
Yes
|
Yes
|
Yes
|
Yes
|
DFN10L 4x4
|
-
|
|
RTQ2965GSP
|
4.5 ~ 60V
|
5A
|
0.1 ~ 2.5MHz
|
Yes
|
No
|
No
|
Yes
|
PSOP-8
|
Yes
|
|
RTQ2965GQW
|
4.5 ~ 60V
|
5A
|
0.1 ~ 2.5MHz
|
Yes
|
Yes
|
Yes
|
Yes
|
DFN10L 4x4
|
-
|
表1
如需要替代元件料號的完整列表,請聯繫離您最近的立錡銷售辦公室處或業務。
有關應用的相關內容,請參閱應用筆記 AN063。
哪些封裝適合引腳相容的替換來源?
從表 1 可以看出,DFN10L-3x3 封裝中的 0.5A、1.5A 和 2.5A 元件具有引腳相容的替換來源。對於 3.5A 和 5A 元件,有 PSOP-8 和 DFN10L-4x4 封裝中,引腳相容的替換來源。對於 60V / 2.5A 元件,包裝為MSOP-10 的 RT6362GFP 也有一個 P2P 替換元件。下圖顯示了可用於多來源設計的不同封裝和應用原理圖。

圖12
汽車應用對設計的要求非常高。立錡 RTQ29xx 系列具有汽車設計的特殊功能: 例如接近 100% 的佔空比操作、從一般模式到退出 (drop-out) 模式的平順過渡操作,以及用於減少 EMI 輻射的展頻頻率抖動。這些元件已經在各種汽車應用中進行了測試,可以成功地用作替換來源,在許多情況下也不需更改外部元件。
6.
線性穩壓器的可替換設計
6.1. 低電壓、小功率的線性穩壓器
小型低壓線性穩壓器常常被使用在從 5V 降壓到 3.3V、2.5V、1.8V 等應用場合,流過的電流通常都比較小。在這樣的情形下,(T)SOT23 封裝是最常被用到的。 TSOT23 封裝的高度比較低,但其占位尺寸和 SOT-23 是相同的。
哪個封裝引腳?
下圖所示 SOT23-5 或 TSOT-23-5 的線性穩壓器的引腳配置是最常見的,很多半導體元件供應商都有類似產品可以提供,圖中所示 RT9078 和 RT9080 的負載能力分別可達 300mA 和 600mA。

圖13
RT9078-xxGJ5/RT9080-xxGJ5, RT9078N-08GJ5/RT9080N-08GJ5與多個其他半導體製造商解決方案兼容。請聯繫離您最近的立錡銷售辦事處以獲取更多資訊。
採用這種封裝和引腳配置的元件在使用上具有很高的靈活性,使能端 EN 可用來控制輸出的有無,只要將它和 VIN 連接在一起就可以在輸入電壓加上以後,自動實現其啟動過程。輸出電壓固定版的引腳 4 是懸空無連接的,而這個引腳在輸出電壓可調版本上,就變成了反饋端或監測端,只需外接兩隻反饋電阻就可以獲得自己想要的輸出電壓。
選擇固定輸出還是可調輸出?
選擇固定輸出電壓的線性穩壓器可以節省兩隻電阻器,但在遇到供應短缺的情況時某些固定電壓的版本就可能不是那麼容易獲得了,因此輸出電壓可調的版本也是十分常見的選擇。進行 PCB 設計時給兩隻電阻預留位置可給設計帶來最大的靈活性,因為兩種類型的元件都可以用得起來。選擇固定輸出的元件時最明智的選擇是,只要選擇最常用的電壓版本,如 3.3V、2.5V、1.8V、1.5V 或 1.2V,因為它們是最容易從眾多供應商中找到貨源的電壓版本。
電池供電時的選擇策略
在電池供電的應用中,最好選擇固定輸出電壓的元件,因為反饋電阻的存在會增加電池電能的消耗,靜態耗電 (IQ) 低的線性穩壓器則是這種情況下的最佳選擇,符合此需求的常用封裝是 ZQFN1x1 的 (可替代的封裝名稱有 X2SON 或 SOT1194-1),提供這種封裝的供應商至少有三家,下圖是採用這種封裝的產品範例,其中列出的是具有 250mA 負載能力的 RT9073A,屬於 IQ 很低的產品。

圖14
RT9073A-xxGQZ與多個其他半導體製造商解決方案兼容。請聯繫離您最近的立錡銷售辦事處以獲取更多資訊。
PSRR要多大才夠?
如果線性穩壓器工作在輸入有很多雜訊但輸出卻要求很乾淨的應用,PSRR 就會變成一個很重要的參數。大多數低壓線性穩壓器對頻率高達 10kHz 的低頻信號有約 70dB 的抑制能力,但要想將以開關模式工作的前置電壓轉換器所產生的雜訊濾除掉,就需要線性穩壓器具有更大的帶寬,這種需求在短缺的時可能就不容易得到滿足了,解決這個問題的一個小技巧是可以在線性穩壓器的前面放一個小磁珠 (bead),讓它和穩壓器必須要用的輸入電容一起形成一個低通濾波器把前面產生的開關噪聲濾除掉,這樣就可以使用普通的線性穩壓器來代替前述具備特殊能力的元件了。

圖15
6.2. 中等電壓、小功率的線性穩壓器
工業應用常常用到輸入電壓可達 36V 的線性穩壓器來為 MCU 或傳感器等提供電源,這樣的場合 SOT23-5 封裝也是很常見的。下圖所示的 RT9069 最高可以承受 36V 輸入電壓,負載能力可達 200mA,同時兼具低 IQ 和使能控制輸入,具備這些能力並採用同樣封裝的元件也有很多來源,這種元件的最常用輸出電壓版本是 3.3V 和 5V。

圖16
RT9069-xxGB與多個其他半導體製造商解決方案兼容。請聯繫離您最近的立錡銷售辦事處以獲取更多資訊。
由於這些較高電壓的低電流 LDO 通常用作 Always ON 電源,因此不具有Enable 的三引腳封裝也很受歡迎。 立錡採用 SOT23-3 封裝的 RT9058-xxGV 是很受歡迎的元件,雖然引腳排列與其他廠商的元件不同。
但是,可以很容易地採用PCB佈局來規劃兩種不同的封裝在同個電路板上,如下圖所示。

圖17
RT9058-xxGV可與多個半導體製造商解決方案使用相同佈局。請聯繫離您最近的立錡銷售辦事處以獲取更多資訊。
6.3. 高電壓、小功率的線性穩壓器
有些工業應用會用 48V 電源供電,這時就需要使用具備更高輸入電壓耐受能力的線性穩壓器。 RT9068 是常用的 60V/50mA 線性穩壓器,它有輸出電壓可調和固定的版本,封裝是非常通用的帶有裸露式散熱焊盤的 SOP-8 (亦稱為 SOIC),因而具有非常好的散熱性能,下圖顯示它的封裝形式和輸出電壓可調和固定的應用電路。

圖18
遺憾的是能夠工作到 60V 電壓下的元件並不多,很難在市場上找到 P2P 兼容的第二貨源,這時候的可替代性設計就要採用能夠兼容不同封裝和引腳定義的 PCB 設計了,同時也需要多考慮一下其它問題。首先要檢查使能/關機信號的極性,RT9068 的 SHDN 端需要用低電位來使能元件,其他廠家的貨源可能使用的是高電位信號。 RT9068 可以與 ESR 即串聯等效電阻很低的陶瓷電容配合穩定工作,只要電容有效值大於等於 1mF 就可以了,其他廠商的元件或許需要使用 ESR 比較大的輸出電容才能穩定,需要區別對待。關於反饋網絡,最明智的選擇應該是針對輸出電壓可調的版本進行預留,有些廠商的元件還需要一顆前饋電容與 R1 並聯來確保穩定工作,因此也最好預留其位置。帶有裸露式散熱焊盤的 SOP-8 封裝具有 1W 左右的功率耗散能力,在普通多層板上可將熱量引導至其他層散熱,如果是其他封裝可能就會差一點,請仔細比較後再作定奪。
7.
總結
對於降壓轉換器和 LDO 等通用電源管理元件,設計者很常從不同的 IC 供應商選擇同樣功能的元件,以應用在相同PCB佈局,有時甚至不需更改任何其他周遭元件。然而,設計者必須一一檢查不同的 IC 供應商,以找到適合的相容產品。這篇應用筆記,就是探討在不同控制架構下和眾多封裝版本中,如何容易進行多來源替換設計。立錡除了自訂的封裝和IC引腳配置,也推出多款引腳兼容的元件,以實現輕鬆替換設計,幫助客戶快速地找到合適的備用解決方案,以減少缺料時的物流風險。
除了本應用筆記中描述的降壓轉換器和 LDO 解決方案以外,立錡也為降壓-升壓轉換器、USB 電源開關、DDR 終端器、電池充電器等提供多來源替換元件。您可以使用立錡網站上的交叉參考工具,只要輸入您的 IC 供應商名稱以及型號,即可查看是否有引腳兼容的立錡元件。當然,在為您的多來源替換電源設計選擇元件的同時,您也可以聯繫您當地的立錡銷售辦公室或業務代表。
