loading

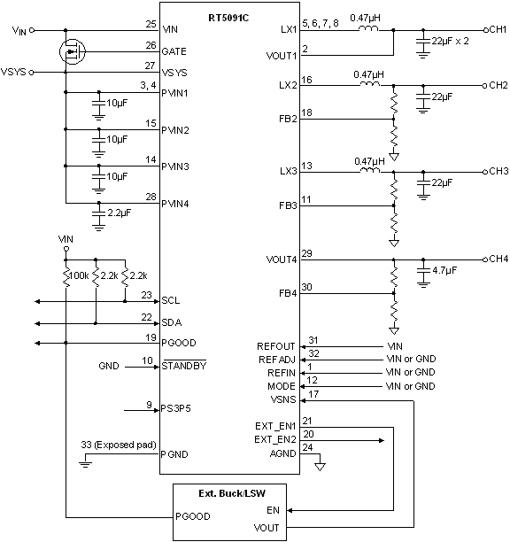
The RT5091C is a total power management solution for SSDs (Solid State Drive) with dedicated input supply voltages of 3.3V or 5V. The RT5091C incorporates three high-efficiency synchronous buck regulators and one LDO that deliver several output voltages from a single power source. This provides flexibility to support applications of different VIDs with a regulated power-on sequence.

The RT5091C can provide configurable output voltages to supply ASIC core, DDR, Flash I/O, and PHY. With a dedicated I2C interface, it supports dynamic voltage scaling (DVS), and PS3.5/PS4 power states for minimized standby power consumption.

Applications

  • Solid State Drives
Key Spec.
RT5091C
Status Last Time Buy 
Vin (min) (V) 2.8
Vin (max) (V) 5.5
Number of Channels 6
Number of Buck Converters 3
Number of Boost Converters 0
Number of Negative Outputs 0
Number of LED Drivers 0
Number of LDO Regulators 1
Application SSD
Features Built-in Bootstrap Switch;COT Control;Current Mode Control;Cycle-by-Cycle Current Limit;Diode Emulation Mode;Fast Transient Response;High PSRR;I2C;Internal Compensation;Low Dropout;OCP;OVP;Power Good;SCP;Stable with Ceramic Capacitor;UVP
Package Type WQFN4x4-32
Outline Dimension, Footprint, Drawing Download
Features
  • Input Supply Voltage Range : 2.8V to 5.5V
  • Three High-Efficiency Configurable Low-Voltage Buck Converters at Default Switching Frequency of 2MHz
    ► CH1 for ASIC Core Power :
    Output Current : 4A

    Output Voltages Programmable by REFIN Pin or 0.7V to 1.3V in 10mV/Step Via I2C
    ► CH2 for DDR Power :

    Output Current : 2A

    Output Voltages Programmable by FB2 Pin
    ► CH3 for Flash I/O Power :
    Output Current : 2A
    Output Voltages Programmable by FB3 Pin

  • One LDO of Low Quiescent Current
    ► LDO for Analog and PHY Power :
    Output Current : 300mA
    Output Voltages Programmable by FB4 Pin
  • Gate Control for External N-MOSFET Against Inrush Current from Power Input
  • Internal Soft-Start and Current Limit Protection for CH1 to CH3 and LDO
  • STANDBY and PS3P5 Pins for PS3.5 and PS4 Power States Control
  • Two Output Pins to Control External Regulators/ Switches
  • One Input Pin to Sense External Regulators/ Switches Output Voltage
  • High-Speed Mode I2C Interface for CH1 Output Voltage Programming
  • PGOOD Indicator for VSYS, CH1 to CH3, and LDO Output Voltages Monitoring
  • Power-On Sequence Control During Start-up
  • Over-Voltage Protection (OVP), Under-Voltage Protection (UVP), Under-Voltage Lockout (UVLO), and Thermal Shutdown Protection
  • Small 32-Lead WQFN Package

Datasheet
TitleVersionLast UpdateDownload
RT5091C: Power Management Unit Total Power Solution for SSDInitial Release2019/03/18
Technical Documents
TitleItem TypeLast UpdateDownload
Richtek Product Selection Guide [Jan., 2026] Selection Guide2026/01/12
TOP