loading

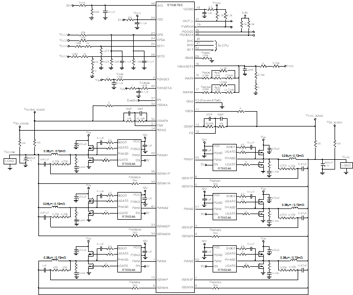
The RT3667BE is a 4 + 2 phases PWM controller, and is compliant with AMD SVI2 Voltage Regulator Specification to support both CPU core (VDD) and Northbridge portion of the CPU (VDDNB). The RT3667BE features CCRCOT (Constant Current Ripple Constant On-Time) with the
G-NAVP (Green-Native AVP), which is Richtek's proprietary topology. The G-NAVP makes it an easy setting controller to meet all AMD AVP (Active Voltage Positioning) VDD/VDDNB requirements. The droop is easily programmed by setting the DC gain of the error amplifier. With proper compensation, the load transient response can achieve optimized AVP performance. The controller also uses the interface to issue VOTF Complete and to send digitally encoded voltage and current values for the VDD and VDDNB domains. It can operate in single phase and diode emulation mode and reach up to 90% efficiency in different modes according to different loading conditions. The RT3667BE provides special purpose offset capabilities by pin setting. The RT3667BE also provides power good indication, over-current indication (OCP_L) and dual OCP mechanism for AMD SVI2 CPU core and NB. It also features fault protection functions, including over-voltage, under voltage and negative voltage protections.

Applications

  • AMD SVI2 CPU
  • Desktop Computer
Key Spec.
RT3667BE
Status Active
VID Table Support SVI2
Number of Phases 2;4
Vcc (typ) (V) 5
Vin (min) (V) 10.8
Vin (max) (V) 13.2
Accuracy (Vout>=1V) (+/- %) 0.5
Freq (typ) (kHz) 400
Built-in DAC Generator Yes
Number of MOSFET Drivers 0
Features Adjustable Frequency;DCR Current Sense;Diode Emulation Mode;Droop Control;Enable Input;Fast Transient Response;G-NAVP Control;OCP;OVP;Power Good;SCP;UVP
Package Type WQFN6x6-52
Outline Dimension, Footprint, Drawing Download
Features
  • 4/3/2/1-Phase (VDD) + 2/1/0-Phase (VDDNB) PWM Controller
  • G-NAVPTM Topology
  • Support Dynamic Load-Line and Zero Load-Line
  • Diode Emulation Mode at Light Load Condition
  • SVI2 Interface to Comply AMD Power Management Protocol
  • Build-In ADC for VOUT and IOUT Reporting
  • Immediate OV, UV and NV Protections and UVLO
  • Programmable Dual OCP Mechanism
  • 0.5% DAC Accuracy
  • Fast Transient Response
  • Power Good Indicator
  • Over-Current Indicator
  • 52-Lead WQFN Package
Technical Documents
TitleItem TypeLast UpdateDownload
Introduction to Richtek VCORE Solutions App. Note2017/05/31
TOP