loading

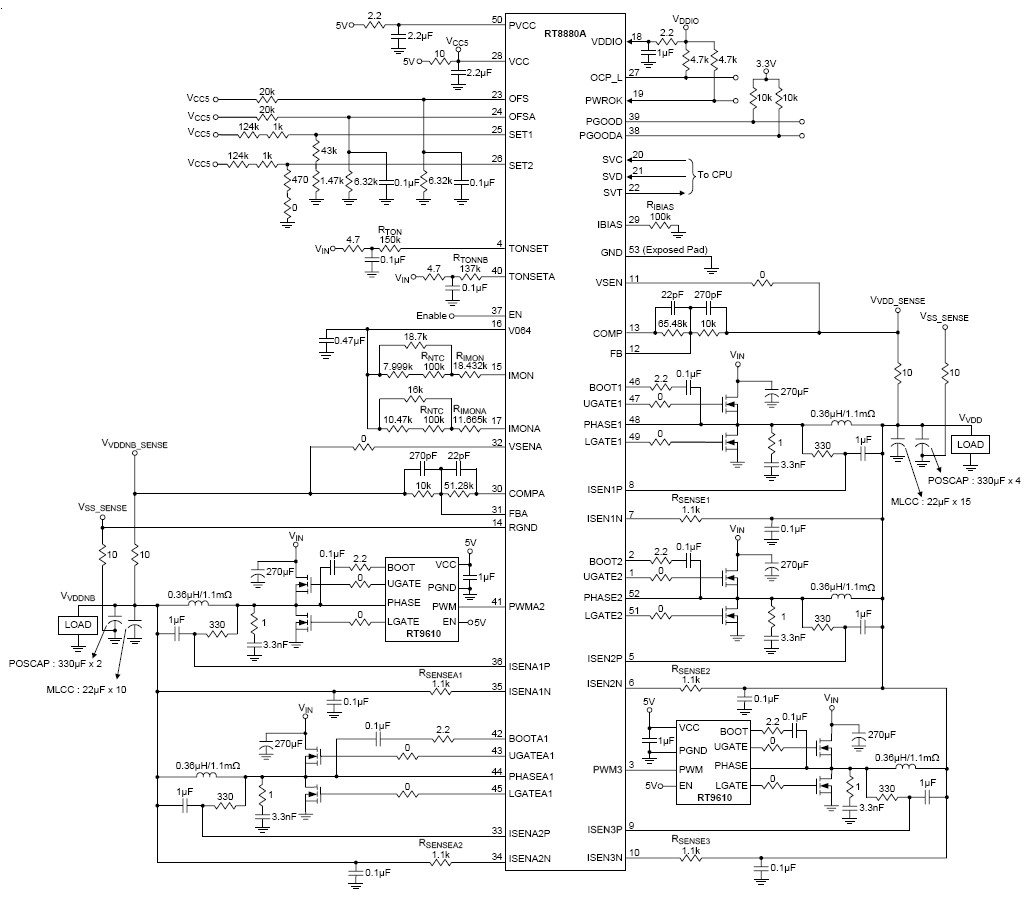
The RT8880A is a 3 + 2 phases PWM controller, and is compliant with AMD SVI2 Voltage Regulator Specification to support both CPU core (VDD) and Northbridge portion of the CPU (VDDNB). The RT8880A features CCRCOT (Constant Current Ripple Constant On-Time) with G-NAVP (Green-Native AVP), which is Richtek's proprietary topology. The G-NAVP makes it an easy setting controller to meet all AMD AVP (Adaptive Voltage Positioning) VDD/VDDNB requirements. The droop is easily programmed by setting the DC gain of the error amplifier. With proper compensation, the load transient response can achieve optimized AVP performance. The controller also uses the interface to issue VOTF Complete and to send digitally encoded voltage and current values for the VDD and VDDNB domains. It can operate in single phase and diode emulation mode and reach up to 90% efficiency in different modes according to different loading conditions. The RT8880A provides special purpose offset capabilities by pin setting. The RT8880A also provides power good indication, over-current indication (OCP_L) and dual OCP mechanism for AMD SVI2 CPU core and NB. It also features complete fault protection functions including over-voltage, under-voltage and negative-voltage protections.

Applications

  • AMD SVI2 Mobile CPU
  • Laptop Computer
Key Spec.
RT8880A
Status EOL
Recommended Alternative  RT8880C
VID Table Support SVI2
Number of Phases 2;3
Vcc (typ) (V) 5
Vin (min) (V) 4.5
Vin (max) (V) 26
Accuracy (Vout>=1V) (+/- %) 0.5
Freq (typ) (kHz) 300
Built-in DAC Generator Yes
Number of MOSFET Drivers 1;2
Features Adjustable Frequency;Built-in Bootstrap Switch;Current Mode Control;DCR Current Sense;Diode Emulation Mode;Droop Control;Enable Input;Fast Transient Response;G-NAVP Control;OCP;OVP;Power Good;SCP;UVP
Package Type WQFN6x6-52
Outline Dimension, Footprint, Drawing Download
Features
  • 3/2/1-Phase (VDD) + 2/1-Phase (VDDNB) PWM Controller
  • 3 Embedded MOSFET Drivers
  • G-NAVPTM Topology
  • Support Dynamic Load-Line and Zero Load-Line
  • Diode Emulation Mode at Light Load Condition
  • SVI2 Interface to Comply with AMD Power Management Protocol
  • Build-in ADC for VOUT and IOUT Reporting
  • Immediate OV, UV and NV Protections and UVLO
  • Programmable Dual OCP Mechanism
  • 0.5% DAC Accuracy
  • Fast Transient Response
  • Power Good Indicator
  • Over-Current Indicator
  • 52-Lead WQFN Package
  • RoHS Compliant and Halogen Free
TOP