loading

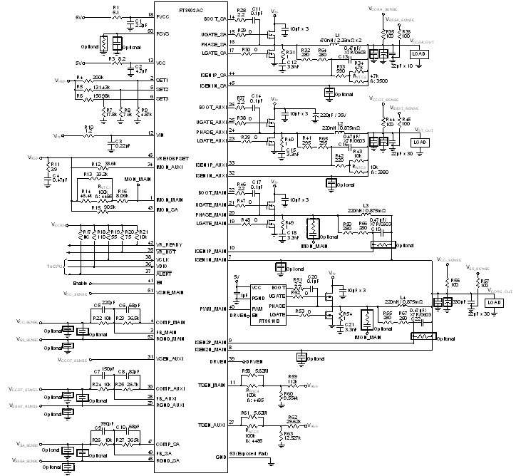
The RT3602AC is an IMVP8 compliant CPU power controller which includes three voltage rails : a 2/1 phase synchronous Buck controller, the MAIN VR, a single phase synchronous Buck controller, the auxiliary VR, and a single phase synchronous Buck controller, the VCCSA VR. The RT3602AC adopts G-NAVPTM (Green Native AVP) which is Richtek's proprietary topology derived from finite DC gain of EA amplifier with current mode control, making it easy to set the droop to meet all Intel CPU requirements of AVP (Adaptive Voltage Positioning). Based on the G-NAVPTM topology, the RT3602AC also features a quick response mechanism for optimized AVP performance during load transient. The RT3602AC supports mode transition function with various operating states. A serial VID (SVID) interface is built in the RT3602AC to communicate with Intel IMVP8 compliant CPU. The RT3602AC supports VID on-the-fly function with three different slew rates : Fast, Slow and Decay. By utilizing the G-NAVPTM topology, the operating frequency of the RT3602AC varies with VID, load and input voltage to further enhance the efficiency even in CCM. Moreover, the G-NAVPTM with CCRCOT (Constant Current Ripple COT) technology provides superior output voltage ripple over the entire input/output range. The built-in high accuracy DAC converts the SVID code ranging from 0.25V to 1.52V with 5mV per step. The RT3602AC integrates a high accuracy ADC for platform setting functions, such as quick response trigger level. Besides, the setting function also supposes this two rails address exchange. The RT3602AC provides VR ready output signals. It also features complete fault protection functions including over-voltage (OV), negative voltage (NV), over-current (OC) and under-voltage lockout (UVLO). The RT3602AC is available in the WQFN-52L 6x6 small foot print package.

Applications

  • IMVP8 Intel Core Supply
  • Notebook/ Desktop Computer/ Servers Multi-Phase CPU Core Supply
  • AVP Step-Down Converter
Key Spec.
RT3602AC
Status Active
VID Table Support IMVP8
Number of Phases 1;1;2
Vcc (typ) (V) 5
Vin (min) (V) 4.5
Vin (max) (V) 24
Accuracy (Vout>=1V) (+/- %) 0.5
Freq (typ) (kHz) 600
Built-in DAC Generator Yes
Number of MOSFET Drivers 1;1;1
Features Adjustable Frequency;DCR Current Sense;Diode Emulation Mode;Droop Control;Enable Input;Fast Transient Response;G-NAVP Control;OCP;OVP;Power Good;UVP
Package Type WQFN6x6-52
Outline Dimension, Footprint, Drawing Download
Features
  • Intel IMVP8 Serial VID Interface Compatible Power Management States
  • 2/1 Phase (MAIN VR) + Single Phase (Auxiliary VR) + Single Phase (VCCSA VR) PWM Controller
  • 1 Embedded MOSFET Driver at the MAIN VR, 1 Embedded MOSFET Driver at the Auxiliary VR, and Embedded MOSFET Driver at the VCCSA VR
  • G-NAVPTM (Green Native Adaptive Voltage Positioning) Topology
  • 0.5% DAC Accuracy
  • Differential Remote Voltage Sensing
  • Built-in ADC for Platform Programming
  • Accurate Current Balance
  • System Thermal Compensated AVP
  • Diode Emulation Mode at Light Load Condition for Multiple or Single Phase Operation
  • Fast Transient Response
  • VR Ready Indicator
  • Thermal Throttling
  • Current Monitor Output
  • OVP, OCP, NVP, UVLO
  • Slew Rate Setting/Address Flip Function
  • DVID Enhancement
Technical Documents
TitleItem TypeLast UpdateDownload
Introduction to Richtek VCORE Solutions App. Note2017/05/31
TOP