loading

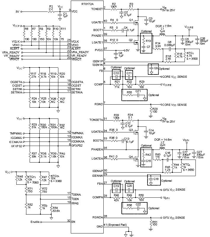
The RT8172A is a dual single-phase PWM controller with integrated MOSFET drivers, compliant with Intel IMVP7 Pulse Width Modulation Specification to support both CPU core and GPU core power. This part adopts G-NAVPTM (Green-Native AVP), which is Richtek's proprietary topology derived from finite DC gain compensator in constant on-time control mode. The G-NAVPTM makes this part an easy setting PWM controller to meet all Intel AVP (Active Voltage Positioning) mobile CPU/GPU requirements. The RT8172A uses SVID interface to control an 8-bit DAC for output voltage programming. The built-in high accuracy DAC converts the received VID code into a voltage value ranging from 0V to 1.52V with 5mV step voltage. The system accuracy of the controller can reach 0.8%. The RT8172A operates in continuous conduction mode or diode emulation mode, according to the SVID command. The maximum efficiency can reach up to 90% in different operating modes according to different load conditions. The droop function (load line) can be easily programmed by setting the DC gain of the error amplifier. With proper compensation, the load transient response can achieve optimized AVP performance.

The output voltage transition slew rate is set via the SVID interface. The RT8172A supports both DCR and sense resistor current sensing. The RT8172A provides VR_READY and thermal throttling output signals for IMVP7 CPU and GPU core. This part also features complete fault protection functions including over-voltage, under-voltage, negative-voltage, over-current and thermal shutdown.

Applications

  • IMVP7 Intel CPU/GPU Core Power Supply
  • Laptop Computers
  • AVP Step-Down Converter
Key Spec.
RT8172A
Status Active
VID Table Support IMVP7;VR12
Number of Phases 1;1
Vcc (typ) (V) 5
Vin (min) (V) 5
Vin (max) (V) 25
Accuracy (Vout>=1V) (+/- %) 0.5
Freq (typ) (kHz) 300
Built-in DAC Generator Yes
Number of MOSFET Drivers 1;1
Features Adjustable Frequency;DCR Current Sense;Diode Emulation Mode;Droop Control;Enable Input;Fast Transient Response;G-NAVP Control;OCP;OVP;Power Good;UVP
Package Type WQFN5x5-40
Outline Dimension, Footprint, Drawing Download
Features
  • Dual Single-Phase PWM Controller for CPU Core and GPU Core Power
  • IMVP7 Compatible Power Management States
  • Serial VID Interface
  • G-NAVPTM Topology
  • AVP for CPU VR Only
  • 0.5% DAC Accuracy
  • 0.8% System Accuracy
  • Differential Remote Voltage Sensing
  • Built-in ADC for Platform Programming
    ► SETINI/SETINIA for CPU/GPU Core VR Initial Startup Voltage
    ► TMPMAX to Set Platform Maximum Temperature
    ► ICCMAX/ICCMAXA for CPU/GPU Core VR Maximum Current
  • Power Good Indicator : VR_READY/VRA_READY for CPU/GPU Core Power
  • Thermal Throttling Indicator : VRHOT
  • Diode Emulation Mode at Light Load Condition
  • Fast Line/Load Transient Response
  • Switching Frequency up to 1MHz per Phase
  • OVP, UVP, NVP, OTP, UVLO, OCP
  • RoHS Compliant and Halogen Free
Technical Documents
TitleItem TypeLast UpdateDownload
Introduction to Richtek VCORE Solutions App. Note2017/05/31
Part NumberPackage TypePackage Qty.Free SampleDistributorStockBuy From Authorized Distributor
RT8172AGQWWQFN5x5-401,500 Request Digikey 1,492 Buy
Mouser 1,468 Buy
TOP