10W Stereo Class-D Speaker Driver Amplifier

EVB_RT9116GQW
EOL: Richtek has discontinued the production of the device.

The RT9116 is a 10W per channel, high efficiency Class D stereo audio amplifier for driving bridge tied load (BTL) speakers. The RT9116 can drive stereo speakers with load as low as 4Ω. Its high efficiency eliminates the need for an extra heat sink when playing music. The gain of the amplifier can be controlled by gain select pins. The outputs are fully protected against shorts to GND, PVCC, and output to output with an auto recovery feature and monitored output.

Purpose

The RT9116 is a Audio Amplifier the input voltage range from 8V to 17V. This document explains the function and use of the RT9116 evaluation board (EVB), and provides information to enable operation, modification of the evaluation board and circuit to suit individual requirements.


Introduction

General Product Information

The RT9116 is a 10W per channel, high efficiency Class D stereo audio amplifier for driving bridge tied load (BTL) speakers. The RT9116 can drive stereo speakers with load as low as 4Ω. Its high efficiency eliminates the need for an extra heat sink when playing music. The gain of the amplifier can be controlled by gain select pins. The outputs are fully protected against shorts to GND, PVCC, and output to output with an auto recovery feature and monitored output.


Product Feature

  • 8V to 17V Input Supply Range
    ► 10W / CH for an 8Ω Load, 13V Supply at 10% THD +N
    ► 15W / CH for an 8Ω Load, 16V Supply at 10% THD +N
    ► 90% Efficiency Eliminates Need for Heat Sinks
  • Two Selectable Gain Settings
  • Over-Temperature Protection (OTP) with Auto Recovery Option

Key Performance Summary Table

Key Features

Evaluation Board Number : PCB086_V1

PVCC Input Voltage

12V

Speaker Output Power (Load = 8Ω, THD+N = 10%)

9W

Marking & Package Type

RT9116GQW, WQFN-28L 4x5



Bench Test Setup Conditions

Headers Description and Placement

Technical Document Image Preview

Carefully inspect all the components used in the EVB according to the following Bill of Materials table, and then make sure all the components are undamaged and correctly installed. If there is any missing or damaged component, which may occur during transportation, please contact our distributors or e-mail us at evb_service@richtek.com.



Test Points

The EVB is provided with the test points and pin names listed in the table below.

Test point/

Pin name

Signal

Comment (expected waveforms or voltage levels on test points)

PVCC

Input power supply

Power input. Support 8V to 17V input voltage.

EN

Enable test point

High = Enable, Low = Disable.

GND

Ground

Ground.

Audio IN

Analog source input

Stereo analog source input.

SPK OUT

Speaker output

Stereo analog to Speaker Amplifier. (Left & Right Channel Output)

Gain

Gain setting

Gain test-pin, High = 31dB, Low = 26dB.

Plimit

Plimit setting

Power limit level. (5W, 10W, MAX) (Short = Enable, Open = Disable)



Power-up & Measurement Procedure

1. Connect input power supply (8V < PVCC < 17V) and ground to PVCC and GND pins respectively.

2. The 1X2 Header GVDD and HPVDD (GVDD2) Short.

3. The 1X3 Header (GAIN) is the Gain setting. (High = 31dB, Low = 26dB).

4. The 1X2 Header (5W, 10W, MAX) is the Plimit setting. (Short = Enable, Open = Disable).

5. Connect stereo analog source input to IN_L (L_CH Input), IN_R (R_CH Input) RCA Jack.

6. Connect speaker to the GP1 (P_L), GP2 (N_L), GP3 (P_R), GP4 (N_R).

7. The 1X3 Header (EN) is the Enable controlled. (High = Enable, Low = Disable).



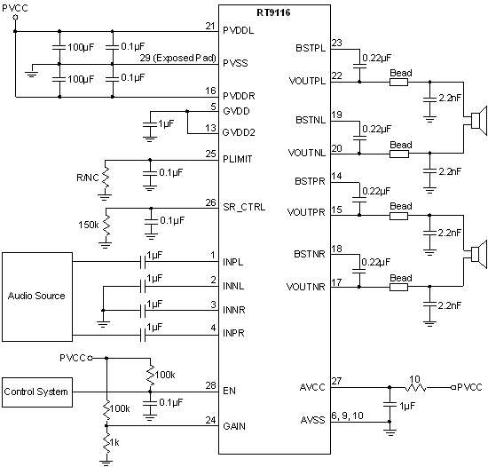
Schematic, Bill of Materials & Board Layout

EVB Schematic Diagram

Technical Document Image Preview



Bill of Materials

Reference

Qty

Part Number

Description

Package

Manufacturer

U1

1

RT9116GQW

10W stereo Class-D
Speaker Amplifier

WQFN-28L 4x5

Richtek

CT1, CT2

2

CT100F

100μF/50V

EC-2P_8

JACKCON

C1, C6, C12, C16

4

C1608X5R1C224K

0.22μF/16V/X5R

C-0603

TDK

C2, C9, C13, C18

4

C1608X5R1H222K

2.2nF/50V/X5R

C-0603

TDK

C3, C7

2

C1608X5R1H102K

1nF/50V/X5R

C-0603

TDK

C4, C8, C25, C28, C29

5

C1608X5R1H104K

0.1μF/50V/X5R

C-0603

TDK

C10, C11, C21

3

C1608X5R1H105K

1μF/50V/X5R

C-0603

TDK

C15, C17, C19, C20

4

C1608X5R1E105K

1μF/25V/X5R

C-0603

TDK

C22, C27

2

C1608X5R1E104K

0.1μF/25V/X5R

C-0603

TDK

C23

1

C2012X5R1C225K

2.2μF/16V/X5R

C-0805

TDK

C26

1

C2012X5R1C106K

10μF/16V/X5R

C-0805

TDK

FB1, FB3, FB5, FB6

4

UPZ2012E601-2R0TF

600Ω±25%

0805

Sunlord

FB2, FB4

2

RTT05000JTP

0R/0805/±5%

R-0805

Ralec

FB7, R10, R11, R12, R13

5

WR06X000PTL

0R/0603/±1%

R-0603

WALSIN

R1

1

WR08X10R0FTL

10R/0805/±1%

R-0805

WALSIN

R2, R3, R6

3

WR06X1003FTL

100K/0603/±1%

R-0603

WALSIN

R4, R7

2

WR06X1503FTL

150K/0603/±1%

R-0603

WALSIN

R5

1

RTT034992FTP

49.9K/0603/±1%

R-0603

Ralec

R8

1

WR06X2003FTL

200K/0603/±1%

R-0603

WALSIN

R9

1

WR06X2492FTL

24.9K/0603/±1%

R-0603

WALSIN

R14

1

WR06X4993FTL

499K/0603/±1%

R-0603

WALSIN



PCB Layout

Technical Document Image Preview

Top View (1st layer)

Technical Document Image Preview

PCB Layout—Inner Side (2nd Layer)

Technical Document Image Preview

PCB Layout—Inner Side (3rd Layer)

Technical Document Image Preview

Bottom View (4th Layer)

RT9116
RT9116

RT9116是高效率的每通道10W的D類身歷聲音訊功率放大器,用於驅動橋式連接的揚聲器負載,揚聲器阻抗可以低達4Ω。由於效率高,無需使用外加的散熱器。其放大增益可通過增益選擇端子進行選擇,輸出電路包含完整的保護特性,能在發生短路到地、電源和輸出與輸出之間的短路時實現保護以及故障解除後的自動恢復。
RT9116以QWFN-28L 4x5封裝形式供貨。