This website stores cookies on your computer. These cookies are used to collect information about how you interact with our website and allow us to remember you. We use this information in order to improve and customize your browsing experience and for analytics and metrics about our visitors both on this website and other media. To find out more about the cookies we use, see our Cookie Statement. If you decline, your information won’t be tracked when you visit this website. A single cookie will be used in your browser to remember your preference not to be tracked. Find out more here.
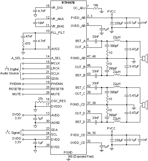
The RT9107B is a high efficiency, I2S-input, stereo or 2.1-channel audio power amplifier delivering 2x18W into 8Ω BTL speaker loads. It can deliver over 90% power efficiency and eliminate the need for heat sink. The built-in anti-pop function can reduce the speaker's pop noise under all kind of scenarios. Built-in protections include over temperature, over current, over voltage, and under voltage protections and report error status. The RT9107B is an I2S slave-only device receiving all clocks from external sources. It can support a wide input sampling rate from 8kHz to 96kHz, and operate with a PWM switching frequency of 352kHz or 384kHz, depending on the input sampling rate. A fully programmable data path routes these channels to the internal speaker drivers. The RT9107B features dual-band DRC and flexible multi-band biquads for anti-clipping, power limiting, and speaker equalization. Programmable signal path routing enables Rich-surround effect and Rich-bass enhancement implementation.
Wide Supply Voltage Range : 8V to 26V
2x18W at 10% THD+N into 8Ω BTL at 18V
2x8W at 10% THD+N into 8Ω BTL at 12V
Support Stereo or 2.1-Channels
Sampling Frequency from 8kHz to 96kHz
Built-in anti-pop Function for BTL AD/BD Modulations, SE Output Configuration
>20 Programmable Biquads for Speaker Equalization
Programmable Coefficients for DRC Filters, Supporting Multi-compression Ratios
Built-in DC Blocking Filters
Protection Features : UVLO, OVP, OCP and OTP
TQFP-48L (Exposed Pad) Thermal-Enhanced Package
RoHS Compliant and Halogen Free
Subscribe to receive the latest product news. (Login required)
.
Please check your email box and click validation url.