loading

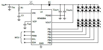
The RT4539A is a high efficiency driver for white LEDs. It is suitable for single/two cell battery input to drive LED light bars which contains six strings in parallel. The internal current sinks support a maximum of ±2% current mismatching for excellent brightness uniformity in each string of LEDs. To provide enough headroom for current sink operation, the Boost converter monitors the minimum voltage of the feedback pins and regulates an optimized output voltage for power efficiency.

The RT4539A has a wide input voltage operating range from 2.7V to 24V and contains I2C interface for controlling the dimming mode, operating frequency and the LED current. The internal 250mΩ, 39V power switch with current-mode control provides over-current protection. The switching frequency of the RT4539A is adjustable from 300kHz to 1.6MHz, which allows flexibility between efficiency and component size.

The RT4539A are available in the WL-CSP-20B 1.71x2.371 (BSC) and WQFN-24L 4x4 packages.

Applications

  • Tablet and Notebook Backlight
Key Spec.
RT4539A
Status Active
Vin (min) (V) 2.7
Vin (max) (V) 24
Vout (max) (V) 40
LED Channels 6
Topology Boost + Current Source
SW Freq (typ) (kHz) 600
Vcs (typ) (mV) 400
Dimming Control I2C;PWM
Features Adjustable Current Limit;Adjustable Frequency;Adjustable Soft-Start;Current Mode Control;Cycle-by-Cycle Current Limit;Enable Input;I2C;Internal Compensation;OCP;OVP;SCP
Package Type WQFN4x4-24;WL-CSP1.71x2.371-20(BSC)
Outline Dimension, Footprint, Drawing Download
Features
  • Wide Operating Input Voltage: 2.7V to 24V
  • High Output Voltage: Up to 39V
  • Programmable Channel Current: 10.04mA to 35mA
  • Channel Current Regulation with Accuracy ±3% and Matching ±2%
  • Dimming Controls
    ► Direct PWM Dimming up to 20kHz and Minimum On-Time to 400ns
    ► PWM to Analog Dimming up to 20kHz with 9-bit Resolution
    ► PWM Pin and/or I2C-Controlled with Programmable Linear@12 bits or Exponential@11 bits Brightness Control
    ► Digitally Advanced Sloping for Smooth Dimming
  • Adjustable Dimming Mode Control.
  • Adjustable Advanced Brightness Control.
  • Adjustable Switching Frequency of Boost Converter from 300kHz to 1.6MHz.
  • PFM function for High Efficiency at Light Load
  • Programmable Spread Spectrum Scheme and Edge Rate Control Minimize Switching Noise and Improve EMI Performance
  • Protections
    ► LED Strings Open Detection
    ► LED Strings Short Protection
    ► Programmable Current Limit of Boost.
    ► Programmable Over-Voltage Protection Level
    ► Over-Temperature Protection
  • Integrated Memory by MTP
  • 20-Ball WL-CSP, with pitch 0.4mm and 24-Lead WQFN Packages
Technical Documents
TitleItem TypeLast UpdateDownload
Richtek Product Selection Guide [Jan., 2025] Selection Guide2025/01/13
Evaluation Board
Part NumberDistributorStockBuy From Authorized Distributor
EVB_RT4539AGQW Digikey 0 Lead-Time: 14 weeks
Mouser 0 Lead-Time: 14 weeks
TOP