loading

The RT2070 is a highly-integrated low-power high-performance analog SOC with PMIC (Power Management IC) in one single chip designed for Industrial/Automotive applications.

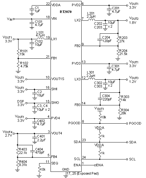
The RT2070 PMIC includes one high voltage synchronous step-down DC/DC converter, two low voltage synchronous step-down DC/DC converters, one low dropout LDO and one load switch with soft-start control and current limit. All MOSFETs are integrated, and compensation networks are built-in.

The RT2070 also uses I2C interface to set timing of power on/off, sequence and discharge function, and includes power good indicator (PGOOD).

The RT2070 is an Automotive-Grade Product that is
AEC-Q100 Grade 1 Qualified and provides fault condition protections, including over-current protection, under-voltage lockout, over-voltage protection and over-temperature protection.

Applications

  • Industrial/Automotive Camera Module
  • Car Infotainment
Key Spec.
RT2070B
Status Active
Vin (min) (V) 4.5
Vin (max) (V) 15
Number of Channels 5
Number of Buck Converters 3
Number of LDO Regulators 1
Application Automotive
Features AEC-Q100;Current Mode Control;Cycle-by-Cycle Current Limit;Enable Input;I2C;Internal Compensation;OCP;OVP;Power Good;UVP
Package Type WQFN4x4-24
Outline Dimension, Footprint, Drawing Download
Features
  • Input Voltage Operating Range is 4.5V to 15V
  • CH1 HV-Step-Down Regulator : VIN Range is 4.5V to 15V
    ► Support up to 2A Loading with up to 90%
    Efficiency
    ► Switching Frequency is 2MHz
  • CH2/3 LV Step-Down Regulator : VIN Range is 2.7V to 5.5V
    ► Support up to 1A Loading, with up to 90%
    Efficiency
    ► Switching Frequency is 2MHz
  • Linear Regulator : VIN Range is 2.7V to 5.5V
    ► Max Loading 0.5A
  • Load Switch (LSW) : VIN Range is 2.7V to 5.5V
    ► Max Loading 0.5A
  • Sequence Can be Controlled by Setting the Resistances of the SEQ Pin
  • AEC-Q100 Grade 1 Qualified
TOP