This website stores cookies on your computer. These cookies are used to collect information about how you interact with our website and allow us to remember you. We use this information in order to improve and customize your browsing experience and for analytics and metrics about our visitors both on this website and other media. To find out more about the cookies we use, see our Cookie Statement. If you decline, your information won’t be tracked when you visit this website. A single cookie will be used in your browser to remember your preference not to be tracked. Find out more here.
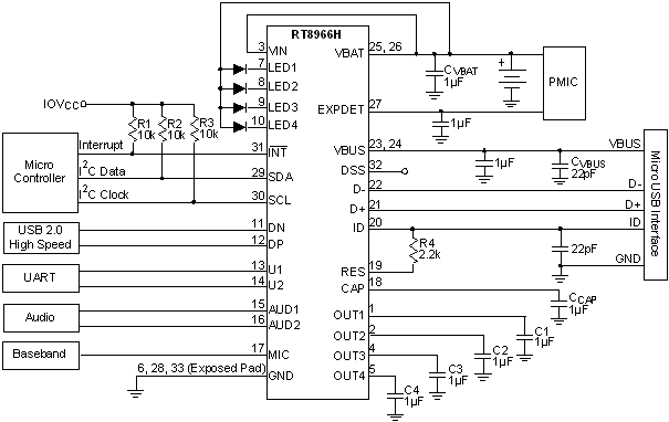
The RT8966H is an analog subsystem which includes a linear charger, 4 LDOs, a 4-CH current source, and a multiplexer for USB, UART, microphone, stereo and audio on a single mini/micro USB connector. The RT8966H adopts an I2C bus for control and uses an internal method to determine the connected device. The USB input provides high speed USB connection. The audio inputs feature negative rail signal operation to realize simple DC coupled headset speakers. The RT8966H provides an internal device detection method by using the USB ID signal pin and the VBUS voltage. The resistor values and VBUS voltage determine the unique detection method of each accessory. The host microprocessor adopts I2C to control the switch position and read the results of the accessory detection. The RT8966H can also detect USB chargers, including dedicated chargers (D+/D- shorted) and high, power, host/hub chargers. The RT8966H has a linear charger with maximum 1A current capability. The charging current and end of charge current can be controlled by I2C interface. It also provides a 50mA LDO to support the power of the peripheral circuit. In factory mode, the RT8966H provides 4.35V/2.3A power to support system operation. The RT8966H is available in a thin WQFN-32L 4x4 package. to achieve optimized solution for PCB space and thermal considerations.
Hi-Speed USB Operation
Interrupt for Device Insertion and Removal
Interrupt for SEND/END Button Detection
Interrupt for Protection Function
Low Power Microphone Standby Mode
Default Startup Mode for Factory Support
Negative Rail Audio Signal Paths
Internal LDO for Low Noise Microphone Bias
28V Maximum Rating for DC Adapter
Internal Integrated Power MOSFETs of Charger
Support 4.35V/2.3A Factory Mode
I2C Controlled Interface
4 Current Sources with 32-Steps Current Setting
4 LDOs with Programmable Output Voltage
Thin 32-Lead WQFN Package
RoHS Compliant and Halogen Free
訂閱接收最新產品訊息 (請先登入)
.
Please check your email box and click validation url.