This website stores cookies on your computer. These cookies are used to collect information about how you interact with our website and allow us to remember you. We use this information in order to improve and customize your browsing experience and for analytics and metrics about our visitors both on this website and other media. To find out more about the cookies we use, see our Cookie Statement. If you decline, your information won’t be tracked when you visit this website. A single cookie will be used in your browser to remember your preference not to be tracked. Find out more here.
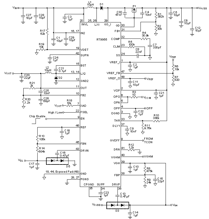
The RT9955 generates all the supply rails for thin-film transistor (TFT) liquid-crystal display (LCD) panels in TVs and monitors. It includes boost and buck regulators, VGH and VGL charge pump regulators, gate pulse modulator (GPM) , HV LDO, voltage detector (XAO) and VCOM OP. The RT9955 supports input voltage from 8V to 14V and is optimized for LCD TV panel and LCD monitor applications running directly from 12V supply. The boost and buck regulators feature internal power MOSFETs and high frequency operation, allowing the use of small inductors and capacitors, for in a compact solution. Both switching regulators use fixed frequency, current mode control architectures, providing fast load-transient response and easy compensation. The VGH and VGL charge pump regulators provide supply voltages for the TFT gate driver. Both output voltages can be adjusted with external resistive voltage dividers. The GPM is controlled by frame signals from the timing controller to modulate the Gate-On voltage (VGHM), which acts as a flicker compensation to reduce the coupling effect between gate lines and pixels. It can also delay VGHM while power on to achieve a correct power on sequence for gate driver ICs. The VGHM power on delay time, the falling time and falling stop voltage can all be programmed by an external capacitor, an external resistor and an resistive voltage divider. The voltage detector (XAO) monitors VIN voltage to issue a reset signal when the VIN voltage is too low. The detecting level is determined by an external resistive voltage divider. The HV LDO can provide a highly accurate voltage (0.5%) for gamma reference voltage. It has fast transient response and also a wide operation input range. The VCOM OP can drive the LCD VCOM voltage that features high short circuit current (300mA), fast slew rate (45V/μs), wide bandwidth (20MHz) and rail-to-rail inputs and outputs. The RT9955 is available in a small WQFN-48L 7x7 package.
8V to 14V Supply Input Voltage Range
Current Mode Boost Regulator► 20V 3A 0.1Ω Internal N-MOSFET► Programmable Over Current Protection ► Programmable Soft-Start
Current Mode Buck Regulator► 16.5V 3.2A 0.15Ω Internal N-MOSFET► Over Current Protection► Adjustable Output Voltage from 1.8V to 3.3V
Adjustable VGH Charge Pump► Continuous Output Current 50mA
Adjustable VGL Charge Pump► Continuous Output Current 50mA
Gate Pulse Modulator► 18V to 35V Positive Supply Input► Power On/Off Sequence Control► On-Chip GPM Controller with Adjustable Falling Time and Falling Stop Voltage
Voltage Detector (XAO)► Adjustable Detecting Voltage (±1%)► N-CH Open-Drain Output
VCOM OP► 5V to 20V Input Supply Voltage► ±300mA Output Short-Circuit Current for 1ms► 45V/μs Slew Rate► 20MHz, -3dB Bandwidth
HV LDO► 5V to 20V Input Supply Voltage► Adjustable Output Voltage (±0.5%)► Over Current Protection (60mA)► Low Dropout Voltage 0.5V (60mA)
Selectable Frequency (500kHz/750KHz)
External PMOS Isolation Switch Controlled by Gate Drive Signal
Under Voltage Protection
Short Circuit Protection
Over Temperature Protection
Power On Sequence Control
Thin 48-Lead WQFN Package
RoHS Compliant and Halogen Free
Subscribe to receive the latest product news. (Login required)
.
Please check your email box and click validation url.