RT5779A/RT5779B

6V, 5A, 1.5MHz ACOT® Synchronous Step-Down Converterin TSOT-23-8 package

RT5779A/RT5779B
New

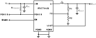
The RT5779A/B is a simple, easy-to-use, 5A synchronous step-down DC-DC converter with an input supply voltage range of 2.5V to 6V. The device build-in an accurate 0.6V (±1.5%) reference voltage and can operate in 100% duty cycle as a very low dropout voltage regulator. the RT5779A/B integrates low RDS(ON) power MOSFETs to achieve high efficiency and is available in TSOT-23-8 (FC) package. The RT5779A/B adopts Advanced Constant On-Time (ACOT®) control architecture to provide an ultrafast transient response with few external components and to operate in nearly constant switching frequency over the line, load, and output voltage range. The RT5779A/B is designed to operate at 1.5MHz fixed frequency. While the RT5779A automatically enters power saving mode (PSM) operation at light load to maintain high efficiency. RT5779B operates in Forced PWM over the loading range, that helps meet tight voltage regulation accuracy requirements.

The RT5779A/B senses both FETs current for a robust over-current protection. It prevents the device from the catastrophic damage in output short circuit, over current or inductor saturation. The individual enable control input and power good indicator provides flexible system power sequence control a built-in soft-start function prevents inrush current during start-up. The device also includes input under-voltage lockout, output under-voltage protection, and over-temperature protection (thermal shutdown) to provide safe and smooth operation in all operating conditions.

Applications

  • WLAN ASIC Power / Storage (SSD and HDD)
  • Mobile Phones and Handheld Devices
  • STB, Cable Modem, and xDSL Platforms
  • General Purpose for POL LV Buck Converter

Key Spec.

RT5779A RT5779B
Status Active Active
Vin (min) (V) 2.5 2.5
Vin (max) (V) 6 6
Number of Outputs 1 1
Vout (min) (V) 0.6 0.6
Vout (max) (V) 6 6
Output Adj. Method Resistor Resistor
Iout (max) (A) 5 5
Current Limit (typ) (A) 7 7
Freq (typ) (kHz) 1500 1500
Ext Sync No No
Ron_HS (typ) (mOhm) 20 20
Ron_LS (typ) (mOhm) 18 18
Iq (typ) (mA) 0.035 0.6
Features 100% Duty Cycle;ACOT Control;Cycle-by-Cycle Current Limit;Enable Input;Fast Transient Response;OCP;OTP;PSM;Power Good;Stable with Ceramic Capacitor;UVP 100% Duty Cycle;ACOT Control;Cycle-by-Cycle Current Limit;Enable Input;Fast Transient Response;OCP;OTP;Power Good;Stable with Ceramic Capacitor;UVP
Package Type TSOT-28(FC) TSOT-28(FC)

Features

  • 5A Converter With Built-In 20mΩ/18mΩ Low RDS(ON) Power FETs

  • Input Supply Voltage Range : 2.5V to 6V

  • Output Voltage Range : 0.6V to 6V

  • Operates Up to 100% Duty Cycle

  • Advanced Constant On-Time (ACOT®) Control
    ► Ultrafast Transient Response
    ► No Needs For External Compensations
    ► Optimized for Low-ESR Ceramic Output Capacitors

  • 0.6V ±1.5% High-Accuracy Feedback Reference Voltage

  • 35mA Operation Quiescent Current (RT5779A)

  • Robust Over-Current Protection for Both FETs

  • Optional for Operation Modes :
    ► Power Saving Mode (PSM) (RT5779A)
    ► Forced PWM Mode (RT5779B)

  • Fixed Switching Frequency : 1.5MHz

  • Monotonic Start-Up for Pre-Biased Output

  • Individual Enable Control Input

  • Power Good Indicator

  • Built-In Internally Fixed Soft-Start (Typ. 1.5ms)

  • 100% Duty Cycle Mode

  • Internal Output Discharge

  • Input Under-Voltage Lockout (UVLO)

  • Output Under-Voltage Protection (UVP) with Hiccup Mode

  • Over-Temperature Protection

  • Available in TSOT-23-8 (FC) Package