RT8023

1.2MHz 1.5A Synchronous Step-Down Converter with Two LDOs

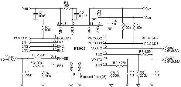
RT8023
New

The RT8023 combines two low dropout (LDO) linear regulators and a step-down converter with an input voltage range of 2.6V to 5.5V. Each output voltage is adjustable from 0.8V to 5V. With independent Enable and Power-Good pins for each regulator, it is easy to control the power up sequence, which is important in some applications.
The LDO has an independent input and is capable of delivering up to 700mA(LDO1) and 350mA(LDO2) output currents with ultra-low dropout. The LDO has high PSRR and can work with low-ESR space saving ceramic capacitors. All these make it Ideal for portable RF and wireless applications with demanding performance and space requirements. Other features include high output accuracy, current limiting protection, and 40μs fast turn-on time.
The step-down converter is a 1.2MHz PWM, current mode converter. Its high switching frequency allows the use of tiny, low cost capacitors and inductors 2mm or less in height. Internal power switches with low on-resistance increase efficiency and eliminate the need for external Schottky diodes. The converter can run at 100% duty cycle for low dropout operation that extends battery life in portable systems.

Applications

  • Portable Instruments
  • Microprocessors and DSP Core Supplies
  • Cellular Phones
  • Wireless and DSL Modems
  • PC Cards
  • Digital Cameras

Key Spec.

RT8023
Status NRND
Vin (min) (V) 2.6
Vin (max) (V) 5.5
Number of Outputs 3
Vout (min) (V) 0.8
Vout (max) (V) 5
Output Adj. Method Resistor
Iout (max) (A) 1.5
Current Limit (typ) (A) 2.3
Freq (typ) (kHz) 1200
Ext Sync No
Ron_HS (typ) (mOhm) 150
Ron_LS (typ) (mOhm) 90
Iq (typ) (mA) 0.3
Features 100% Duty Cycle;Current Mode Control;Enable Input;Internal Compensation;OCP;OTP;Power Good;Stable with Ceramic Capacitor;UVP
Package Type WQFN4x4-24

Features

  • Converter Input Voltage Range : 2.6V to 5.5V,
       LDO Input Voltage Range : 2.4V to 5.5V

  • Low-Noise LDO for RF Application

  • Ultra-Fast Response in Line/Load Transient

  • LDO Turn-On Time Less Than 40μs

  • Only 1μF LDO Output Capacitor Required for Stability

  • Current Limiting Protection

  • 1.5A, High Efficiency Step-Down Converter

  • 1.2MHZ Constant Switching Frequency

  • Low RDS(ON) Internal Switches

  • No Schottky Diode Required

  • 0.8V Reference Allows Low Output Voltage

  • Low Dropout Operation : 100% Duty Cycle Internally Compensated

  • < 2μA Shutdown Current

  • Power Good Output Voltage Monitor

  • Internal Soft-Start for PWM Converter

  • Easy Power Sequence Control

  • Over Temperature Protection

  • Short Circuit Protection

  • Thermally Enhanced 24-Lead WQFN Package

  • RoHS Compliant and 100% Lead (Pb)-Free

Datasheet

RT8023GQW
Package Type:WQFN4x4-24