loading

The RT8055B is a high efficiency synchronous, step-down DC/DC converter. Its input voltage range is from 2.6V to 5.5V and provides an adjustable regulated output voltage from 0.8V to 5V while delivering up to 3A of output current.
The internal synchronous low on-resistance power switches increase efficiency and eliminate the need for an external Schottky diode. The switching frequency is set by an external resistor. The 100% duty cycle provides low dropout operation extending battery life in portable systems. Current mode operation with external compensation allows the transient response to be optimized over a wide range of loads and output capacitors.
The RT8055B is operated in forced continuous PWM Mode which minimizes ripple voltage and reduces the noise and RF interference.
The RT8055B is available in the WDFN-10L 3x3 package.

Applications

  • Portable Instruments
  • Battery-Powered Equipment
  • Notebook Computers
  • Distributed Power Systems
  • IP Phones
  • Digital Cameras
  • 3G/3.5G Data Card

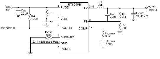
Reference Design
TitleLast UpdateDownload
Richtek Load Transient Tool2022/07/25
TOP