This website stores cookies on your computer. These cookies are used to collect information about how you interact with our website and allow us to remember you. We use this information in order to improve and customize your browsing experience and for analytics and metrics about our visitors both on this website and other media. To find out more about the cookies we use, see our Cookie Statement. If you decline, your information won’t be tracked when you visit this website. A single cookie will be used in your browser to remember your preference not to be tracked. Find out more here.
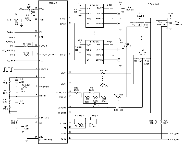
The RT8845B is a 4/3/2/1 phase synchronous Buck PWM controller which is optimized for high performance graphic microprocessor and computer applications. The RT8845B adopts G-NAVPTM (Green Native AVP) which is Richtek's proprietary topology derived from finite DC gain of EA amplifier with current mode control. By utilizing the G-NAVPTM topology, the operating frequency of the RT8845B varies with VID, load and input voltage to further enhance the efficiency even in CCM. Moreover, the G-NAVPTM with CCRCOT (Constant Current Ripple COT) technology provides superior output voltage ripple over the entire input/output range. The RT8845B provides complete fault protection functions including Over-Voltage (OV), Negative Voltage (NV), Over-Current (OC) and Under-Voltage Lockout (UVLO). The RT8845B is available in the WQFN-32L 4x4 package. The RT8845B features external reference input and PWM- VID dynamic output voltage control, in which the feedback voltage is regulated and tracks external input reference voltage. Other features include adjustable switching frequency, dynamic phase number control, internal/external soft- start, power good indicator, and enable functions.
Multi-Phase PWM Controller
Power State Indicator► 1P-CCM/4P-CCM/1P-DEM
Support 1.8V PWM-VID Interface
External Reference Input Control
PWM-VID Dynamic Voltage Control
Dynamic Phase Number Control
Internal/External Soft-Start
Adjustable Current Limit Threshold
Adjustable Switching Frequency
UVP/OVP Protection
Support an Ultra-Low Output Voltage as Standby Voltage
Thermal Shutdown
Power Good Indicator
Subscribe to receive the latest product news. (Login required)
.
Please check your email box and click validation url.