RT8223N

High Efficiency, Main Power Supply Controller for Notebook Computer

RT8223N
New

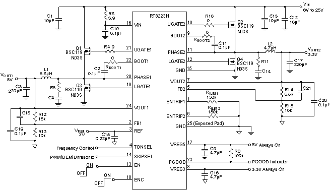
The RT8223N is a dual step-down, switch-mode power supply controller generating logic-supply voltages in battery-powered systems. It includes two Pulse Width Modulation (PWM) controllers adjustable from 2V to 5.5V, and also features fixed 5V/3.3V linear regulators. Each linear regulator provides up to 100mA output current with automatic linear regulator bootstrapping to the PWM outputs. The RT8223N includes on-board power up sequencing, a power good output, internal soft-start, and soft-discharge output that prevents negative voltage during shutdown.
The constant on-time PWM scheme can operate without sense resistors and provide 100ns load transient response while maintaining nearly constant switching frequency. To eliminate noise in audio applications, an ultrasonic mode is included, which maintains the switching frequency above 25kHz. Moreover, the diode-emulation mode maximizes efficiency for light load applications. The RT8223N is available in a WQFN-24L 4x4 package.

Applications

  • Notebook and Sub-Notebook Computers
  • 3-Cell and 4-Cell Li+ Battery-Powered Devices

Key Spec.

RT8223N
Status EOL
Vs (typ) (V) 19
Vin (min) (V) 6
Vin (max) (V) 25
Vout (min) (V) 2
Vout (max) (V) 5.5
Preset Vout (V) 3.3;5
Output Adj. Method Fixed;Resistor
Accuracy (+/- %) 1.5
Freq (typ) (kHz) 250;313
Freq (min) (kHz) 200
Freq (max) (kHz) 375
Iq (typ) (mA) 0.2
Features Adjustable Current Limit;Adjustable Frequency;Built-in Bootstrap Switch;COT Control;Cycle-by-Cycle Current Limit;Diode Emulation Mode;Enable Input;Fast Transient Response;OCP;OVP;Power Good;SCP;UVP;Ultrasonic Mode Control
Package Type WQFN4x4-24

Features

  • Constant On-time Control with 100ns Load Step Response

  • Wide Input Voltage Range : 6V to 25V

  • Dual Adjustable Outputs from 2V to 5.5V

  • Fixed 3.3V and 5V LDO Output : 100mA

  • 2V Reference Voltage

  • Frequency Selectable via TONSEL Setting

  • 4700ppm/°C RDS(ON) Current Sensing

  • Programmable Current Limit Combined with Enable Control

  • Selectable PWM, DEM, or Ultrasonic Mode

  • Internal Soft-Start and Soft-Discharge

  • High Efficiency up to 97%

  • 5mW Quiescent Power Dissipation

  • Thermal Shutdown

  • RoHS Compliant and Halogen Free