电源管理中的可替换式设计选型指南
摘要
让电子产品的设计可使用不同来源的器件拥有很多好处,其利益在出现半导体器件供应短缺现象时尤为巨大,作为备份存在的多种货源常常是生产线能够正常运转的救命稻草,本文的目的是想为使用立锜电源管理器件的读者提供一些使其设计能够兼容多种货源的指引和建议。
1.
概述
新冠疫情已使一个事实变得非常清楚,半导体供应链对供应端和需求端的突然变化都很敏感,可导致从消费品到汽车和工业领域的所有用户都面临半导体在全球范围内的短缺问题,导致许多公司不得不因半导体元件供应不上而缩减产量甚至完全停止生产,因而就有许多公司开始为他们所使用的器件寻找可替代的供应商,但这常常不是一件很容易的事情,因为新器件的引入常常需要修改 PCB 的设计,许多器件在引入以前还需要做大量的测试,而产线停产的压力又持续存在。如果一开始就采用有多种器件来源的设计就会变得很有利,PCB 设计可以同时兼顾不同的器件,器件验证可采用多来源以替代单来源的策略,本文将给采用多来源策略的电源管理系统的设计提供一些需要注意的地方和建议。
2.
低压 Buck 转换器的可替换设计

小电流、低电压的Buck 转换器常常被使用在以 5V 或 3.3V 为输入、1.2V 或 1.0V 等电压为输出的应用中,它们的工作频率通常是 1.5MHz 或 2.2MHz 等比较高的频率,外围元件的尺寸通常都很小,所用封装则以 (T)SOT-23、DFN2x2-6L 或 SOT-563 等为最常见,其中的 DFN 封装有比较好的热性能,SOT-563 则有最小的尺寸。立锜科技在这个产品区间有很多型号可供选择,但从可替换设计的角度来看则以采用 ACOT® 控制架构的器件为最佳选择,它们因为需要使用的外围器件最少而给你的选择带来最大的灵活性。
2.1. ACOT® Buck转换器外围器件选型要点
反馈网络
反馈网络的阻抗对 ACOT® Buck 转换器的稳定性没有影响,使用低阻网络或高阻网络都可以稳定工作。前馈电容 Cff 应该预留,它在某些情况下会变成必须的存在,详情请看下文。假如其他厂商的器件所采用的控制架构和反馈参考电压都是相同的,那就很有可能其所需要的反馈电阻也都是相同的。
电感量
通常按照电流纹波幅度为 IC 额定电流值的 20%~40% 来选择电感量,其计算公式如下:

ACOT® 架构容许在很宽的范围内选择电感量。较小的电感量可提升瞬态相应性能,而较大的电感量可带来输出纹波变小的效果,但也同时导致瞬态响应性能的下降。
输出电容
按照规格书的推荐使用输出电容值可获得输出纹波小、瞬态响应特性也好的结果。ACOT® 架构的 Buck 转换器的输出电容可在很宽的范围内作选择,但在某些组合下就需要加入前馈电容 Cff 对回路的响应进行调配,例如在输出电容和电感量都很大、输入电压也很高时就需要较大容量的 Cff,这可以通过使用能够快速跳变的负载并对输出电压的响应进行观察来进行验证,当你看到负载阶跃所带来的响应里含有振铃信号时,Cff 的值就应该增加了。关于此话题,更多的信息可参阅应用笔记 AN038:《怎样利用快速瞬变负载测试DC/DC转换器》。
2.2. 负载能力最大 1A 的低压 Buck 转换器
下图给出了负载能力达 1A 的几个 ACOT® Buck 转换器示例,RT5750A/BHGJ5、RT5750A/BHGJ6 和 RT5751A/BHGQW 的工作频率都是 1.5MHz,没有引出 Power Good 信号的 TSOT-23-5 是最常被用到的,取得第二货源的可能性也最大。型号中的“A”代表其工作模式为 PSM,“B”则代表强制 PWM,由于低压器件常常被使用在电池供电的场合,PSM 工作模式也最常被使用。

图1
RT5750A/BHGJ5, RT5750A/BHGJ6, RT5751A/BHGQW与多个其他半导体制造商解决方案兼容。请联系离您最近的立锜销售办事处以获取更多信息。
下图是采用 SOT-563 封装的 1A ACOT® Buck 器件示例,RT5760 的工作频率为 2.2MHz,使用可使用更小尺寸的外围元件。某些与之相当的第二货源将其 Vout 连接至引脚 6,这时候就可以用 RT5760C/DHGH6F 来予以替代,因为它的引脚 6 是没有任何连接的。这个型号中的“A”和“C”代表其工作模式为 PSM,相应的“B”和“D”代表其工作模式为强制 PWM。

图2
RT5760C/DHGH6F, RT5760A/BHGH6F 与多个其他半导体制造商解决方案兼容。请联系离您最近的立锜销售办事处以获取更多信息。
2.3. 负载能力最大 2A 的低压 Buck 转换器
下图是负载能力达 2A 的 ACOT® Buck 转换器的示例, RT5752A/BHGJ5、RT5752A/BHGJ6 和 RT5752A/BHGQW 的工作频率为 1.2MHz,型号中的“A”代表其工作模式为 PSM,“B”代表其工作模式为强制 PWM。

图3
RT5752A/BHGJ6, RT5752A/BHGQW (Pin 1 = NC) 与多个其他半导体制造商解决方案兼容。请联系离您最近的立锜销售办事处以获取更多信息。
下图采用 SOT-563 封装的 2A ACOT® Buck 转换器示例,RT5762 的工作频率为 1.2MHz,某些与之相当的第二货源将其 Vout 连接至引脚 6,遇到这种情形时可直接用 RT5762C/DHGH6F 予以替代,因为它的第 6 引脚没有任何连接。型号中的“A”和“C”代表其工作模式为 PSM,“B”和“D”代表其工作模式为强制 PWM。

图4
RT5762C/DHGH6F, RT5762A/BHGH6F与多个其他半导体制造商解决方案兼容。请联系离您最近的立锜销售办事处以获取更多信息。
3.
最高输入为 17V/18V 的 BUCK 转换器的可替换设计

最高输入电压为 17V 或 18V 的 Buck 转换器常被使用在 12V 输入下产生 5V、3.3V或是很多 SoC 内核所需要的 1.2V、1.0V 等电压,所需的输出电流范围非常宽泛,但最常见的还是 1A~3A 的需求,这样的需求常常出现在消费类电子产品里,使用晶核倒装结构的 (T)SOT-23-6 封装即可满足其需要,PSOP-8(SOIC-8) 封装因具有更好的热性能而常常被工业类应用所使用。
立锜科技在这个应用区间里有很多好用的产品,但从可替换设计的角度来看,新一代的 ACOT® Buck 转换器还是最适合的选择,因为从外围元件选型的角度来看,它们具有极高的灵活性,同时又具有很好的瞬态响应特性,转换效率也很高。
3.1. 高压ACOT® Buck转换器对外围元件的需求
反馈网络
与低压 Buck 转换器类似,反馈网络的阻抗对最高工作电压为 17V/18V 的 ACOT® Buck 转换器的稳定性并无多大影响,无论高低都能很好地工作。前馈电容 Cff 还是应该预留,有的时候还必须有它们才行。当 Cff 取值很大的时候 (>100pF),可能还需要在反馈网络和 FB 引脚之间串接一个电阻 RT (大约 10kΩ,参见下图),这样做可以减少耦合到 FB 引脚的噪声,这在某些噪声较大的设计中可起到改善输出调节特性的效果,通过对工作在电流连续模式下的转换器施加脉冲负载并测量其输出电压下降的情况可对此进行检验,其他供应商所提供的 COT 架构器件也可能会有同样的表现,所以预留 RT 对它们来说也有同样的好处。
需要注意的是有些厂商的器件可能采用内置补偿电路的电流模式控制架构,这样一来反馈网络的阻抗就需要进行细心的选择以实现对转换器带宽的选择,有时候电阻 RT 也可以被用来对带宽进行设定,遇到这样的状况时保留电阻 RT 就是必须的了。假如其他厂商的器件所采用的控制架构和反馈参考电压都是相同的,那就很有可能其所需要的反馈电阻也都是相同的。

图5
电感量
一般而言,可以按照电流纹波幅度大约是 IC 额定电流值的 20%~40% 的范围来选择电感量,其计算公式如下:

ACOT® 架构的高压 Buck 转换器可在很宽的取值范围内选择电感量,电感量较小时转换器的负载瞬态响应特性比较好,较大的电感量可以降低输出纹波,相应的瞬态响应特性也会差一些。
输出电容
按照规格书的推荐使用输出电容值可获得输出纹波小、瞬态响应特性也好的结果。ACOT ® 架构的高压 Buck 转换器的输出电容可在很宽的范围内作选择,但在某些组合下就需要加入前馈电容 Cff 对回路的响应进行调配,例如在输出电容和电感量都很大、输入电压也很高时就需要较大容量的 Cff,这可以通过使用能够快速跳变的负载并对输出电压的响应进行观察来进行验证,当你看到负载阶跃所带来的响应里含有振铃信号时,Cff 的值就应该增加了,与低压 Buck 转换器是一样的。关于此话题,更多的信息可参阅应用笔记 AN038:《怎样利用快速瞬变负载测试DC/DC转换器》。
使能端 EN
立锜最新的高压 ACOT® Buck 转换器的使能端可以承受高电压,直接将其与 VIN 连接在一起就可以实现自动启动,但其他厂商的产品可能就只能承受较低的电压,遇到这种情况时就应该给 EN 端连接上高阻值的电阻。为了实现可替换性的设计,建议在 EN 端到 VIN 端之间预留一个电阻以实现自动启动 (参见下图)。

图6
自举电容网络
高压 Buck 转换器的自举电容存在的目的是为了给上桥开关提供维持其导通的电源供应,在大多数情况下将一只电容连接在 BOOT 端和 开关节点 (SW) 之间就可以了,在 EMI 问题比较严重的应用中就需要给自举电容串联上一只电阻来降低上桥开关导通的速度。器件的来源不同,上桥开关的切换速度也不同,所以建议要给自举电容预留串联电阻的位置,使用不同器件时通过对电阻阻值的调整就可以获得大致相同的开关切换速度。

图7
3.2. 使用小封装、负载能力2A~4A 的 17V/18V Buck
转换器
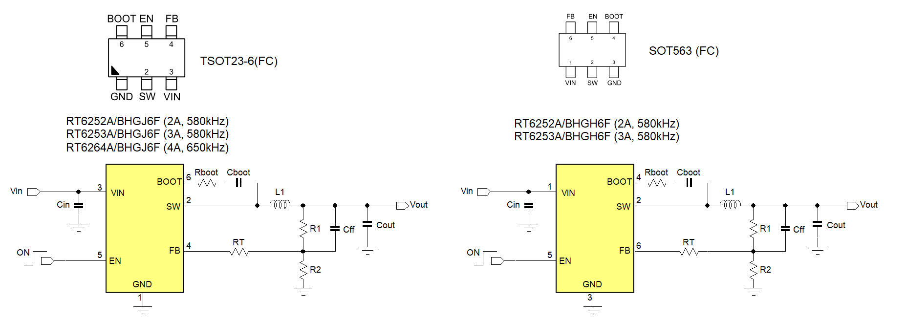
下图给出的是最新一代采用 ACOT® 控制架构、负载能力为 2A、3A 和 4A 的 17V/18V Buck 器件示例,它们使用的 (T)SOT-23-6 封装是最常用的类型,很多提供这类器件的厂商都采用了相同的引脚配置,因而成为多源设计最适合的选项。SOT-563 封装的尺寸会更小,但其热性能也会稍差一些。所有这些器件都使用了晶核倒装的封装技术,这意味着它们的所有引脚都与内部晶核实现了热连接,所以每一个引脚都在起着将晶核产生的热量引导到 PCB 上的作用。型号中的“A”代表该型号采用 PSM 工作模式,“B”则代表强制 PWM 工作模式。下面的应用电路图是我们推荐使用的电路,可使一个 PCB 设计即可支持多种器件来源。

图 8
RT6252A/BHGJ6F, RT6253A/BHGJ6F, RT6252A/BHGH6F, RT6253A/BHGH6F, RT6264A/BHGJ6F与多个其他半导体制造商解决方案兼容。请联系离您最近的立锜销售办事处以获取更多信息。
4.
24V/36V小电流 Buck 转换器

工业应用常常需要将不稳定的 12V 或 24V 电源输入转换为低电压为微处理器或传感器等供电,这就为 24V 或 36V 耐压的 Buck 转换器提供了应用的机会。
虽然输入电压在这个范围的应用可以使用同步架构的器件,但非同步的器件也被使用得十分常见,因为一般电流水平下的肖特基二极管的开关损耗很小,导通损耗也与用作同步整流的下桥开关的导通损耗差不多,很多厂商提供的这种器件也都选择了 (T)SOT-23-6 封装,引脚配置也都相同。
4.1. 24V/36V小电流 Buck 转换器的外围元件
能在较高输入电压下工作的 Buck 转换器的占空比的变化范围通常都很宽,电流模式控制架构应对这样的要求会表现得比较好。完成这种任务的电路拓扑有两种类型,一种使用 GM (跨导) 型误差放大器 (下图左侧所示),一种使用运算放大器型误差放大器 (下图右侧所示),设计用于类似应用的产品大多把它们的补偿网络也都集成进了芯片里。

图9
跨导型误差放大器的补偿网络与芯片地相连,放大器的增益由补偿电阻 RCOMP 确定,补偿网络内部集成的情况下它就是固定的,因而无法改变,反馈网络的阻抗在这种控制回路里就没有什么作用,因而在选择参数时就可以比较随意,但输出电容容量的选择就缺少了灵活性。
以运算放大器作为误差放大器时,补偿网络连接在误差放大器的输出和反馈端之间,误差放大器的增益大小取决于补偿电阻 RCOMP 和外接反馈电阻网络的高侧电阻 R1,所以改变 R1 就可以改变其增益,这也就意味着反馈网络的阻抗能对控制回路的增益产生作用,同时这种设计也就容许比较自由地选择输出电容的容量。
反馈网络
进行反馈网络设计的时候要首先了解误差放大器的类型,误差放大器是运算放大器时控制回路的单位增益频率的计算公式如下:
(以 RT8259 为例,GCS = 2A/V;以 RT6200 为例,GCS = 1.1A/V;一般取 FC ≈ 0.1*FSW。)
通过对 R1 的调整就可以根据所使用的输出电容的容量将单位增益频率设定在正确的地方(大约为开关切换工作频率的 10%),这在使用可替换式设计时是必须要做的工作。关于电流模式转换器工作稳定性的更多信息可参阅 AN038:《怎样利用快速瞬变负载测试DC/DC转换器》。
有些厂商会建议给反馈电阻网络的高侧电阻并联一只前馈电容 Cff 以增加一些相位裕量,进行可替换式设计时要给这个电容的预留位置。
电感值
电流模式转换器中电感的值通常按照电流纹波幅度是 IC 额定电流值的 20%~40% 来取,其计算公式如下:

电感值太小的时候,功率损耗会增加,补偿信号与电流纹波的比值偏小,导致在开关切换工作中形成次生谐波,但电感量太大的时候又会导致补偿信号与电流纹波的比值太小,造成控制回路相位裕量的不足。
输出电容量
输出电容的容量可对输出电压纹波、负载瞬变期间的输出电压隆起和跌落幅度及转换器的交叉频率造成影响,尤其需要引起注意的是对交叉频率的影响。输出电容很小的时候交叉频率也会很高,这将带来不稳定的结果,如果误差放大器是运算放大器型的,反馈网络的阻抗就需要增加来降低误差放大器的增益。对于误差放大器是跨导型的转换器来说,输出电容的容量就必须保持在一定的范围内以确保工作的稳定。
肖特基二极管
对于小电流的 Buck 转换器来说,外接的肖特基二极管在选型上没有什么难点,只要确保它的电压耐受等级高于最高输入电压、电流通过能力高于最大负载电流即可。

图10
自举电路
有些厂商的器件需要通过一只外接的二极管引入 3.3V~5V 的电源给 IC 的自举电源输入端以驱动其内置的MOSFET 上桥开关,包括立锜在内的部分厂商则仅在占空比高于 65% 时才建议引入外部电源供自举电路使用。如果转换器的输出电压就是 3.3V~5V 的,这个外部电源就可以直接从输出端获得,当输出电压太高或太低的时候就可以从较高的输入或输出电压那里通过稳压二极管的作用来为之供电。
4.2. 负载能力为 1.2A 和 0.6A 的 24V/36V 电流模式 Buck 转换器
下图示范的是立锜科技在这个负载能力上的 24V 和 36V 的 Buck 器件,这些器件的误差放大器属于运算放大器的类型,通过反馈网络阻抗的调整就可以调节补偿电路的增益,Cff 和外接自举电源都不需要使用。为了实现自动启动,EN 端保持浮空即可。下面这个输出电压为 3.3V~5V 的应用电路支持可替换式设计应用。

图11
RT8259GE, RT8259GJ5, RT6200GE与多个其他半导体制造商解决方案兼容。请联系离您最近的立锜销售办事处以获取更多信息。
5.
42V 和 60V 的工业和车用 Buck 转换器

可以工作到 42V 和 60V 输入电压的 Buck 转换器厂被使用在工业和汽车应用里,它们能够应对很宽的输入电压范围,拥有可调的工作频率,占空比可变范围很宽,封装具有很好的热性能,因而能在很高的环境温度下工作。这些器件通常使用电流模式控制架构,可以使用外部时钟信号让它们的动作同步起来,外接的补偿电路使它们可以在各种输出电容配置下稳定工作。
很多电源 IC 厂家都没有提供这种高电压的 Buck 转换器,要寻找到引脚兼容的器件就有一定的难度,但我们还是看到了对这个产品段的可替换式设计需求,因为在半导体器件出现短缺的时候即使是汽车类用户也在寻找可替代的资源了。为了满足这种需求,立锜科技已经开发出电压等级为 42V 和 60V、负载能力为 0.5A~5A 的非同步 Buck 转换器,可分别满足消费类、工业类和汽车类应用的需求,你能从其他厂商那里寻找到与之对应的 P2P 兼容产品。
表 1 给出了 42V 和 60V 的全系列 Buck 转换器的清单和它们的主要特性。
|
型号
|
输入电压范围
|
负载
能力
|
工作频率
可调范围
|
外部补偿
|
外部可调软启动
|
PG指示
|
频谱扩展和AEC-Q100 认证
|
封装
|
引脚相容的第二货源
|
|
产品等级:RT63xx = 商用,RTQ63xx = 工业级,输入电压最高 42V
|
|
RT(Q)6340GSP
|
4.5 ~ 42V
|
0.5A
|
0.1 ~ 2.5MHz
|
Yes
|
No
|
No
|
No
|
PSOP-8
|
-
|
|
RT(Q)6340GQW
|
4.5 ~ 42V
|
0.5A
|
0.1 ~ 2.5MHz
|
Yes
|
Yes
|
Yes
|
No
|
DFN10L 3x3
|
Yes
|
|
RT(Q)6341GSP
|
4.5 ~ 42V
|
1.5A
|
0.1 ~ 2.5MHz
|
Yes
|
No
|
No
|
No
|
PSOP-8
|
-
|
|
RT(Q)6341GQW
|
4.5 ~ 42V
|
1.5A
|
0.1 ~ 2.5MHz
|
Yes
|
Yes
|
Yes
|
No
|
DFN10L 3x3
|
Yes
|
|
RT(Q)6342GSP
|
4.5 ~ 42V
|
2.5A
|
0.1 ~ 2.5MHz
|
Yes
|
No
|
No
|
No
|
PSOP-8
|
-
|
|
RT(Q)6342GQW
|
4.5 ~ 42V
|
2.5A
|
0.1 ~ 2.5MHz
|
Yes
|
Yes
|
Yes
|
No
|
DFN10L 3x3
|
Yes
|
|
RT(Q)6343GSP
|
4.5 ~ 42V
|
3.5A
|
0.1 ~ 2.5MHz
|
Yes
|
No
|
No
|
No
|
PSOP-8
|
Yes
|
|
RT(Q)6343GQW
|
4.5 ~ 42V
|
3.5A
|
0.1 ~ 2.5MHz
|
Yes
|
Yes
|
Yes
|
No
|
DFN10L 4x4
|
Yes
|
|
RT(Q)6345GSP
|
4.5 ~ 42V
|
5A
|
0.1 ~ 2.5MHz
|
Yes
|
No
|
No
|
No
|
PSOP-8
|
Yes
|
|
RT(Q)6345GQW
|
4.5 ~ 42V
|
5A
|
0.1 ~ 2.5MHz
|
Yes
|
Yes
|
Yes
|
No
|
DFN10L 4x4
|
Yes
|
|
产品等级:RT63xx = 商用,RTQ63xx = 工业级,输入电压最高 60V
|
|
RT(Q)6360GSP
|
4.5 ~ 60V
|
0.5A
|
0.1 ~ 2.5MHz
|
Yes
|
No
|
No
|
No
|
PSOP-8
|
-
|
|
RT(Q)6360GQW
|
4.5 ~ 60V
|
0.5A
|
0.1 ~ 2.5MHz
|
Yes
|
Yes
|
Yes
|
No
|
DFN10L 3x3
|
Yes
|
|
RT(Q)6361GSP
|
4.5 ~ 60V
|
1.5A
|
0.1 ~ 2.5MHz
|
Yes
|
No
|
No
|
No
|
PSOP-8
|
-
|
|
RT(Q)6361GQW
|
4.5 ~ 60V
|
1.5A
|
0.1 ~ 2.5MHz
|
Yes
|
Yes
|
Yes
|
No
|
DFN10L 3x3
|
Yes
|
|
RT6362GFP
|
4.5 ~ 60V
|
2.5A
|
0.1 ~ 2.5MHz
|
Yes
|
Yes
|
Yes
|
No
|
MSOP-10
|
Yes
|
|
RT(Q)6362GSP
|
4.5 ~ 60V
|
2.5A
|
0.1 ~ 2.5MHz
|
Yes
|
No
|
No
|
No
|
PSOP-8
|
-
|
|
RT(Q)6362GQW
|
4.5 ~ 60V
|
2.5A
|
0.1 ~ 2.5MHz
|
Yes
|
Yes
|
Yes
|
No
|
DFN10L 3x3
|
Yes
|
|
RT(Q)6363GSP
|
4.5 ~ 60V
|
3.5A
|
0.1 ~ 2.5MHz
|
Yes
|
No
|
No
|
No
|
PSOP-8
|
Yes
|
|
RT(Q)6363GQW
|
4.5 ~ 60V
|
3.5A
|
0.1 ~ 2.5MHz
|
Yes
|
Yes
|
Yes
|
No
|
DFN10L 4x4
|
Yes
|
|
RT(Q)6365GSP
|
4.5 ~ 60V
|
5A
|
0.1 ~ 2.5MHz
|
Yes
|
No
|
No
|
No
|
PSOP-8
|
Yes
|
|
RT(Q)6365GQW
|
4.5 ~ 60V
|
5A
|
0.1 ~ 2.5MHz
|
Yes
|
Yes
|
Yes
|
No
|
DFN10L 4x4
|
Yes
|
|
通过 AEC-Q100 认证的产品,输入电压最高 42V
|
|
RTQ2940GSP
|
4.5 ~ 42V
|
0.5A
|
0.1 ~ 2.5MHz
|
Yes
|
No
|
No
|
Yes
|
PSOP-8
|
-
|
|
RTQ2940GQW
|
4.5 ~ 42V
|
0.5A
|
0.1 ~ 2.5MHz
|
Yes
|
Yes
|
Yes
|
Yes
|
DFN10L 3x3
|
Yes
|
|
RTQ2941GSP
|
4.5 ~ 42V
|
1.5A
|
0.1 ~ 2.5MHz
|
Yes
|
No
|
No
|
Yes
|
PSOP-8
|
-
|
|
RTQ2941GQW
|
4.5 ~ 42V
|
1.5A
|
0.1 ~ 2.5MHz
|
Yes
|
Yes
|
Yes
|
Yes
|
DFN10L 3x3
|
Yes
|
|
RTQ2942GSP
|
4.5 ~ 42V
|
2.5A
|
0.1 ~ 2.5MHz
|
Yes
|
No
|
No
|
Yes
|
PSOP-8
|
-
|
|
RTQ2942GQW
|
4.5 ~ 42V
|
2.5A
|
0.1 ~ 2.5MHz
|
Yes
|
Yes
|
Yes
|
Yes
|
DFN10L 3x3
|
Yes
|
|
RTQ2949GSP
|
4.5 ~ 42V
|
3A
|
0.1 ~ 2.5MHz
|
Yes
|
No
|
No
|
Yes
|
PSOP-8
|
Yes
|
|
RTQ2949AGSP
|
4.5 ~ 42V
|
3A
|
0.1 ~ 2.5MHz
|
Yes
|
No
|
No
|
Yes
|
PSOP-8
|
Yes
|
|
RTQ2943GSP
|
4.5 ~ 42V
|
3.5A
|
0.1 ~ 2.5MHz
|
Yes
|
No
|
No
|
Yes
|
PSOP-8
|
Yes
|
|
RTQ2943GQW
|
4.5 ~ 42V
|
3.5A
|
0.1 ~ 2.5MHz
|
Yes
|
Yes
|
Yes
|
Yes
|
DFN10L 4x4
|
-
|
|
RTQ2945GSP
|
4.5 ~ 42V
|
5A
|
0.1 ~ 2.5MHz
|
Yes
|
No
|
No
|
Yes
|
PSOP-8
|
Yes
|
|
RTQ2945GQW
|
4.5 ~ 42V
|
5A
|
0.1 ~ 2.5MHz
|
Yes
|
Yes
|
Yes
|
Yes
|
DFN10L 4x4
|
-
|
|
RTQ2945AGSP
|
4.5 ~ 42V
|
5A
|
0.1 ~ 2.5MHz
|
Yes
|
No
|
No
|
Yes
|
PSOP-8
|
Yes
|
|
通过 AEC-Q100 认证的产品,输入电压最高 60V
|
|
RTQ2960GSP
|
4.5 ~ 60V
|
0.5A
|
0.1 ~ 2.5MHz
|
Yes
|
No
|
No
|
Yes
|
PSOP-8
|
-
|
|
RTQ2960GQW
|
4.5 ~ 60V
|
0.5A
|
0.1 ~ 2.5MHz
|
Yes
|
Yes
|
Yes
|
Yes
|
DFN10L 3x3
|
Yes
|
|
RTQ2961GSP
|
4.5 ~ 60V
|
1.5A
|
0.1 ~ 2.5MHz
|
Yes
|
No
|
No
|
Yes
|
PSOP-8
|
-
|
|
RTQ2961GQW
|
4.5 ~ 60V
|
1.5A
|
0.1 ~ 2.5MHz
|
Yes
|
Yes
|
Yes
|
Yes
|
DFN10L 3x3
|
Yes
|
|
RTQ2962GSP
|
4.5 ~ 60V
|
2.5A
|
0.1 ~ 2.5MHz
|
Yes
|
No
|
No
|
Yes
|
PSOP-8
|
-
|
|
RTQ2962GQW
|
4.5 ~ 60V
|
2.5A
|
0.1 ~ 2.5MHz
|
Yes
|
Yes
|
Yes
|
Yes
|
DFN10L 3x3
|
Yes
|
|
RTQ2963GSP
|
4.5 ~ 60V
|
3.5A
|
0.1 ~ 2.5MHz
|
Yes
|
No
|
No
|
Yes
|
PSOP-8
|
Yes
|
|
RTQ2963GQW
|
4.5 ~ 60V
|
3.5A
|
0.1 ~ 2.5MHz
|
Yes
|
Yes
|
Yes
|
Yes
|
DFN10L 4x4
|
-
|
|
RTQ2965GSP
|
4.5 ~ 60V
|
5A
|
0.1 ~ 2.5MHz
|
Yes
|
No
|
No
|
Yes
|
PSOP-8
|
Yes
|
|
RTQ2965GQW
|
4.5 ~ 60V
|
5A
|
0.1 ~ 2.5MHz
|
Yes
|
Yes
|
Yes
|
Yes
|
DFN10L 4x4
|
-
|
表1
如需可替代产品的完整料号列表,请就近联系立锜销售办事处或业务人员。
与应用相关的信息可参考应用笔记 AN063。
与封装有关的可替代源信息
从表 1 信息可知,使用 DFN10L-3x3 封装的 0.5A、1.5A 和 2.5A 器件有独立的引脚兼容可替代货源;3.5A 和 5A 的器件有分别使用 PSOP-8 和 DFN10L-4x4 封装的可替代货源。在 60V/2.5A 的器件中,使用 MSOP-10 封装的 RT6362GFP 有 P2P 兼容的可替代货源。图 12 给出了可使用第二货源的可替代式设计的原理图和所用器件的封装形式。

图12
汽车应用对设计的要求非常严格,RTQ29xx 系列产品就有很多符合汽车应用的特殊属性,例如可以接近 100% 的占空比工作,可从普通工作模式平滑转变至直通模式,拥有可以降低电磁辐射的频谱扩展工作模式,已经在很多汽车应用中通过测试并成功替代原有设计,很多情况下都不需要对外部元件进行任何变更。
6.
线性稳压器的可替换设计
6.1. 低电压、小功率的线性稳压器
小型低压线性稳压器常常被使用在从 5V 降压到 3.3V、2.5V、1.8V 等应用场合,流过的电流通常都比较小。在这样的情形下,(T)SOT23 封装是最常被用到的。TSOT23 封装的高度比较低,但其占位尺寸和 SOT-23 是相同的。
哪个封装引脚?
下图所示 SOT23-5 或 TSOT-23-5 的线性稳压器的引脚布置是最常见的,很多半导体器件供应商都有类似产品可以提供,图中所示 RT9078 和 RT9080 的负载能力分别可达 300mA 和 600mA。

图13
RT9078-xxGJ5/RT9080-xxGJ5, RT9078N-08GJ5/RT9080N-08GJ5与多个其他半导体制造商解决方案兼容。请联系离您最近的立锜销售办事处以获取更多信息。
采用这种封装和引脚配置的器件在使用上具有很高的灵活性,使能端 EN 可用来控制输出的有无,只要将它和 VIN 连接在一起就可以在输入电压加上以后自动实现其启动过程。输出电压固定版的引脚 4 是悬空无连接的,而这个引脚在输出电压可调版本上就变成了反馈端或监测端,只需外接两只反馈电阻就可以获得自己想要的输出电压。
选择固定输出还是可调输出?
选择固定输出电压的线性稳压器可以节省两只电阻器,但在遇到供应短缺的情况时某些固定电压的版本就可能不是那么容易获得了,因此输出电压可调的版本也是十分常见的选择。进行 PCB 设计时给两只电阻预留位置可给设计带来最大的灵活性,因为两种类型的器件都可以用得起来。选择固定输出的器件时最明智的选择是仅选择最常用的电压版本如 3.3V、2.5V、1.8V、1.5V 或 1.2V,因为它们是最容易从众多供应商中找到货源的电压版本。
电池供电时的选型策略
电池供电的应用最好选择固定输出电压的器件,因为反馈电阻的存在会增加电池电能的消耗,静态耗电 (IQ) 低的线性稳压器是这种情况下的最佳选择,符合这种需求的常用封装是 ZQFN1x1 的 (可替代的封装名称有 X2SON 或 SOT1194-1),提供这种封装的供应商至少有三家,下图是采用这种封装的产品示例,其中列出的是具有 250mA 负载能力的 RT9073A,属于 IQ 很低的产品。

图14
RT9073A-xxGQZ与多个其他半导体制造商解决方案兼容。请联系离您最近的立锜销售办事处以获取更多信息。
PSRR 要多大才够?
如果线性稳压器工作在输入包含很多噪声而输出却要求很干净的场合,PSRR 就会变成一个很重要的参数。大多数低压线性稳压器对频率高达 10kHz 的低频信号有大约 70dB 的抑制能力,但要想将以开关模式工作的前置电压转换器所产生的噪声滤除掉就需要线性稳压器具有更大的带宽,这种需求在短缺的时代可能就不容易得到满足了,解决这个问题的一个小技巧是可以在线性稳压器的前面放一个小磁珠,让它和稳压器必须要用的输入电容一起形成一个低通滤波器把前面产生的开关噪声滤除掉,这样就可以使用普通的线性稳压器来代替前述具备特殊能力的器件了。

图15
6.2. 中等电压、小功率的线性稳压器
工业应用常常用到输入电压可达 36V 的线性稳压器来为 MCU 或传感器等提供电源,这样的场合 SOT23-5 封装也是很常见的。下图所示的 RT9069 最高可以承受 36V 输入电压,负载能力可达 200mA,同时兼具低 IQ 特性和使能控制输入,具备这些能力并采用同样封装的器件也有很多来源,这种器件的最常用输出电压版本是 3.3V 和 5V。

图16
RT9069-xxGB与多个其他半导体制造商解决方案兼容。请联系离您最近的立锜销售办事处以获取更多信息。
由于高电压的小电流线性稳压器总是常常处于工作状态,没有使能端的三引脚封装是最常用的。立锜的 RT9058-xxGV是采用 SOT-23-3 封装的常用器件,但其引脚配置与其它厂商的器件都不相同,通过使用下图所示的 PCB 设计方法可使它和其他厂商的器件实现可替换式设计。

图17
RT9058-xxGV可与多个半导体制造商解决方案使用相同布局。请联系离您最近的立锜销售办事处以获取更多信息。
6.3. 高电压、小功率的线性稳压器
有些工業應用會用 48V 電源供電,這時就需要使用具備更高輸入電壓耐受能力的線性穩壓器。 RT9068 是常用的 60V/50mA 線性穩壓器,它有輸出電壓可調和固定的版本,封裝是非常通用的帶有裸露式散熱焊盤的 SOP-8 (亦稱為 SOIC),因而具有非常好的散熱性能,下圖顯示它的封裝形式和輸出電壓可調和固定的應用電路。

图18
遗憾的是能够工作到 60V 电压下的器件并不多,很难在市场上找到 P2P 兼容的第二货源,这时候的可替代性设计就要采用能够兼容不同封装和引脚定义的 PCB 设计了,相应也需要多考虑一下其它问题。首先要检查使能/关机信号的极性,RT9068 的 SHDN 端需要用低电平来使能器件,其他厂家的货源可能使用的是高电平信号。RT9068 可以与 ESR 即串联等效电阻很低的陶瓷电容配合稳定工作,只要电容有效值大于等于 1mF 就可以了,其他厂商的器件或许需要使用 ESR 比较大的输出电容才能稳定,你需要区别对待。关于反馈网络,最明智的选择应该是针对输出电压可调的版本进行预留,有些厂商的器件还需要一颗前馈电容与 R1 并联来确保稳定工作,因此也最好预留其位置。带有裸露式散热焊盘的 SOP-8 封装在普通多层板上又带有可将热量引导至其他层面的场合大概具有 1W 左右的功率耗散能力,如果是其他封装可能就会差一点,请仔细比较后再作定夺。
7.
总结
常规应用中的电源管理器件如 Buck 转换器和线性稳压器等很容易就能从不同的厂商获得可以使用同样 PCB 设计的 IC,有些时候甚至完全不需要对其他元件作任何变更,设计者要做的是从不同的厂商那里寻找到可兼容的器件,本应用笔记已经把更易于从其他厂商那里获得可替代式设计资源时所涉及到的控制架构和封装方面的信息呈现出来。除了使用独有的封装技术和引脚配置的器件以外,立锜已经努力将很多产品制作成为利于进行可替换式设计的形式,可以帮助客户在遇到短缺问题时更容易寻找到备用的方案而减少供应上的风险。
除了本应用笔记已经述及的 Buck 转换器和线性稳压器可支持可替待式设计以外,立锜科技也有其他支持可替代式设计的 Buck-Boost 转换器、USB 电源开关、DDR 存储器终端匹配电源、电池充电 IC 等产品。通过使用立锜官网所提供的交叉搜寻工具,你只需要输入你想替代的其他厂商的产品型号,与之对应的可替换型号就会被给出来。当你需要找出支持可替代式设计的产品型号时,你也可以就近联系立锜驻当地办事机构或立锜授权经销商以获得支持。
