This website stores cookies on your computer. These cookies are used to collect information about how you interact with our website and allow us to remember you. We use this information in order to improve and customize your browsing experience and for analytics and metrics about our visitors both on this website and other media. To find out more about the cookies we use, see our Cookie Statement. If you decline, your information won’t be tracked when you visit this website. A single cookie will be used in your browser to remember your preference not to be tracked. Find out more here.
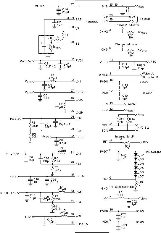
RT5016C是供數位相機等掌上型裝置使用的完整電源配置,其中含有多個 DC/DC 電源轉換器、一個單芯鋰離子電池充電器、一個充電器類型檢測器和一個 I2C 控制介面。電源轉換器由一個同步升壓轉換器(CH1)、一個同步升壓/降壓轉換器(CH2)、3個同步降壓轉換器(CH3/4/5)、2個輸入電壓可低達1.5V的 LDO (CH6/7)、一個可在同步升壓模式和低壓定電流源模式間轉換的 WLED 驅動器(CH7)和一個長期有效、為 RTC 供電的 LDO (CH9)所構成。這些轉換器都集成了功率 MOSFET 和內部頻率補償電路,包含過流保護、過熱關機、過壓保護和欠壓保護等功能。RT5016C 集成了 WAKEUP 脈衝生成電路,可對VIN加電和電池接入的事件進行回應。為了適應多種不同的應用,RT5016C 集成了6種預設的開關機時序。電池充電單元包含了自動路徑管理(APPM),無需使用外部 MOSFET 配合工作。當外部電源被移除時,充電器即自動進入休眠模式。充電任務的完成是經過優化的,可按不同的充電速率進行控制,其中包括多種充電模式:預充電、快速充電和恒壓充電。充電電流可經 I2C 介面進行調節,還可根據 JEITA 規範在不同的溫度下對充電電壓和電流進行控制。內部熱回饋電路可對內核溫度進行調節,以便在不同環境溫度下實現充電速率的最優化。充電任務的完成總是以恒壓充電模式下的充電電流下降至 ICHG_FAST 的 10% 為準。充電單元具有針對 VIN 的欠壓保護和過壓保護機制,還可通過 USB 介面的 D+ 和 D- 端子進行 USB 充電器類型檢測,可以分辨出 USB 標準資料介面(SDP)、專用充電器介面(DCP)和 Apple/Sony 充電器埠。可以指示充電器的狀態埠有兩個:CHG 和 CHG2,另外還有一個中斷信號 (INT)可以及時提醒狀態的改變。RT5016C 的 I2C 介面可以控制的功能是豐富的,電源轉換器和充電器都在其管控制下。RT5016C 的封裝是 WQFN-40L 5x5。
電源轉換單元
CH1:低壓同步升壓轉換器►支援 最高 1A 負載,動態電壓縮放(DVS, Dynamic Voltage Scaling),負載可完全斷開連接,效率可達95% ,PSM/PWM 可選
CH2:低壓同步升/降壓轉換器►支援最高 1A 負載,DVS,效率可達95%,PSM/PWM 可選
CH3/4:低壓同步降壓轉換器►支援最高 3A (CH3) / 2A (CH4) 負載,DVS,效率高達95%,最大 100% 責任週期,PSM/PWM 可選
CH5:低壓同步降壓轉換器►支援最高 0.6A 負載,效率可達95%,最大 100% 責任週期►輸出電壓可從預選表中選擇或用外部電阻設定
CH6:低輸入電壓 LDO►VIN 範圍:1.5V ~ 5.5V►輸出電壓可用 I2C 寄存器進行設定
CH7:可設定為同步升壓模式或電流源模式的 WLED 驅動器►升壓模式下有 LED 開路保護功能,保護閾值(16V/25V)可由 I2C 寄存器選擇►升壓模式支援2~6只 WLED 串聯並具斷開連接功能►電流源模式可驅動1只 WLED►31級 WLED 亮度可調►外部電路架構決定工作模式
CH8:通用 LDO►VIN 範圍:1.5V ~ 5.5V►輸出電壓可用 I2C 寄存器進行設定
CH9:低靜態電流 LDO,具反向漏電阻止功能,供 RTC 使用►3.05V 固定輸出電壓
單引腳 SEQ 可選 6 種開關機時序►SEQ # 0 : CH2 → CH3 → CH4►SEQ # 1 : CH1 → CH3 →CH2 →CH4►SEQ # 2 : CH1 →CH3 →CH4 →CH2►SEQ # 3 : CH1 →CH2→CH4 →CH3►SEQ # 4 : CH1 →CH4 →CH3 →CH2►SEQ #5 : CH1 →CH4 →CH2 →CH3
所有功率開關都內建內部補償
關閉時各通道輸出放電
喚醒脈衝監控BAT和VIN接電
CH1/3/4/5 固定2MHz開關頻率、CH2/7 固定1MHz開關頻率
VIN最大值28V
可選擇的電源輸入電流限制 (0.1A / 0.5A / 1A / 1.5A)
整合功率MOSFETs的自動電源路徑管理
電池充電電流控制及電壓調節控制
可調節的充電電流和安全充電計時器
通過熱回饋優化充電率
欠壓保護、過壓保護
充電器狀態及VIN電源良好指示
當PMU啟用時中斷指示器到JEITA溫度/錯誤/狀態事件►電池溫度事件►電池移除事件►熱規律控制充電器►安全計時器►充電結束►VIN電源良好►VIN < DPM門檻4.35V
充電型式偵測►專用充電器 : 支援APPLE及SONY充電器►二級充電器檢測,以區分DCP
I2C控制介面 : 支援快速模式高達400kb/s
符合 RoHS 規範,不含鹵素
訂閱接收最新產品訊息 (請先登入)
.
Please check your email box and click validation url.